Lexus ES manuals

Lexus ES: Panoramic Moon Roof System does not Operate

DESCRIPTION

The sliding roof ECU (sliding roof drive gear assembly) and roof sunshade ECU (sliding roof drive gear assembly) receive each other's position information from the main body ECU (multiplex network body ECU) via LIN communication.

The sliding roof ECU (sliding roof drive gear assembly) and roof sunshade ECU (sliding roof drive gear assembly) receive signals from each switch, and operate their built-in motors.

For the linked functions of the sliding roof and roof sunshade refer to Operation Check.

Click here

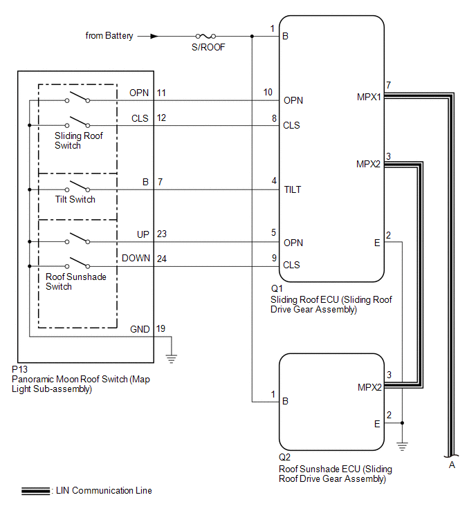
WIRING DIAGRAM

CAUTION / NOTICE / HINT

NOTICE:

  • Inspect the fuses for circuits related to this system before performing the following procedure.
  • The sliding roof auto operation function can be customized. Make sure that the function is set to ON.

    Click here

  • If the sliding roof ECU (sliding roof drive gear assembly) or roof sunshade ECU (sliding roof drive gear assembly) is removed and reinstalled or replaced, the sliding roof ECU (sliding roof drive gear assembly) or roof sunshade ECU (sliding roof drive gear assembly) must be initialized.

    Click here

  • The panoramic moon roof system uses the CAN and LIN communication systems. First, confirm that there are no malfunctions in the CAN and LIN communication systems. Refer to How to Proceed with Troubleshooting.

    Click here

  • If a sliding roof ECU (sliding roof drive gear assembly) or roof sunshade ECU (sliding roof drive gear assembly) DTC is output,perform troubleshooting for the DTC first.

    Click here

PROCEDURE

1.

CHECK FOR DTC (MAIN BODY)

(a) Clear the DTCs.

Body Electrical > Main Body > Clear DTCs

(b) Check for DTCs.

Body Electrical > Main Body > Trouble Codes

OK:

DTCs B1273 are not output.

NG

GO TO LIN COMMUNICATION SYSTEM (Proceed to How to Proceed with Troubleshooting)

OK

2.

CHECK FOR DTC (SLIDING ROOF AND SLIDING SUNSHADE)

(a) Clear the DTCs.

Body Electrical > Sliding Roof > Clear DTCs

(b) Check for DTCs.

Body Electrical > Sliding Roof > Trouble Codes

OK:

DTCs B2341 and B2344 are not output.

NG

GO TO DIAGNOSTIC TROUBLE CODE CHART

OK

3.

CHECK POWER WINDOW CONTROL SYSTEM

(a) Check the power window control system operates normally.

Click here

OK:

The power window control system operates normally.

NG

GO TO POWER WINDOW CONTROL SYSTEM

OK

4.

PERFORM ACTIVE TEST USING TECHSTREAM (SLIDING ROOF)

(a) Connect the Techstream to the DLC3.

(b) Turn the engine switch on (IG).

(c) Turn the Techstream on.

(d) Enter the following menus: Body Electrical / Sliding Roof / Active Test.

(e) Perform the Active Test according to the display on the Techstream.

Body Electrical > Sliding Roof > Active Test

Tester Display

Measurement Item

Control Range

Diagnostic Note

Slide Roof

Operate sliding roof motor

OFF / Opn/Dwn / Clos/Up

-

Body Electrical > Sliding Roof > Active Test

Tester Display

Slide Roof

OK:

Slide roof is operated using Techstream.

NG

GO TO STEP 9

OK

5.

READ VALUE USING TECHSTREAM (SLIDING ROOF)

(a) Connect the Techstream to the DLC3.

(b) Turn the engine switch on (IG).

(c) Turn the Techstream on.

(d) Enter the following menus: Body Electrical / Sliding Roof / Data List.

(e) Read the Data List according to the display on the Techstream.

Body Electrical > Sliding Roof > Data List

Tester Display

Measurement Item

Range

Normal Condition

Diagnostic Note

Open Switch

Sliding roof open switch signal

OFF or ON

OFF: Sliding roof switch not slid backward

ON: Sliding roof switch slid backward

-

Close Switch

Sliding roof close switch signal

OFF or ON

OFF: Sliding roof switch not slid forward

ON: Sliding roof switch slid forward

-

Up Switch

Roof sunshade close switch signal

OFF or ON

OFF: Roof sunshade switch not slid forward

ON: Roof sunshade switch slid forward

-

Down Switch

Roof sunshade open switch signal

OFF or ON

OFF: Roof sunshade switch not slid backward

ON: Roof sunshade switch slid backward

-

Body Electrical > Sliding Roof > Data List

Tester Display

Open Switch

Close Switch

Up Switch

Down Switch

OK:

The Techstream display changes according to switch operation as shown in the table.

NG

GO TO STEP 7

OK

6.

CHECK HARNESS AND CONNECTOR (ROOF SUNSHADE ECU (SLIDING ROOF DRIVE GEAR ASSEMBLY) - BATTERY AND BODY GROUND)

(a) Disconnect the Q2 roof sunshade ECU (sliding roof drive gear assembly) connector.

*a

Front view of wire harness connector

(to roof sunshade ECU (sliding roof drive gear assembly))

(b) Measure the voltage according to the value(s) in the table below.

Standard Voltage:

Tester Connection

Condition

Specified Condition

Q2-1 (B) - Body ground

Always

11 to 14 V

(c) Measure the resistance according to the value(s) in the table below.

Standard Resistance:

Tester Connection

Condition

Specified Condition

Q2-2 (E) - Body ground

Always

Below 1 Ω

OK

REPLACE ROOF SUNSHADE ECU (SLIDING ROOF DRIVE GEAR ASSEMBLY)

NG

REPAIR OR REPLACE HARNESS OR CONNECTOR

7.

INSPECT PANORAMIC MOON ROOF SWITCH (MAP LIGHT SUB-ASSEMBLY)

(a) Remove the panoramic moon roof switch (map light sub-assembly).

Click here

(b) Inspect the panoramic moon roof switch (map light sub-assembly).

Click here

NG

REPLACE PANORAMIC MOON ROOF SWITCH (MAP LIGHT SUB-ASSEMBLY)

OK

8.

CHECK HARNESS AND CONNECTOR (SLIDING ROOF ECU (SLIDING ROOF DRIVE GEAR ASSEMBLY) - PANORAMIC MOON ROOF SWITCH (MAP LIGHT SUB-ASSEMBLY) AND BODY GROUND)

(a) Disconnect the Q1 sliding roof ECU (sliding roof drive gear assembly) connector.

(b) Disconnect the P13 panoramic moon roof switch (map light sub-assembly) connector.

(c) Measure the resistance according to the value(s) in the table below.

Standard Resistance:

Tester Connection

Condition

Specified Condition

Q1-10 (OPN) - P13-11 (OPN)

Always

Below 1 Ω

Q1-10 (OPN) or P13-11 (OPN) - Body ground

Always

10 kΩ or higher

Q1-8 (CLS) - P13-12 (CLS)

Always

Below 1 Ω

Q1-8 (CLS) or P13-12 (CLS) - Body ground

Always

10 kΩ or higher

Q1-4 (TILT) - P13-7 (B)

Always

Below 1 Ω

Q1-4 (TILT) or P13-7 (B) - Body ground

Always

10 kΩ or higher

Q1-5 (OPN) - P13-23 (UP)

Always

Below 1 Ω

Q1-5 (OPN) or P13-23 (UP) - Body ground

Always

10 kΩ or higher

Q1-9 (CLS) - P13-24 (DOWN)

Always

Below 1 Ω

Q1-9 (CLS) or P13-24 (DOWN) - Body ground

Always

10 kΩ or higher

Q1-2 (E) - Body ground

Always

Below 1 Ω

P13-19 (GND) - Body ground

Always

Below 1 Ω

OK

REPLACE SLIDING ROOF ECU (SLIDING ROOF DRIVE GEAR ASSEMBLY)

NG

REPAIR OR REPLACE HARNESS OR CONNECTOR

9.

CHECK HARNESS AND CONNECTOR (SLIDING ROOF ECU (SLIDING ROOF DRIVE GEAR ASSEMBLY) - BATTERY AND BODY GROUND)

(a) Disconnect the Q1 sliding roof ECU (sliding roof drive gear assembly) connector.

*a

Front view of wire harness connector

(to sliding roof ECU (sliding roof drive gear assembly))

(b) Measure the voltage according to the value(s) in the table below.

Standard Voltage:

Tester Connection

Condition

Specified Condition

Q1-1 (B) - Body ground

Always

11 to 14 V

(c) Measure the resistance according to the value(s) in the table below.

Standard Resistance:

Tester Connection

Condition

Specified Condition

Q1-2 (E) - Body ground

Always

Below 1 Ω

OK

REPLACE SLIDING ROOF ECU (SLIDING ROOF DRIVE GEAR ASSEMBLY)

NG

REPAIR OR REPLACE HARNESS OR CONNECTOR

READ NEXT:

 Sliding Roof Housing (for Panoramic Moon Roof)

 Components

COMPONENTS ILLUSTRATION *A for Front Side *B for Rear Side *1 FRONT SLIDING ROOF GARNISH LH *2 FRONT SLIDING ROOF GARNISH RH *3 SLIDING ROOF GLASS SUB-ASSEMBLY *4 SLIDING

 Removal

REMOVAL CAUTION / NOTICE / HINT The necessary procedures (adjustment, calibration, initialization or registration) that must be performed after parts are removed and installed, or replaced during slid

SEE MORE:

 High Voltage System Interlock Circuit Open (P0A0A13,P0A0A92)

DTC SUMMARY MALFUNCTION DESCRIPTION The hybrid vehicle control ECU detects that a safety device (interlock) is operated or that there is an open circuit in the detection circuit. (Even if an open circuit occurs while the vehicle is stopped, the system determines that the safety device was operated.)

 Engine Coolant Temperature/Engine Oil Temperature Signal Compare Failure (P012F62)

DESCRIPTION The engine is equipped with an engine coolant temperature sensor and an engine oil temperature sensor. The engine coolant temperature sensor and engine oil temperature sensor each have a built-in thermistor. As the temperature decreases, the thermistor resistance increases and as the tem

© 2016-2026 Copyright www.lexguide.net