Lexus ES manuals

Lexus ES: Windshield Deicer does not Operate

DESCRIPTION

When the front wiper deicer switch is operated, the operation signal is transmitted to the air conditioning amplifier assembly directly. When the air conditioning amplifier assembly receives the signal, it turns on the DEICER relay to operate the windshield deicer system.

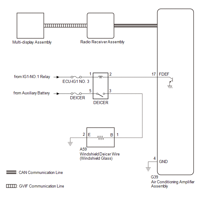
WIRING DIAGRAM

CAUTION / NOTICE / HINT

NOTICE:

  • Inspect the fuses for circuits related to this system before performing the following procedure.
  • If the auxiliary battery voltage becomes low, auxiliary battery load control will operate in order to ensure sufficient power is supplied to the power steering system. In this case, the windshield deicer system may not operate.
  • The windshield deicer system uses the CAN communication system. First, confirm that there are no malfunctions in the CAN communication system. Refer to How to Proceed with Troubleshooting.

    Click here

PROCEDURE

1.

CHECK AIR CONDITIONING SYSTEM

(a) Check that the air conditioning system can be operated using the remote touch.

HINT:

Both the windshield deicer system operation signal and airconditioning system operation signal are transmitted to the airconditioning amplifier assembly through same communication line.

OK:

The air conditioning system operates normally.

NG

GO TO AIR CONDITIONING SYSTEM

OK

2.

PERFORM ACTIVE TEST USING TECHSTREAM

(a) Connect the Techstream to the DLC3.

(b) Turn the power switch on (IG).

(c) Turn the Techstream on.

(d) Enter the following menus: Body Electrical / Air Conditioner / Active Test.

(e) Perform the Active Test according to the display on the Techstream.

Body Electrical > Air Conditioner > Active Test

Tester Display

Measurement Item

Control Range

Diagnostic Note

Deicer Relay (Front)

Windshield deicer wire (windshield glass)

OFF or ON

-

Body Electrical > Air Conditioner > Active Test

Tester Display

Deicer Relay (Front)

OK:

The windshield deicer system operates normally.

NG

GO TO STEP 5

OK

3.

REPLACE AIR CONDITIONING AMPLIFIER ASSEMBLY

(a) Replace the air conditioning amplifier assembly with a new or known good one.

Click here

(b) Check that the windshield deicer system operates normally.

OK:

The windshield deicer system operates normally.

OK

END (AIR CONDITIONING AMPLIFIER ASSEMBLY WAS DEFECTIVE)

NG

4.

REPLACE RADIO RECEIVER ASSEMBLY

(a) Replace the radio receiver assembly with a new or known good one.

Click here

(b) Check that the windshield deicer system operates normally.

OK:

The windshield deicer system operates normally.

OK

END (RADIO RECEIVER ASSEMBLY WAS DEFECTIVE)

NG

REPLACE MULTI-DISPLAY ASSEMBLY

5.

INSPECT DEICER RELAY

(a) Inspect the DEICER relay.

Click here

NG

REPAIR OR REPLACE HARNESS OR CONNECTOR

OK

6.

CHECK WIRE HARNESS AND CONNECTOR (DEICER RELAY - IG POWER SUPPLY)

(a) Measure the voltage according to the value(s) in the table below.

Standard Voltage:

Tester Connection

Condition

Specified Condition

DEICER relay holder terminal 1 - Body ground

Power switch on (IG)

11 to 14 V

DEICER relay holder terminal 5 - Body ground

Always

11 to 14 V

*a

DEICER Relay Holder

NG

REPAIR OR REPLACE HARNESS OR CONNECTOR

OK

7.

CHECK WIRE HARNESS AND CONNECTOR (DEICER RELAY - AIR CONDITIONING AMPLIFIER ASSEMBLY)

(a) Disconnect G39 air conditioning amplifier assembly connector.

*a

DEICER Relay Holder

(b) Measure the resistance according to the value(s) in the table below.

Standard Resistance:

Tester Connection

Condition

Specified Condition

DEICER relay holder terminal 2 - G39-17 (FDEF)

Always

Below 1 Ω

DEICER relay holder terminal 2 - Body ground

Always

10 kΩ higher

NG

REPAIR OR REPLACE HARNESS OR CONNECTOR

OK

8.

CHECK AIR CONDITIONING AMPLIFIER ASSEMBLY

(a) Reconnect the G39 air conditioning amplifier assembly connector.

(b) Measure the voltage according to the value(s) in the table below.

Standard Voltage:

Tester Connection

Condition

Specified Condition

G39-17 (FDEF) - G39-4 (GND)

Power switch on (IG), Front wiper deicer switch on

Below 1 V

G39-17 (FDEF) - G39-4 (GND)

Power switch on (IG), Front wiper deicer switch off

11 to 14 V

*a

Component with harness connected

(Air Conditioning Amplifier Assembly)

NG

REPLACE AIR CONDITIONING AMPLIFIER ASSEMBLY

OK

9.

CHECK WIRE HARNESS AND CONNECTOR (DEICER RELAY - WINDSHIELD DEICER WIRE (WINDSHIELD GLASS))

(a) Disconnect A59 windshield deicer wire (windshield glass) connector.

*a

DEICER Relay Holder

(b) Measure the resistance according to the value(s) in the table below.

Standard Resistance:

Tester Connection

Condition

Specified Condition

DEICER relay holder terminal 3 - A59-1 (B)

Always

Below 1 Ω

DEICER relay holder terminal 3 - Body ground

Always

10 kΩ higher

NG

REPAIR OR REPLACE HARNESS OR CONNECTOR

OK

10.

CHECK WIRE HARNESS AND CONNECTOR (WINDSHIELD DEICER WIRE (WINDSHIELD GLASS) - BODY GROUND)

(a) Measure the resistance according to the value(s) in the table below.

Standard Resistance:

Tester Connection

Condition

Specified Condition

A59-2 (E) - Body ground

Always

Below 1 Ω

OK

REPLACE WINDSHIELD DEICER WIRE (WINDSHIELD GLASS)

NG

REPAIR OR REPLACE HARNESS OR CONNECTOR

READ NEXT:

 Windshield Glass

 Components

COMPONENTS ILLUSTRATION *1 COWL TOP VENTILATOR LOUVER SUB-ASSEMBLY *2 FRONT WIPER ARM AND BLADE ASSEMBLY LH *3 FRONT WIPER ARM AND BLADE ASSEMBLY RH *4 FRONT WIPER ARM HEAD CAP

 Removal

REMOVAL CAUTION / NOTICE / HINT The necessary procedures (adjustment, calibration, initialization or registration) that must be performed after parts are removed and installed, or replaced during wind

SEE MORE:

 Brake Hold Standby Indicator Light Circuit

DESCRIPTION The brake hold standby indicator light turns on if brake hold control is possible when the following conditions required for operation standby are met and the brake hold switch (No. 3 combination switch assembly) is pressed while the engine switch on (IG). Conditions required for oper

 Data List / Active Test

DATA LIST / ACTIVE TEST DATA LIST NOTICE: In the table below, the values listed under "Normal Condition" are reference values. Do not depend solely on these reference values when deciding whether a part is faulty or not. HINT: Using the Techstream to read the Data List allows the values or states of

© 2016-2026 Copyright www.lexguide.net