Lexus ES manuals

Lexus ES: Transmission Control Switch Circuit

DESCRIPTION

When the shift lever is in S, different ranges can be chosen using the floor shift sequential gate.

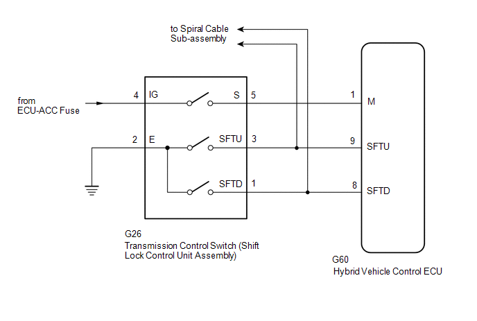
WIRING DIAGRAM

Refer to the wiring diagram for the shift paddle switch circuit.

Click here

PROCEDURE

1.

READ VALUE USING TECHSTREAM (SPORTS SHIFT POSITION)

(a) Connect the Techstream to the DLC3.

(b) Turn the power switch on (IG).

(c) Enter the following menus: Powertrain / Hybrid Control / Data List / Sports Shift Position.

Powertrain > Hybrid Control > Data List

Tester Display

Sports Shift Position

(d) Read the value displayed on the Techstream.

Result

Proceed to

The Techstream display changes according to the shift lever operation

A

The Techstream display does not change according to the shift lever operation

B

(e) Turn the power switch off.

B

GO TO STEP 4

A

2.

READ VALUE USING TECHSTREAM (SPORTS SHIFT UP SIGNAL, SPORTS SHIFT DOWN SIGNAL)

(a) Connect the Techstream to the DLC3.

(b) Turn the power switch on (IG).

(c) Enter the following menus: Powertrain / Hybrid Control / Data List / Sports Shift UP Signal, Sports Shift DOWN Signal.

Powertrain > Hybrid Control > Data List

Tester Display

Sports Shift UP Signal

Sports Shift DOWN Signal

(d) Read the value displayed on the Techstream.

Result

Proceed to

The Techstream display changes according to the transmission control switch (shift lock control unit assembly) operation

A

The Techstream display does not change according to the transmission control switch (shift lock control unit assembly) operation

B

(e) Turn the power switch off.

B

GO TO STEP 7

A

3.

CHECK FOR INTERMITTENT PROBLEMS

Click here

OK

REPLACE HYBRID VEHICLE CONTROL ECU

NG

REPAIR OR REPLACE MALFUNCTIONING PARTS, COMPONENT AND AREA

4.

CHECK HARNESS AND CONNECTOR (POWER SOURCE CIRCUIT)

(a) Disconnect the G26 transmission control switch (shift lock control unit assembly) connector.

(b) Turn the power switch on (IG).

(c) Measure the voltage according to the value(s) in the table below.

Standard Voltage:

Tester Connection

Condition

Specified Condition

G26-4 (IG) - Body ground

Power switch on (IG)

11 to 14 V

*a

Front view of wire harness connector

(to Transmission Control Switch (Shift Lock Control Unit Assembly))

(d) Turn the power switch off.

(e) Measure the voltage according to the value(s) in the table below.

Standard Voltage:

Tester Connection

Condition

Specified Condition

G26-4 (IG) - Body ground

Power switch off

Below 1 V

(f) Measure the resistance according to the value(s) in the table below.

Standard Resistance:

Tester Connection

Condition

Specified Condition

G26-2 (E) - Body ground

Power switch off

Below 1 Ω

(g) Reconnect the G26 transmission control switch (shift lock control unit assembly) connector.

NG

CHECK POWER SOURCE CIRCUIT

OK

5.

INSPECT TRANSMISSION CONTROL SWITCH (SHIFT LOCK CONTROL UNIT ASSEMBLY)

(a) Inspect the transmission control switch (shift lock control unit assembly).

Click here

NG

REPLACE SHIFT LOCK CONTROL UNIT ASSEMBLY

OK

6.

CHECK HARNESS AND CONNECTOR (HYBRID VEHICLE CONTROL ECU - TRANSMISSION CONTROL SWITCH (SHIFT LOCK CONTROL UNIT ASSEMBLY))

(a) Disconnect the G60 hybrid vehicle control ECU connector.

*a

Rear view of wire harness connector

(to Hybrid Vehicle Control ECU)

(b) Disconnect the G20 spiral cable sub-assembly connector.

(c) Turn the power switch on (IG).

(d) Measure the voltage according to the value(s) in the table below when the shift lever is moved to each position.

Standard Voltage:

Tester Connection

Condition

Specified Condition

G60-1 (M) - Body ground

Power switch on (IG)

Shift lever in S, "+" or "-"

11 to 14 V

Power switch on (IG)

Except shift lever in S, "+" and "-"

Below 1 V

NOTICE:

If the power switch is turned on (IG) with the hybrid vehicle control ECU connector disconnected, other DTCs will be stored. After performing the inspection, clear the DTCs.

(e) Turn the power switch off.

(f) Measure the resistance according to the value(s) in the table below when the shift lever is moved to each position.

Standard Resistance:

Tester Connection

Condition

Specified Condition

G60-9 (SFTU) - Body ground

Shift lever held in "+"

Below 13 Ω

G60-9 (SFTU) - Body ground

Shift lever in S

10 kΩ or higher

G60-8 (SFTD) - Body ground

Shift lever held in "-"

Below 13 Ω

G60-8 (SFTD) - Body ground

Shift lever in S

10 kΩ or higher

(g) Reconnect the G20 spiral cable sub-assembly connector.

(h) Reconnect the G60 hybrid vehicle control ECU connector.

OK

REPLACE HYBRID VEHICLE CONTROL ECU

NG

REPAIR OR REPLACE HARNESS OR CONNECTOR

7.

INSPECT TRANSMISSION CONTROL SWITCH (SHIFT LOCK CONTROL UNIT ASSEMBLY)

(a) Disconnect the G26 transmission control switch (shift lock control unit assembly) connector.

(b) Measure the resistance according to the value(s) in the table below when the shift lever is moved to each position.

Standard Resistance:

Tester Connection

Condition

Specified Condition

G26-3 (SFTU) - G26-2 (E)

Shift lever held in "+"

Below 13 Ω

G26-3 (SFTU) - G26-2 (E)

Shift lever in S

10 kΩ or higher

G26-1 (SFTD) - G26-2 (E)

Shift lever held in "-"

Below 13 Ω

G26-1 (SFTD) - G26-2 (E)

Shift lever in S

10 kΩ or higher

*a

Component without harness connected

(to Transmission Control Switch (Shift Lock Control Unit Assembly))

(c) Reconnect the G26 transmission control switch (shift lock control unit assembly) connector.

NG

REPLACE SHIFT LOCK CONTROL UNIT ASSEMBLY

OK

8.

CHECK HARNESS AND CONNECTOR (TRANSMISSION CONTROL SWITCH (SHIFT LOCK CONTROL UNIT ASSEMBLY) - HYBRID VEHICLE CONTROL ECU)

(a) Disconnect the G60 hybrid vehicle control ECU connector.

(b) Disconnect the G20 spiral cable sub-assembly connector.

(c) Measure the resistance according to the value(s) in the table below when the shift lever is moved to each position.

Standard Resistance:

Tester Connection

Condition

Specified Condition

G60-9 (SFTU) - Body ground

Shift lever held in "+"

Below 13 Ω

Shift lever in S

10 kΩ or higher

G60-8 (SFTD) - Body ground

Shift lever held in "-"

Below 13 Ω

Shift lever in S

10 kΩ or higher

*a

Rear view of wire harness connector

(to Hybrid Vehicle Control ECU)

(d) Reconnect the G20 spiral cable sub-assembly connector.

(e) Reconnect the G60 hybrid vehicle control ECU connector.

OK

REPLACE HYBRID VEHICLE CONTROL ECU

NG

REPAIR OR REPLACE HARNESS OR CONNECTOR

READ NEXT:

 Shift Paddle Switch Circuit

DESCRIPTION Moving the shift lever to S enables the shift range to be selected. The shift range can be selected by operating the "+" or "-" shift paddle switch. WIRING DIAGRAM CAUTION / NOTICE / HINT

 Pattern Select Switch EV Mode Circuit

DESCRIPTION The EV drive mode signal will be sent to the hybrid vehicle control ECU when the EV drive mode switch (NO. 3 combination switch assembly) is operated. If the specified conditions are met,

 Pattern Select Switch Sport Mode Circuit

DESCRIPTION When selecting sport mode, the switch operation signal is sent to the hybrid vehicle control ECU. Following this, the system enters sport mode and the vehicle will be driven using sport mo

SEE MORE:

 Control Module Communication Bus Off (U0073,U0101,U0126,U0129,U0142,U0155,U0242,U0293)

DESCRIPTION These DTCs are stored if a CAN communication malfunction occurs between the headlight ECU sub-assembly LH and other ECUs. for LED Type Turn Signal Light DTC No. Detection Item DTC Detection Condition Trouble Area DTC Output from U0073 Control Module Communication Bus Off

 Backup Battery Internal Electronic Failure (B15CC49)

DESCRIPTION This DTC is set when the DCM (telematics transceiver) detects one of the following: The mobilephone battery voltage drops or the mobilephone battery malfunctions. The mobilephone battery temperature is (temporarily) high. DTC No. Detection Item DTC Detection Condition Tr

© 2016-2025 Copyright www.lexguide.net