Lexus ES: System Diagram
SYSTEM DIAGRAM
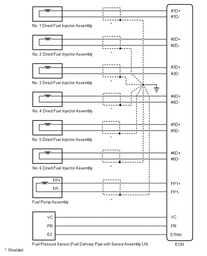
HIGH PRESSURE SIDE FUEL SYSTEM WIRING DIAGRAM
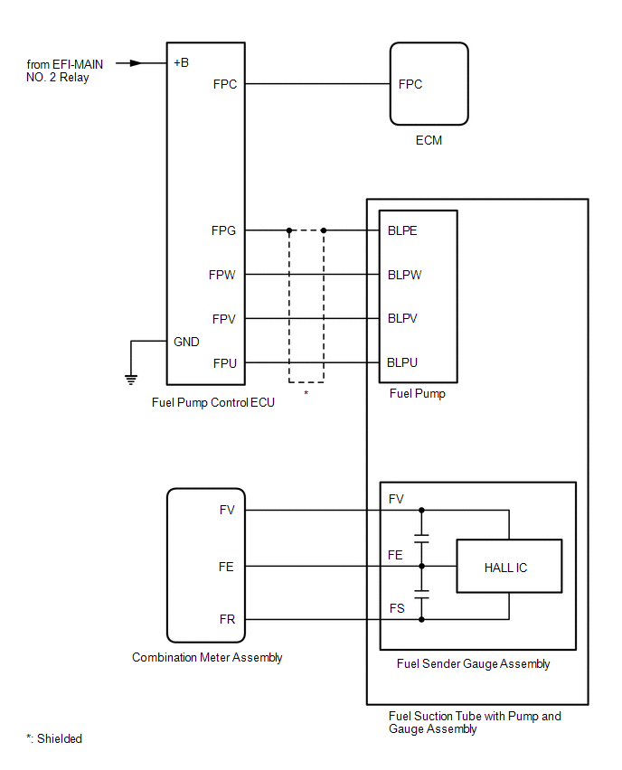
LOW PRESSURE SIDE FUEL SYSTEM WIRING DIAGRAM

READ NEXT:
ON-VEHICLE INSPECTION PROCEDURE 1. CHECK FUEL PUMP WITH FILTER ASSEMBLY OPERATION AND INSPECT FOR FUEL LEAK (a) Check fuel pump operation. (1) Connect the Techstream to the DLC3. (2) Turn the engine s
COMPONENTS ILLUSTRATION *1 NO. 1 FLOOR UNDER COVER *2 NO. 2 FLOOR UNDER COVER N*m (kgf*cm, ft.*lbf): Specified torque - - ILLUSTRATION *A for TMC Made *B w/ Fuel Outl
SEE MORE:
REMOVAL CAUTION / NOTICE / HINT The necessary procedures (adjustment, calibration, initialization, or registration) that must be performed after parts are removed and installed, or replaced during motor cable removal/installation are shown below. Necessary Procedure After Parts Removed/Installed/Rep
ON-VEHICLE INSPECTION PROCEDURE 1. SECURE VEHICLE (a) Fully apply the parking brake and chock a wheel. CAUTION:
Make sure to apply the parking brake and chock a wheel before performing this procedure.
If the vehicle is not secure and the shift lever is moved to N, the vehicle may suddenly move,
© 2016-2026 Copyright www.lexguide.net
