Lexus ES: System Diagram
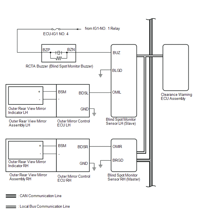
SYSTEM DIAGRAM

for 12.3 inch display w/o Panoramic View Monitor System

w/ Blind Spot Monitor System

w/ Panoramic View Monitor System

READ NEXT:
TERMINALS OF ECU CLEARANCE WARNING ECU ASSEMBLY (a) Disconnect the N41 clearance warning ECU assembly connector. (b) Measure the voltage and resistance on the wire harness side connector according to
DESCRIPTION The multi-display receives a signal from the clearance warning ECU assembly to change the display screen. WIRING DIAGRAM PROCEDURE 1. CHECK HARNESS AND CONNECTOR (CLEARANCE WARNING
DESCRIPTION These DTCs are stored when the clearance warning ECU assembly cannot receive and recognize several signals via the CAN communication line. DTC No. Detection Item DTC Detection Condi
SEE MORE:
OPERATION CHECK CHECK WINDSHIELD DEICER SYSTEM (a) Turn the engine switch on (IG). (b) Check that the windshield deicer wire (windshield glass) becomes warm by operating the front wiper deicer switch. (c) Confirm that windshield deicer system operation stops after approximately 15 minutes. NOTICE: I
CHECK MODE PROCEDURE DESCRIPTION (a) Check mode has a higher sensitivity to malfunctions and can detect malfunctions that normal mode cannot detect. Check mode can also detect all of the malfunctions that normal mode can detect. In check mode, DTCs are detected with 1 trip detection logic. CHECK MOD
© 2016-2026 Copyright www.lexguide.net
