Lexus ES manuals

Lexus ES: Speaker Circuit

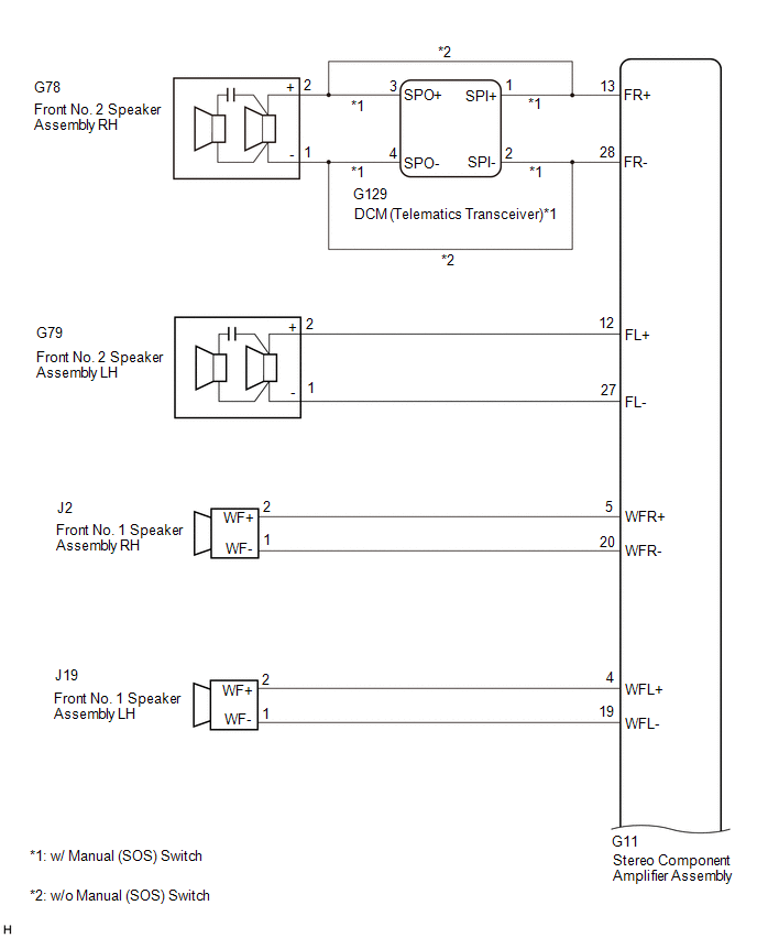
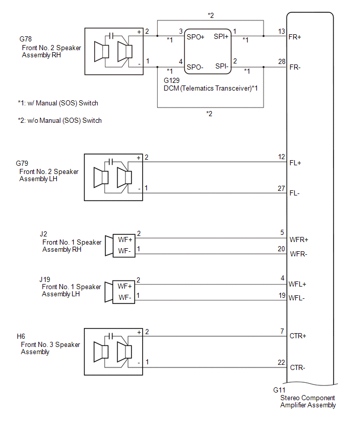
DESCRIPTION

If there is a short in a speaker circuit, the stereo component amplifier assembly detects it and stops output to the speakers.

Thus sound cannot be heard from the speakers even if there is no malfunction in the stereo component amplifier assembly, DCM (telematics transceiver)* or speakers.

  • *: w/ Manual (SOS) Switch

WIRING DIAGRAM

for 10 Speakers for 17 Speakers

CAUTION / NOTICE / HINT

NOTICE:

  • Depending on the parts that are replaced during vehicle inspection or maintenance, performing initialization, registration or calibration may be needed. Refer to Precaution for Audio and Visual System.

    Click here

  • Before replacing the DCM (telematics transceiver), refer to Registration.

    Click here

PROCEDURE

1.

CHECK MODEL

(a) Choose the model to be inspected.

Result

Proceed to

for 10 Speakers

A

for 17 Speakers

B

B

GO TO STEP 16

A

2.

CHECK SPEAKER (OPERATION CHECK)

(a) Enter the "System Check Mode" screen. Refer to Check Speaker in Operation Check.

Click here

(b) Perform the operation check above and determine the speaker that is not operating.

Not Operating Speaker

Proceed to

Front No. 2 speaker assembly (w/ Manual (SOS) Switch)

A

Front No. 2 speaker assembly (w/o Manual (SOS) Switch)

B

Front No. 1 speaker assembly

C

Front No. 3 speaker assembly

D

Rear speaker assembly

E

Speaker assembly with bracket

F

HINT:

If sound cannot be heard from any speaker, inspect all of them.

B

GO TO STEP 6

C

GO TO STEP 8

D

GO TO STEP 10

E

GO TO STEP 12

F

GO TO STEP 14

A

3.

CHECK HARNESS AND CONNECTOR (STEREO COMPONENT AMPLIFIER ASSEMBLY - DCM (TELEMATICS TRANSCEIVER) - FRONT NO. 2 SPEAKER ASSEMBLY)

(a) Disconnect the G11 stereo component amplifier assembly connector.

(b) Disconnect the G129 DCM (telematics transceiver) connector.

(c) Disconnect the G78 and G79 front No. 2 speaker assembly connectors.

(d) Measure the resistance according to the value(s) in the table below.

Standard Resistance:

Tester Connection

Condition

Specified Condition

G11-13 (FR+) - G129-1 (SPI+)

Always

Below 1 Ω

G11-28 (FR-) - G129-2 (SPI-)

Always

Below 1 Ω

G129-3 (SPO+) - G78-2 (+)

Always

Below 1 Ω

G129-4 (SPO-) - G78-1 (-)

Always

Below 1 Ω

G11-12 (FL+) - G79-2 (+)

Always

Below 1 Ω

G11-27 (FL-) - G79-1 (-)

Always

Below 1 Ω

G11-13 (FR+) or G129-1 (SPI+) - Body ground

Always

10 kΩ or higher

G11-28 (FR-) or G129-2 (SPI-) - Body ground

Always

10 kΩ or higher

G11-12 (FL+) or G79-2 (+) - Body ground

Always

10 kΩ or higher

G11-27 (FL-) or G79-1 (-) - Body ground

Always

10 kΩ or higher

G129-3 (SPO+) or G78-2 (+) - Body ground

Always

10 kΩ or higher

G129-4 (SPO-) or G78-1 (-) - Body ground

Always

10 kΩ or higher

NG

REPAIR OR REPLACE HARNESS OR CONNECTOR

OK

4.

REPLACE FRONT NO. 2 SPEAKER ASSEMBLY

(a) Remove the front No. 2 speaker assembly.

Click here

(b) Inspect the front No. 2 speaker assembly.

Click here

OK:

Malfunction disappears.

OK

END

NG

5.

INSPECT DCM (TELEMATICS TRANSCEIVER)

(a) Remove the DCM (telematics transceiver).

Click here

(b) Measure the resistance according to the value(s) in the table below.

Standard Resistance:

Tester Connection

Condition

Specified Condition

1 (SPI+) - 3 (SPO+)

Always

Below 1 Ω

2 (SPI-) - 4 (SPO-)

Always

Below 1 Ω

1 (SPI+) - 2 (SPI-)

Always

10 kΩ or higher

3 (SPO+) - 4 (SPO-)

Always

10 kΩ or higher

2 (SPI-) or 4 (SPO-) - Body ground

Always

10 kΩ or higher

1 (SPI+) or 3 (SPO+) - Body ground

Always

10 kΩ or higher

*a

Component without harness connected

(DCM (Telematics Transceiver))

OK

PROCEED TO NEXT SUSPECTED AREA SHOWN IN PROBLEM SYMPTOMS TABLE

NG

REPLACE DCM (TELEMATICS TRANSCEIVER)

6.

CHECK HARNESS AND CONNECTOR (STEREO COMPONENT AMPLIFIER ASSEMBLY - FRONT NO. 2 SPEAKER ASSEMBLY)

(a) Disconnect the G11 stereo component amplifier assembly connector.

(b) Disconnect the G78 and G79 front No. 2 speaker assembly connectors.

(c) Measure the resistance according to the value(s) in the table below.

Standard Resistance:

Tester Connection

Condition

Specified Condition

G11-13 (FR+) - G78-2 (+)

Always

Below 1 Ω

G11-28 (FR-) - G78-1 (-)

Always

Below 1 Ω

G11-12 (FL+) - G79-2 (+)

Always

Below 1 Ω

G11-27 (FL-) - G79-1 (-)

Always

Below 1 Ω

G11-13 (FR+) or G78-2 (+) - Body ground

Always

10 kΩ or higher

G11-28 (FR-) or G78-1 (-) - Body ground

Always

10 kΩ or higher

G11-12 (FL+) or G79-2 (+) - Body ground

Always

10 kΩ or higher

G11-27 (FL-) or G79-1 (-) - Body ground

Always

10 kΩ or higher

NG

REPAIR OR REPLACE HARNESS OR CONNECTOR

OK

7.

REPLACE FRONT NO. 2 SPEAKER ASSEMBLY

(a) Remove the front No. 2 speaker assembly.

Click here

(b) Inspect the front No. 2 speaker assembly.

Click here

OK:

Malfunction disappears.

OK

END

NG

PROCEED TO NEXT SUSPECTED AREA SHOWN IN PROBLEM SYMPTOMS TABLE

8.

CHECK HARNESS AND CONNECTOR (STEREO COMPONENT AMPLIFIER ASSEMBLY - FRONT NO. 1 SPEAKER ASSEMBLY)

(a) Disconnect the G11 stereo component amplifier assembly connector.

(b) Disconnect the J2 and J19 front No. 1 speaker assembly connectors.

(c) Measure the resistance according to the value(s) in the table below.

Standard Resistance:

Tester Connection

Condition

Specified Condition

G11-5 (WFR+) - J2-2 (WF+)

Always

Below 1 Ω

G11-20 (WFR-) - J2-1 (WF-)

Always

Below 1 Ω

G11-4 (WFL+) - J19-2 (WF+)

Always

Below 1 Ω

G11-19 (WFL-) - J19-1 (WF-)

Always

Below 1 Ω

G11-5 (WFR+) or J2-2 (WF+) - Body ground

Always

10 kΩ or higher

G11-20 (WFR-) or J2-1 (WF-) - Body ground

Always

10 kΩ or higher

G11-4 (WFL+) or J19-2 (WF+) - Body ground

Always

10 kΩ or higher

G11-19 (WFL-) or J19-1 (WF-) - Body ground

Always

10 kΩ or higher

NG

REPAIR OR REPLACE HARNESS OR CONNECTOR

OK

9.

INSPECT FRONT NO. 1 SPEAKER ASSEMBLY

(a) Remove the front No. 1 speaker assembly.

Click here

(b) Inspect the front No. 1 speaker assembly.

Click here

OK

PROCEED TO NEXT SUSPECTED AREA SHOWN IN PROBLEM SYMPTOMS TABLE

NG

REPLACE FRONT NO. 1 SPEAKER ASSEMBLY

10.

CHECK HARNESS AND CONNECTOR (STEREO COMPONENT AMPLIFIER ASSEMBLY - FRONT NO. 3 SPEAKER ASSEMBLY)

(a) Disconnect the G11 stereo component amplifier assembly connector.

(b) Disconnect the H6 front No. 3 speaker assembly connector.

(c) Measure the resistance according to the value(s) in the table below.

Standard Resistance:

Tester Connection

Condition

Specified Condition

G11-7 (CTR+) - H6-2 (+)

Always

Below 1 Ω

G11-22 (CTR-) - H6-1 (-)

Always

Below 1 Ω

G11-7 (CTR+) or H6-2 (+) - Body ground

Always

10 kΩ or higher

G11-22 (CTR-) or H6-1 (-) - Body ground

Always

10 kΩ or higher

NG

REPAIR OR REPLACE HARNESS OR CONNECTOR

OK

11.

INSPECT FRONT NO. 3 SPEAKER ASSEMBLY

(a) Remove the front No. 3 speaker assembly.

Click here

(b) Inspect the front No. 3 speaker assembly.

Click here

OK

PROCEED TO NEXT SUSPECTED AREA SHOWN IN PROBLEM SYMPTOMS TABLE

NG

REPLACE FRONT NO. 3 SPEAKER ASSEMBLY

12.

CHECK HARNESS AND CONNECTOR (STEREO COMPONENT AMPLIFIER ASSEMBLY - REAR SPEAKER ASSEMBLY)

(a) Disconnect the G11 stereo component amplifier assembly connector.

(b) Disconnect the M1 and L6 rear speaker assembly connectors. (Door Trim Wood Panel Type, w/o Ambient Light)

(c) Disconnect the M1 and M4 rear speaker assembly connectors. (Except Door Trim Wood Panel Type)

(d) Disconnect the M1 and M4 rear speaker assembly connectors. (w/ Ambient Light)

(e) Measure the resistance according to the value(s) in the table below.

Standard Resistance:

Tester Connection

Condition

Specified Condition

G11-9 (RR+) - M1-2 (+)

Always

Below 1 Ω

G11-24 (RR-) - M1-1 (-)

Always

Below 1 Ω

G11-8 (RL+) - L6-2 (+)*1

Always

Below 1 Ω

G11-8 (RL+) - M4-2 (+)*2, *3

Always

Below 1 Ω

G11-23 (RL-) - L6-1 (-)*1

Always

Below 1 Ω

G11-23 (RL-) - M4-1 (-)*2, *3

Always

Below 1 Ω

G11-9 (RR+) or M1-2 (+) - Body ground

Always

10 kΩ or higher

G11-24 (RR-) or M1-1 (-) - Body ground

Always

10 kΩ or higher

G11-8 (RL+) or L6-2 (+) - Body ground*1

Always

10 kΩ or higher

G11-8 (RL+) or M4-2 (+) - Body ground*2, *3

Always

10 kΩ or higher

G11-23 (RL-) or L6-1 (-) - Body ground*1

Always

10 kΩ or higher

G11-23 (RL-) or M4-1 (-) - Body ground*2, *3

Always

10 kΩ or higher

  • *1: Door Trim Wood Panel Type, w/o Ambient Light
  • *2: Except Door Trim Wood Panel Type
  • *3: w/ Ambient Light
NG

REPAIR OR REPLACE HARNESS OR CONNECTOR

OK

13.

INSPECT REAR SPEAKER ASSEMBLY

(a) Remove the rear speaker assembly.

Click here

(b) Inspect the rear speaker assembly.

Click here

OK

PROCEED TO NEXT SUSPECTED AREA SHOWN IN PROBLEM SYMPTOMS TABLE

NG

REPLACE REAR SPEAKER ASSEMBLY

14.

CHECK HARNESS AND CONNECTOR (STEREO COMPONENT AMPLIFIER ASSEMBLY - SPEAKER ASSEMBLY WITH BRACKET)

(a) Disconnect the G11 stereo component amplifier assembly connector.

(b) Disconnect the N75 speaker assembly with bracket connector.

(c) Measure the resistance according to the value(s) in the table below.

Standard Resistance:

Tester Connection

Condition

Specified Condition

G11-6 (WF1+) - N75-2 (WF1+)

Always

Below 1 Ω

G11-21 (WF1-) - N75-1 (WF1-)

Always

Below 1 Ω

G11-6 (WF1+) or N75-2 (WF1+) - Body ground

Always

10 kΩ or higher

G11-21 (WF1-) or N75-1 (WF1-) - Body ground

Always

10 kΩ or higher

NG

REPAIR OR REPLACE HARNESS OR CONNECTOR

OK

15.

INSPECT SPEAKER ASSEMBLY WITH BRACKET

(a) Remove the speaker assembly with bracket.

Click here

(b) Inspect the speaker assembly with bracket.

Click here

OK

PROCEED TO NEXT SUSPECTED AREA SHOWN IN PROBLEM SYMPTOMS TABLE

NG

REPLACE SPEAKER ASSEMBLY WITH BRACKET

16.

CHECK SPEAKER (OPERATION CHECK)

(a) Enter the "System Check Mode" screen. Refer to Check Speaker in Operation Check.

Click here

(b) Perform the operation check above and determine the speaker that is not operating.

Not Operating Speaker

Proceed to

Front No. 2 speaker assembly (w/ Manual (SOS) Switch)

A

Front No. 2 speaker assembly (w/o Manual (SOS) Switch)

B

Front No. 1 speaker assembly

C

Front No. 3 speaker assembly

D

Front No. 4 speaker assembly

E

Rear speaker assembly

F

Speaker assembly with bracket

G

HINT:

If sound cannot be heard from any speaker, inspect all of them.

B

GO TO STEP 20

C

GO TO STEP 22

D

GO TO STEP 24

E

GO TO STEP 26

F

GO TO STEP 28

G

GO TO STEP 30

A

17.

CHECK HARNESS AND CONNECTOR (STEREO COMPONENT AMPLIFIER ASSEMBLY - DCM (TELEMATICS TRANSCEIVER) - FRONT NO. 2 SPEAKER ASSEMBLY)

(a) Disconnect the G11 stereo component amplifier assembly connector.

(b) Disconnect the G129 DCM (telematics transceiver) connector.

(c) Disconnect the G78 and G79 front No. 2 speaker assembly connectors.

(d) Measure the resistance according to the value(s) in the table below.

Standard Resistance:

Tester Connection

Condition

Specified Condition

G11-13 (FR+) - G129-1 (SPI+)

Always

Below 1 Ω

G11-28 (FR-) - G129-2 (SPI-)

Always

Below 1 Ω

G129-3 (SPO+) - G78-2 (+)

Always

Below 1 Ω

G129-4 (SPO-) - G78-1 (-)

Always

Below 1 Ω

G11-12 (FL+) - G79-2 (+)

Always

Below 1 Ω

G11-27 (FL-) - G79-1 (-)

Always

Below 1 Ω

G11-13 (FR+) or G129-1 (SPI+) - Body ground

Always

10 kΩ or higher

G11-28 (FR-) or G129-2 (SPI-) - Body ground

Always

10 kΩ or higher

G11-12 (FL+) or G79-2 (+) - Body ground

Always

10 kΩ or higher

G11-27 (FL-) or G79-1 (-) - Body ground

Always

10 kΩ or higher

G129-3 (SPO+) or G78-2 (+) - Body ground

Always

10 kΩ or higher

G129-4 (SPO-) or G78-1 (-) - Body ground

Always

10 kΩ or higher

NG

REPAIR OR REPLACE HARNESS OR CONNECTOR

OK

18.

REPLACE FRONT NO. 2 SPEAKER ASSEMBLY

(a) Remove the front No. 2 speaker assembly.

Click here

(b) Inspect the front No. 2 speaker assembly.

Click here

OK:

Malfunction disappears.

OK

END

NG

19.

INSPECT DCM (TELEMATICS TRANSCEIVER)

(a) Remove the DCM (telematics transceiver).

Click here

(b) Measure the resistance according to the value(s) in the table below.

Standard Resistance:

Tester Connection

Condition

Specified Condition

1 (SPI+) - 3 (SPO+)

Always

Below 1 Ω

2 (SPI-) - 4 (SPO-)

Always

Below 1 Ω

1 (SPI+) - 2 (SPI-)

Always

10 kΩ or higher

3 (SPO+) - 4 (SPO-)

Always

10 kΩ or higher

2 (SPI-) or 4 (SPO-) - Body ground

Always

10 kΩ or higher

1 (SPI+) or 3 (SPO+) - Body ground

Always

10 kΩ or higher

*a

Component without harness connected

(DCM (Telematics Transceiver))

OK

PROCEED TO NEXT SUSPECTED AREA SHOWN IN PROBLEM SYMPTOMS TABLE

NG

REPLACE DCM (TELEMATICS TRANSCEIVER)

20.

CHECK HARNESS AND CONNECTOR (STEREO COMPONENT AMPLIFIER ASSEMBLY - FRONT NO. 2 SPEAKER ASSEMBLY)

(a) Disconnect the G11 stereo component amplifier assembly connector.

(b) Disconnect the G78 and G79 front No. 2 speaker assembly connectors.

(c) Measure the resistance according to the value(s) in the table below.

Standard Resistance:

Tester Connection

Condition

Specified Condition

G11-13 (FR+) - G78-2 (+)

Always

Below 1 Ω

G11-28 (FR-) - G78-1 (-)

Always

Below 1 Ω

G11-12 (FL+) - G79-2 (+)

Always

Below 1 Ω

G11-27 (FL-) - G79-1 (-)

Always

Below 1 Ω

G11-13 (FR+) or G78-2 (+) - Body ground

Always

10 kΩ or higher

G11-28 (FR-) or G78-1 (-) - Body ground

Always

10 kΩ or higher

G11-12 (FL+) or G79-2 (+) - Body ground

Always

10 kΩ or higher

G11-27 (FL-) or G79-1 (-) - Body ground

Always

10 kΩ or higher

NG

REPAIR OR REPLACE HARNESS OR CONNECTOR

OK

21.

REPLACE FRONT NO. 2 SPEAKER ASSEMBLY

(a) Remove the front No. 2 speaker assembly.

Click here

(b) Inspect the front No. 2 speaker assembly.

Click here

OK:

Malfunction disappears.

OK

END

NG

PROCEED TO NEXT SUSPECTED AREA SHOWN IN PROBLEM SYMPTOMS TABLE

22.

CHECK HARNESS AND CONNECTOR (STEREO COMPONENT AMPLIFIER ASSEMBLY - FRONT NO. 1 SPEAKER ASSEMBLY)

(a) Disconnect the G11 stereo component amplifier assembly connector.

(b) Disconnect the J2 and J19 front No. 1 speaker assembly connectors.

(c) Measure the resistance according to the value(s) in the table below.

Standard Resistance:

Tester Connection

Condition

Specified Condition

G11-5 (WFR+) - J2-2 (WF+)

Always

Below 1 Ω

G11-20 (WFR-) - J2-1 (WF-)

Always

Below 1 Ω

G11-4 (WFL+) - J19-2 (WF+)

Always

Below 1 Ω

G11-19 (WFL-) - J19-1 (WF-)

Always

Below 1 Ω

G11-5 (WFR+) or J2-2 (WF+) - Body ground

Always

10 kΩ or higher

G11-20 (WFR-) or J2-1 (WF-) - Body ground

Always

10 kΩ or higher

G11-4 (WFL+) or J19-2 (WF+) - Body ground

Always

10 kΩ or higher

G11-19 (WFL-) or J19-1 (WF-) - Body ground

Always

10 kΩ or higher

NG

REPAIR OR REPLACE HARNESS OR CONNECTOR

OK

23.

INSPECT FRONT NO. 1 SPEAKER ASSEMBLY

(a) Remove the front No. 1 speaker assembly.

Click here

(b) Inspect the front No. 1 speaker assembly.

Click here

OK

PROCEED TO NEXT SUSPECTED AREA SHOWN IN PROBLEM SYMPTOMS TABLE

NG

REPLACE FRONT NO. 1 SPEAKER ASSEMBLY

24.

CHECK HARNESS AND CONNECTOR (STEREO COMPONENT AMPLIFIER ASSEMBLY - FRONT NO. 3 SPEAKER ASSEMBLY)

(a) Disconnect the G11 stereo component amplifier assembly connector.

(b) Disconnect the H6 front No. 3 speaker assembly connector.

(c) Measure the resistance according to the value(s) in the table below.

Standard Resistance:

Tester Connection

Condition

Specified Condition

G11-7 (CTR+) - H6-2 (+)

Always

Below 1 Ω

G11-22 (CTR-) - H6-1 (-)

Always

Below 1 Ω

G11-7 (CTR+) or H6-2 (+) - Body ground

Always

10 kΩ or higher

G11-22 (CTR-) or H6-1 (-) - Body ground

Always

10 kΩ or higher

NG

REPAIR OR REPLACE HARNESS OR CONNECTOR

OK

25.

REPLACE FRONT NO. 3 SPEAKER ASSEMBLY

(a) Remove the front No. 3 speaker assembly.

Click here

(b) Inspect the front No. 3 speaker assembly.

Click here

OK:

Malfunction disappears.

OK

END

NG

PROCEED TO NEXT SUSPECTED AREA SHOWN IN PROBLEM SYMPTOMS TABLE

26.

CHECK HARNESS AND CONNECTOR (STEREO COMPONENT AMPLIFIER ASSEMBLY - FRONT NO. 4 SPEAKER ASSEMBLY)

(a) Disconnect the G11 stereo component amplifier assembly connector.

(b) Disconnect the J1 and J18 front No. 4 speaker assembly connectors.

(c) Measure the resistance according to the value(s) in the table below.

Standard Resistance:

Tester Connection

Condition

Specified Condition

G11-11 (TWR+) - J1-2 (+)

Always

Below 1 Ω

G11-26 (TWR-) - J1-1 (-)

Always

Below 1 Ω

G11-10 (TWL+) - J18-2 (+)

Always

Below 1 Ω

G11-25 (TWL-) - J18-1 (-)

Always

Below 1 Ω

G11-11 (TWR+) or J1-2 (+) - Body ground

Always

10 kΩ or higher

G11-26 (TWR-) or J1-1 (-) - Body ground

Always

10 kΩ or higher

G11-10 (TWL+) or J18-2 (+) - Body ground

Always

10 kΩ or higher

G11-25 (TWL-) or J18-1 (-) - Body ground

Always

10 kΩ or higher

NG

REPAIR OR REPLACE HARNESS OR CONNECTOR

OK

27.

REPLACE FRONT NO. 4 SPEAKER ASSEMBLY

(a) Remove the front No. 4 speaker assembly.

Click here

(b) Inspect the front No. 4 speaker assembly.

Click here

OK:

Malfunction disappears.

OK

END

NG

PROCEED TO NEXT SUSPECTED AREA SHOWN IN PROBLEM SYMPTOMS TABLE

28.

CHECK HARNESS AND CONNECTOR (STEREO COMPONENT AMPLIFIER ASSEMBLY - REAR SPEAKER ASSEMBLY)

(a) Disconnect the G11 stereo component amplifier assembly connector.

(b) Disconnect the M1 and M4 rear speaker assembly connectors.

(c) Measure the resistance according to the value(s) in the table below.

Standard Resistance:

Tester Connection

Condition

Specified Condition

G11-9 (RR+) - M1-2 (+)

Always

Below 1 Ω

G11-24 (RR-) - M1-1 (-)

Always

Below 1 Ω

G11-8 (RL+) - M4-2 (+)

Always

Below 1 Ω

G11-23 (RL-) - M4-1 (-)

Always

Below 1 Ω

G11-9 (RR+) or M1-2 (+) - Body ground

Always

10 kΩ or higher

G11-24 (RR-) or M1-1 (-) - Body ground

Always

10 kΩ or higher

G11-8 (RL+) or M4-2 (+) - Body ground

Always

10 kΩ or higher

G11-23 (RL-) or M4-1 (-) - Body ground

Always

10 kΩ or higher

NG

REPAIR OR REPLACE HARNESS OR CONNECTOR

OK

29.

REPLACE REAR SPEAKER ASSEMBLY

(a) Remove the rear speaker assembly.

Click here

(b) Inspect the rear speaker assembly.

Click here

OK:

Malfunction disappears.

OK

END

NG

PROCEED TO NEXT SUSPECTED AREA SHOWN IN PROBLEM SYMPTOMS TABLE

30.

CHECK HARNESS AND CONNECTOR (STEREO COMPONENT AMPLIFIER ASSEMBLY - SPEAKER ASSEMBLY WITH BRACKET)

(a) Disconnect the G11 stereo component amplifier assembly connector.

(b) Disconnect the N75 speaker assembly with bracket connector.

(c) Measure the resistance according to the value(s) in the table below.

Standard Resistance:

Tester Connection

Condition

Specified Condition

G11-6 (WF1+) - N75-2 (WF1+)

Always

Below 1 Ω

G11-21 (WF1-) - N75-1 (WF1-)

Always

Below 1 Ω

G11-6 (WF1+) or N75-2 (WF1+) - Body ground

Always

10 kΩ or higher

G11-21 (WF1-) or N75-1 (WF1-) - Body ground

Always

10 kΩ or higher

NG

REPAIR OR REPLACE HARNESS OR CONNECTOR

OK

31.

INSPECT SPEAKER ASSEMBLY WITH BRACKET

(a) Remove the speaker assembly with bracket.

Click here

(b) Inspect the speaker assembly with bracket.

Click here

OK

PROCEED TO NEXT SUSPECTED AREA SHOWN IN PROBLEM SYMPTOMS TABLE

NG

REPLACE SPEAKER ASSEMBLY WITH BRACKET

READ NEXT:

 Steering Pad Switch Circuit

DESCRIPTION This circuit sends an operation signal from the steering pad switch assembly to the radio receiver assembly. If there is an open in the circuit, the audio system cannot be operated using t

 Stereo Jack Adapter Light does not Illuminate

DESCRIPTION Power is supplied to the No. 1 stereo jack adapter assembly illumination from the radio receiver assembly. WIRING DIAGRAM CAUTION / NOTICE / HINT NOTICE: Depending on the parts that ar

 Switch Lights of Remote Touch Always Illuminate or cannot be Controlled Using Rheostat

DESCRIPTION Power is supplied to the remote touch (remote operation controller assembly) illumination when the light control switch is in the tail or head position. HINT: When the remote touch (rem

SEE MORE:

 FL Speed Sensor Wrong Installation (X0451)

DESCRIPTION Code Tester Display Measurement Item Trouble Area X0451 FL Speed Sensor Wrong Installation History of front speed sensor LH being installed incorrectly Front speed sensor LH PROCEDURE 1. CHECK FOR DTCs (HEALTH CHECK) (a) Perform the Health Check using the T

 Radio Receiver Assembly Communication Stop Mode

DESCRIPTION Detection Item Symptom Trouble Area Radio Receiver Assembly Communication Stop Mode Any of the following conditions are met: Communication stop for "Display and Navigation (AVN)" is indicated on the "Communication Bus Check" screen of the Techstream. Click here Commu

© 2016-2025 Copyright www.lexguide.net