Lexus ES: Relay
On-vehicle Inspection
ON-VEHICLE INSPECTION
PROCEDURE
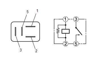
1. INSPECT H-LP LH RELAY
(a) Measure the resistance according to the value(s) in the table below.
Standard Resistance:
| Tester Connection | Condition | Specified Condition |
| 3 - 5 | Voltage not applied between terminals 1 and 2 | 10 kΩ or higher |
| 3 - 5 | Voltage applied between terminals 1 and 2 | Below 1 Ω |
If the result is not as specified, replace the H-LP LH relay.
2. INSPECT H-LP RH RELAY
(a) Measure the resistance according to the value(s) in the table below.
Standard Resistance:
| Tester Connection | Condition | Specified Condition |
| 3 - 5 | Voltage not applied between terminals 1 and 2 | 10 kΩ or higher |
| 3 - 5 | Voltage applied between terminals 1 and 2 | Below 1 Ω |
If the result is not as specified, replace the H-LP RH relay.
READ NEXT:
COMPONENTS ILLUSTRATION *A w/o Panoramic View Monitor System *B w/ Panoramic View Monitor System *1 OUTER MIRROR *2 OUTER MIRROR COVER ASSEMBLY *3 OUTER MIRROR LOWER COVER
REMOVAL CAUTION / NOTICE / HINT The necessary procedures (adjustment, calibration, initialization, or registration) that must be performed after parts are removed and installed, or replaced during sid
SEE MORE:
DATA LIST / ACTIVE TEST DATA LIST HINT: Using the Techstream to read the Data List allows the values or states of switches, sensors, actuators and other items to be read without removing any parts. This non-intrusive inspection can be very useful because intermittent conditions or signals may be dis
REMOVAL CAUTION / NOTICE / HINT The necessary procedures (adjustment, calibration, initialization, or registration) that must be performed after parts are removed and installed, or replaced during steering knuckle removal/installation are shown below. Necessary Procedures After Parts Removed/Install
© 2016-2025 Copyright www.lexguide.net
