Lexus ES: Relay
On-vehicle Inspection
ON-VEHICLE INSPECTION
PROCEDURE
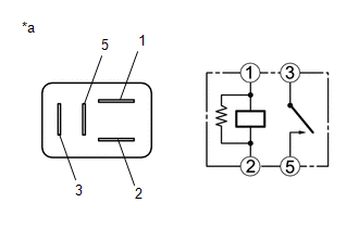
1. INSPECT AVS RELAY
| (a) Measure the resistance according to the value(s) in the table below. Standard Resistance: | Tester Connection | Condition | Specified Condition | | 3 - 5 | Voltage not applied between terminals 1 and 2 | 10 kΩ or higher | | 3 - 5 | Voltage applied between terminals 1 and 2 | Below 1 Ω | If the result is not as specified, replace the AVS Relay. | | | *a | Component without harness connected (AVS Relay) | | |
READ NEXT:
COMPONENTS ILLUSTRATION *A for Type A *B for Type B *1 LUGGAGE COMPARTMENT FLOOR MAT *2 LUGGAGE COMPARTMENT TRIM COVER RH *3 LUGGAGE COMPARTMENT TRIM INNER COVER RH *4 RE
REMOVAL CAUTION / NOTICE / HINT The necessary procedures (adjustment, calibration, initialization or registration) that must be performed after parts are removed and installed, or replaced during abso
SEE MORE:
DTC CHECK / CLEAR NOTICE: When the diagnosis system is changed from normal mode to check mode or vice versa, all DTCs and freeze frame data recorded in normal mode are cleared. Before changing modes, always check and make a note of DTCs and freeze frame data. HINT:
DTCs which are stored in the hy
DATA LIST / ACTIVE TEST DATA LIST NOTICE: In the table below, the values listed under "Normal Condition" are reference values. Do not depend solely on these reference values when deciding whether a part is faulty or not. HINT: Using the Techstream to read the Data List allows the values or states of
© 2016-2026 Copyright www.lexguide.net
