Lexus ES: Relay
Inspection
INSPECTION
PROCEDURE
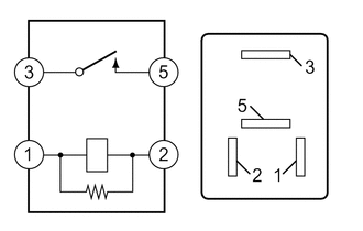
1. INSPECT ST RELAY
| (a) Check the resistance. (1) Measure the resistance according to the value(s) in the table below. Standard Resistance: | Tester Connection | Condition | Specified Condition | | 3 - 5 | Battery voltage not applied to terminals 1 and 2 | 10 kΩ or higher | | Battery voltage applied to terminals 1 and 2 | Below 1 Ω | If the result is not as specified, replace the ST relay. | |
READ NEXT:
COMPONENTS ILLUSTRATION *1 FLYWHEEL HOUSING SIDE COVER *2 STARTER ASSEMBLY *3 NO. 2 ENGINE WIRE - - Tightening torque for "Major areas involving basic vehicle performance su
DISASSEMBLY PROCEDURE 1. REMOVE MAGNET STARTER SWITCH ASSEMBLY (a) Remove the 2 bolts. (b) While lifting the rear of the magnet starter switch assembly disconnect it from terminal C.
SEE MORE:
REMOVAL CAUTION / NOTICE / HINT The necessary procedures (adjustment, calibration, initialization or registration) that must be performed after parts are removed and installed, or replaced during camshaft timing gear bolt removal/installation are shown below. Necessary Procedures After Parts Removed
DESCRIPTION When the engine switch is on (IG), the power window regulator motor assembly (for rear LH door) is operated by the rear power window regulator switch assembly (for LH door). The power window regulator motor assembly (for rear LH door) has motor, regulator, and ECU functions. WIRING DIAGR
© 2016-2025 Copyright www.lexguide.net
