Lexus ES manuals

Lexus ES: Lost Communication with Steering Heater ECU (B14B7)

Lexus ES (XZ10) Service Manual / Steering / Steering Column / Heated Steering Wheel System (for Hv Model) / Lost Communication with Steering Heater ECU (B14B7)

DESCRIPTION

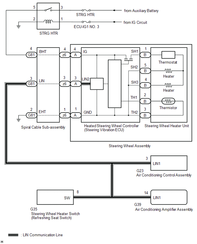
The heated steering wheel controller (steering vibration ECU) communicates with the air conditioning amplifier assembly via LIN communication.

B14B7 is output when a communication malfunction is detected with the air conditioner amplifier assembly and heated steering wheel controller (steering vibration ECU).

DTC No.

Detection Item

DTC Detection Condition

Trouble Area

B14B7

Lost Communication with Steering Heater ECU

  • Diagnosis condition: Power switch on (IG)
  • Malfunction status: Lost communication with air conditioning amplifier assembly and heated steering wheel controller (steering vibration ECU)
  • Detection time: Continuously for 10 seconds or more
  • Heated steering wheel controller (Steering vibration ECU)
  • Air conditioning amplifier assembly
  • Air conditioning control assembly
  • Steering wheel heater switch (Refreshing seat switch)
  • Spiral cable sub-assembly
  • Harness or connector

WIRING DIAGRAM

CAUTION / NOTICE / HINT

NOTICE:

  • Inspect the fuses for circuits related to this system before performing the following procedure.
  • The vehicle is equipped with a Supplemental Restraint System (SRS) which includes components such as airbags. Before servicing (including removal or installation of parts), be sure to read the precaution for Supplemental Restraint System.

    Click here

PROCEDURE

1.

CHECK FOR DTCs

(a) Check for DTCs.

Body Electrical > Air Conditioner > Trouble Codes

Result

Proceed to

Only DTC B14B7 is output

A

DTC B14B7 and B14B2 are output

B

DTC B14B7 and B14B5 are output

C

B

GO TO STEP 5

C

GO TO STEP 9

A

2.

CHECK HARNESS OR CONNECTOR (HEATED STEERING WHEEL CONTROLLER (STEERING VIBRATION ECU) POWER SOURCE CIRCUIT)

(a) Disconnect the G81 spiral cable with sensor sub-assembly connector.

*a

Front view of wire harness connector

(to Spiral Cable with Sensor Sub-assembly)

(b) Measure the voltage according to the value(s) in the table below.

Standard Voltage:

Tester Connection

Condition

Specified Condition

G81-4 (BHT) - Body ground

Power switch on (IG)

11 to 14 V

G81-4 (BHT) - Body ground

Power switch off

Below 1 V

(c) Measure the resistance according to the value(s) in the table below.

Standard Resistance:

Tester Connection

Condition

Specified Condition

G81-2 (EHT) - Body ground

Always

Below 1 Ω

NG

REPAIR OR REPLACE HARNESS OR CONNECTOR (HEATED STEERING WHEEL CONTROLLER (STEERING VIBRATION ECU) POWER SOURCE CIRCUIT)

OK

3.

INSPECT SPIRAL CABLE SUB-ASSEMBLY

(a) Remove the spiral cable sub-assembly.

Click here

(b) Inspect the spiral cable sub-assembly.

Click here

NG

REPLACE SPIRAL CABLE SUB-ASSEMBLY

OK

4.

CHECK HARNESS OR CONNECTOR (SPIRAL CABLE WITH SENSOR SUB-ASSEMBLY - AIR CONDITIONING AMPLIFIER ASSEMBLY)

(a) Disconnect the G81 spiral cable with sensor sub-assembly connector.

(b) Disconnect the G39 air conditioning amplifier assembly connector.

(c) Disconnect the G23 air conditioning control assembly connector.

(d) Disconnect the G35 Steering Wheel Heater Switch (Refreshing Seat Switch) connector.

(e) Measure the resistance according to the value(s) in the table below.

Standard Resistance:

Tester Connection

Condition

Specified Condition

G81-3 (LIN) - G39-14 (LIN1)

Always

Below 1 Ω

OK

REPLACE HEATED STEERING WHEEL CONTROLLER (STEERING VIBRATION ECU)

NG

REPAIR OR REPLACE HARNESS OR CONNECTOR (SPIRAL CABLE WITH SENSOR SUB-ASSEMBLY - AIR CONDITIONING AMPLIFIER ASSEMBLY)

5.

CHECK HARNESS OR CONNECTOR (SPIRAL CABLE WITH SENSOR SUB-ASSEMBLY - AIR CONDITIONING AMPLIFIER ASSEMBLY AND AIR CONDITIONING CONTROL ASSEMBLY)

(a) Disconnect the G81 spiral cable with sensor sub-assembly connector.

(b) Disconnect the G39 air conditioning amplifier assembly connector.

(c) Disconnect the G23 air conditioning control assembly connector.

(d) Disconnect the G35 Steering Wheel Heater Switch (Refreshing Seat Switch) connector.

(e) Measure the resistance according to the value(s) in the table below.

Standard Resistance:

Tester Connection

Condition

Specified Condition

G81-3 (LIN) - G39-14 (LIN1)

Always

Below 1 Ω

G81-3 (LIN), G39-14 (LIN1) or G23-3 (LIN1) - Body ground

Always

10 kΩ or higher

NG

REPAIR OR REPLACE HARNESS OR CONNECTOR (SPIRAL CABLE WITH SENSOR SUB-ASSEMBLY - AIR CONDITIONING AMPLIFIER ASSEMBLY AND AIR CONDITIONING CONTROL ASSEMBLY)

OK

6.

CHECK FOR DTCs

(a) Clear the DTCs.

Body Electrical > Air Conditioner > Clear DTCs

(b) Disconnect the G23 air conditioning control assembly connector.

(c) Make sure that the DTC detection conditions are met.

HINT:

If the detection conditions are not met, the system cannot detect the malfunction.

(d) Check for DTCs.

Body Electrical > Air Conditioner > Trouble Codes

Result

Proceed to

Only DTC B14B2 is output

A

DTC B14B2 and B14B7 are output

B

A

REPLACE AIR CONDITIONING CONTROL ASSEMBLY

B

7.

CHECK FOR DTCs

(a) Clear the DTCs.

Body Electrical > Air Conditioner > Clear DTCs

(b) Disconnect the z6 spiral cable with sensor sub-assembly connector.

(c) Make sure that the DTC detection conditions are met.

HINT:

If the detection conditions are not met, the system cannot detect the malfunction.

(d) Check for DTCs.

Body Electrical > Air Conditioner > Trouble Codes

Result

Proceed to

Only DTC B14B7 is output

A

DTC B14B2 and B14B7 are output

B

A

REPLACE HEATED STEERING WHEEL CONTROLLER (STEERING VIBRATION ECU)

B

8.

CHECK FOR DTCs

(a) Clear the DTCs.

Body Electrical > Air Conditioner > Clear DTCs

(b) Disconnect the G81 spiral cable with sensor sub-assembly connector.

(c) Make sure that the DTC detection conditions are met.

HINT:

If the detection conditions are not met, the system cannot detect the malfunction.

(d) Check for DTCs.

Body Electrical > Air Conditioner > Trouble Codes

Result

Proceed to

Only DTC B14B7 is output

A

DTC B14B2 and B14B7 are output

B

A

REPLACE SPIRAL CABLE SUB-ASSEMBLY

B

REPLACE AIR CONDITIONING AMPLIFIER ASSEMBLY

9.

CHECK HARNESS OR CONNECTOR (SPIRAL CABLE WITH SENSOR SUB-ASSEMBLY - AIR CONDITIONING AMPLIFIER ASSEMBLY AND STEERING WHEEL HEATER SWITCH)

(a) Disconnect the G81 spiral cable with sensor sub-assembly connector.

(b) Disconnect the G39 air conditioning amplifier assembly connector.

(c) Disconnect the G35 Steering Wheel Heater Switch (Refreshing Seat Switch) connector.

(d) Disconnect the G23 air conditioning control assembly connector.

(e) Measure the resistance according to the value(s) in the table below.

Standard Resistance:

Tester Connection

Condition

Specified Condition

G81-3 (LIN) - G39-14 (LIN1)

Always

Below 1 Ω

G81-3 (LIN), G39-14 (LIN1) or G35-8 (SW) - Body ground

Always

10 kΩ or higher

NG

REPAIR OR REPLACE HARNESS OR CONNECTOR (SPIRAL CABLE WITH SENSOR SUB-ASSEMBLY - AIR CONDITIONING AMPLIFIER ASSEMBLY AND STEERING WHEEL HEATER SWITCH)

OK

10.

CHECK FOR DTCs

(a) Clear the DTCs.

Body Electrical > Air Conditioner > Clear DTCs

(b) Disconnect the G35 Steering Wheel Heater Switch (Refreshing Seat Switch) connector.

(c) Make sure that the DTC detection conditions are met.

HINT:

If the detection conditions are not met, the system cannot detect the malfunction.

(d) Check for DTCs.

Body Electrical > Air Conditioner > Trouble Codes

Result

Proceed to

Only DTC B14B5 is output

A

DTC B14B5 and B14B7 are output

B

A

REPLACE STEERING WHEEL HEATER SWITCH (REFRESHING SEAT SWITCH)

B

11.

CHECK FOR DTCs

(a) Clear the DTCs.

Body Electrical > Air Conditioner > Clear DTCs

(b) Disconnect the z6 spiral cable with sensor sub-assembly connector.

(c) Make sure that the DTC detection conditions are met.

HINT:

If the detection conditions are not met, the system cannot detect the malfunction.

(d) Check for DTCs.

Body Electrical > Air Conditioner > Trouble Codes

Result

Proceed to

Only DTC B14B7 is output

A

DTC B14B5 and B14B7 are output

B

A

REPLACE HEATED STEERING WHEEL CONTROLLER (STEERING VIBRATION ECU)

B

12.

CHECK FOR DTCs

(a) Clear the DTCs.

Body Electrical > Air Conditioner > Clear DTCs

(b) Disconnect the G81 spiral cable with sensor sub-assembly connector.

(c) Make sure that the DTC detection conditions are met.

HINT:

If the detection conditions are not met, the system cannot detect the malfunction.

(d) Check for DTCs.

Body Electrical > Air Conditioner > Trouble Codes

Result

Proceed to

Only DTC B14B7 is output

A

DTC B14B5 and B14B7 are output

B

A

REPLACE SPIRAL CABLE SUB-ASSEMBLY

B

REPLACE AIR CONDITIONING AMPLIFIER ASSEMBLY

READ NEXT:

 Steering Wheel does not Heat Up When Heated Steering Wheel Switch is Pressed

DESCRIPTION Click here WIRING DIAGRAM Click here CAUTION / NOTICE / HINT NOTICE: The vehicle is equipped with a Supplemental Restraint System (SRS) which includes components such as airbags. Befor

 Multiplex Tilt And Telescopic Ecu

ComponentsCOMPONENTS ILLUSTRATION *1 LOWER STEERING COLUMN COVER SUB-ASSEMBLY *2 MULTIPLEX TILT AND TELESCOPIC ECU RemovalREMOVAL PROCEDURE 1. CHANGE POWER TILT AND POWER TELESCOPIC STE

 Power Tilt And Power Telescopic Steering Column System (for Hv Model)

SEE MORE:

 Driver Side Power Mirror cannot be Adjusted with Power Mirror Switch

DESCRIPTION The outer mirror switch assembly sends the mirror adjust switch signals to the main body ECU (multiplex network body ECU). The main body ECU (multiplex network body ECU) then sends the received mirror adjust switch signals to the outer mirror control ECU assembly (driver door) via CAN co

 Drive Motor "A" Control Module Unexpected Operation (P0A1B94)

DTC SUMMARY MALFUNCTION DESCRIPTION The hybrid vehicle control ECU monitors the motor generator control ECU (MG ECU). The cause of this malfunction may be the following: Motor generator control ECU internal malfunction Motor generator control ECU (MG ECU) malfunction DESCRIPTION The hybrid veh

© 2016-2026 Copyright www.lexguide.net