Lexus ES manuals

Lexus ES: Check Bus 2 Line for Short to +B

DESCRIPTION

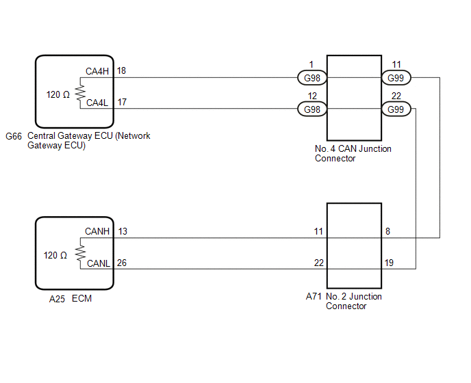
There may be a short circuit between one of the CAN bus lines and +B when there is no resistance between terminal 18 (CA4H) of the central gateway ECU (network gateway ECU) and terminal 16 (BAT) of the DLC3, or terminal 17 (CA4L) of the central gateway ECU (network gateway ECU) and terminal 16 (BAT) of the DLC3.

Symptom

Trouble Area

There is no resistance between terminal 18 (CA4H) of the central gateway ECU (network gateway ECU) and terminal 16 (BAT) of the DLC3, or terminal 17 (CA4L) of the central gateway ECU (network gateway ECU) and terminal 16 (BAT) of the DLC3.

  • Short to +B in CAN main bus line
  • Short to +B in CAN branch line
  • Central gateway ECU (network gateway ECU)
  • ECM
  • No. 4 CAN junction connector
  • No. 2 junction connector

WIRING DIAGRAM

CAUTION / NOTICE / HINT

CAUTION:

When performing the confirmation driving pattern, obey all speed limits and traffic laws.

NOTICE:

  • Because the order of diagnosis is important to allow correct diagnosis, make sure to begin troubleshooting using How to Proceed with Troubleshooting when CAN communication system related DTCs are output.

    Click here

  • Before measuring the resistance of the CAN bus, turn the engine switch off and leave the vehicle for 1 minute or more without operating the key or any switches, or opening or closing the doors. After that, disconnect the cable from the negative (-) battery terminal and leave the vehicle for 1 minute or more before measuring the resistance.
  • After turning the engine switch off, waiting time may be required before disconnecting the cable from the negative (-) battery terminal. Therefore, make sure to read the disconnecting the cable from the negative (-) battery terminal notices before proceeding with work.

    Click here

  • After performing repairs, perform the DTC check procedure and confirm that the DTCs are not output again.

    DTC check procedure: Turn the engine switch on (IG) and wait for 1 minute or more. Then operate the suspected malfunctioning system and drive the vehicle at 60 km/h (37 mph) or more for 5 minutes or more.

  • After the repair, perform the CAN bus check and check that all the ECUs and sensors connected to the CAN communication system are displayed as normal.

    Click here

HINT:

  • Before disconnecting related connectors for inspection, push in on each connector body to check that the connector is not loose or disconnected.
  • When a connector is disconnected, check that the terminals and connector body are not cracked, deformed or corroded.

PROCEDURE

1.

CHECK FOR SHORT TO +B IN CAN BUS LINE (NO. 2 JUNCTION CONNECTOR)

(a) Disconnect the cable from the negative (-) battery terminal.

(b) Disconnect the A71 No. 2 junction connector.

(c) Measure the resistance according to the value(s) in the table below.

*1

DLC3

-

-

*a

Front view of wire harness connector

(to No. 2 Junction Connector)

*b

to No. 4 CAN Junction Connector

*c

to ECM

-

-

Standard Resistance:

Tester Connection

Condition

Specified Condition

Connected to

A71-8 (CANH) - G57-16 (BAT)

Cable disconnected from negative (-) battery terminal

6 kΩ or higher

No. 4 CAN junction connector

A71-19 (CANL) - G57-16 (BAT)

A71-11 (CANH) - G57-16 (BAT)

Cable disconnected from negative (-) battery terminal

6 kΩ or higher

ECM

A71-22 (CANL) - G57-16 (BAT)

Result

Proceed to

OK

A

NG (Line to ECU)

B

NG (Line to No. 4 CAN junction connector)

C

A

REPLACE NO. 2 JUNCTION CONNECTOR

C

GO TO STEP 3

B

2.

CHECK FOR SHORT TO +B IN CAN BUS LINE (NO. 2 JUNCTION CONNECTOR - ECM)

(a) Disconnect the A25 ECM connector.

(b) Measure the resistance according to the value(s) in the table below.

*1

DLC3

-

-

*a

Front view of wire harness connector

(to No. 2 Junction Connector)

*b

to ECM

Standard Resistance:

Tester Connection

Condition

Specified Condition

A71-11 (CANH) - G57-16 (BAT)

Cable disconnected from negative (-) battery terminal

6 kΩ or higher

A71-22 (CANL) - G57-16 (BAT)

OK

REPLACE ECM

NG

REPAIR OR REPLACE CAN MAIN BUS LINE OR CONNECTOR (NO. 2 JUNCTION CONNECTOR - ECM)

3.

CHECK FOR SHORT TO +B IN CAN BUS LINE (NO. 4 CAN JUNCTION CONNECTOR - NO. 2 JUNCTION CONNECTOR)

(a) Disconnect the G99 No. 4 CAN junction connector.

(b) Measure the resistance according to the value(s) in the table below.

*1

DLC3

-

-

*a

Front view of wire harness connector

(to No. 4 CAN Junction Connector)

*b

to No. 2 Junction Connector

Standard Resistance:

Tester Connection

Condition

Specified Condition

G99-11 (CANH) - G57-16 (BAT)

Cable disconnected from negative (-) battery terminal

6 kΩ or higher

G99-22 (CANL) - G57-16 (BAT)

NG

REPAIR OR REPLACE CAN MAIN BUS LINE OR CONNECTOR (NO. 4 CAN JUNCTION CONNECTOR - NO. 2 JUNCTION CONNECTOR)

OK

4.

CHECK FOR SHORT TO +B IN CAN BUS LINE (NO. 4 CAN JUNCTION CONNECTOR)

(a) Disconnect the G98 No. 4 CAN junction connector.

(b) Measure the resistance according to the value(s) in the table below.

*1

DLC3

-

-

*a

Front view of wire harness connector

(to No. 4 CAN Junction Connector)

*b

to Central Gateway ECU (Network Gateway ECU)

Standard Resistance:

Tester Connection

Condition

Specified Condition

G98-1 (CANH) - G57-16 (BAT)

Cable disconnected from negative (-) battery terminal

6 kΩ or higher

G98-12 (CANL) - G57-16 (BAT)

OK

REPLACE NO. 4 CAN JUNCTION CONNECTOR

NG

5.

CHECK FOR SHORT TO +B IN CAN BUS LINE (NO. 4 CAN JUNCTION CONNECTOR - CENTRAL GATEWAY ECU (NETWORK GATEWAY ECU))

(a) Disconnect the G66 central gateway ECU (network gateway ECU) connector.

(b) Measure the resistance according to the value(s) in the table below.

*1

DLC3

-

-

*a

Front view of wire harness connector

(to No. 4 CAN Junction Connector)

*b

to Central Gateway ECU (Network Gateway ECU)

Standard Resistance:

Tester Connection

Condition

Specified Condition

G98-1 (CANH) - G57-16 (BAT)

Cable disconnected from negative (-) battery terminal

6 kΩ or higher

G98-12 (CANL) - G57-16 (BAT)

OK

REPLACE CENTRAL GATEWAY ECU (NETWORK GATEWAY ECU)

NG

REPAIR OR REPLACE CAN MAIN BUS LINE OR CONNECTOR (NO. 4 CAN JUNCTION CONNECTOR - CENTRAL GATEWAY ECU (NETWORK GATEWAY ECU))

READ NEXT:

 Check Bus 2 Lines for Short Circuit

DESCRIPTION There may be a short circuit between the CAN main bus lines and/or CAN branch lines when the resistance between terminals 18 (CA4H) and 17 (CA4L) of the central gateway ECU (network gatewa

 Open in Bus 2 Main Bus Line

DESCRIPTION There may be an open circuit in one of the CAN main bus lines when the resistance between terminals 18 (CA4H) and 17 (CA4L) of the central gateway ECU (network gateway ECU) is 70 Ω or hig

 Open in One Side of Bus 1 Branch Line

DESCRIPTION When the CAN bus main lines are normal (no open, short to ground, short to +B or short between lines) and there is an ECU or sensor on the "Communication Bus Check" screen that is indicate

SEE MORE:

 DC/DC Converter Stuck On (P0A949E,P0D3319)

DTC SUMMARY MALFUNCTION DESCRIPTION This DTC indicates that a large current flowed in the boost converter. The cause of this malfunction may be one of the following: Area Main Malfunction Description Hybrid vehicle transaxle assembly Open or short circuit in the motor or generator coil

 HVAC Control Module to Hybrid Powertrain Control Module Invalid Serial Data Received (U042481)

DESCRIPTION If the hybrid vehicle control ECU receives an invalid compressor control request from the air conditioning amplifier assembly via CAN communication, it will store this DTC. DTC No. Detection Item DTC Detection Condition Trouble Area MIL Warning Indicate U042481 HVAC Co

© 2016-2025 Copyright www.lexguide.net