Lexus ES manuals

Lexus ES: Open in Bus 2 Main Bus Line

DESCRIPTION

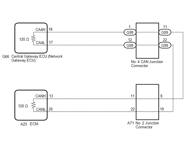
There may be an open circuit in one of the CAN main bus lines when the resistance between terminals 18 (CA4H) and 17 (CA4L) of the central gateway ECU (network gateway ECU) is 70 Ω or higher.

Symptom

Trouble Area

Resistance between terminals 18 (CA4H) and 17 (CA4L) of the central gateway ECU (network gateway ECU) is 70 Ω or higher.

  • CAN main bus lines or connector
  • Central gateway ECU (network gateway ECU)
  • ECM
  • No. 4 CAN junction connector
  • No. 2 junction connector

This malfunction is not related to the lines of a CAN branch or to ECUs or sensors connected to a CAN branch.

WIRING DIAGRAM

CAUTION / NOTICE / HINT

CAUTION:

When performing the confirmation driving pattern, obey all speed limits and traffic laws.

NOTICE:

  • Because the order of diagnosis is important to allow correct diagnosis, make sure to begin troubleshooting using How to Proceed with Troubleshooting when CAN communication system related DTCs are output.

    Click here

  • Before measuring the resistance of the CAN bus, turn the engine switch off and leave the vehicle for 1 minute or more without operating the key or any switches, or opening or closing the doors. After that, disconnect the cable from the negative (-) battery terminal and leave the vehicle for 1 minute or more before measuring the resistance.
  • After turning the engine switch off, waiting time may be required before disconnecting the cable from the negative (-) battery terminal. Therefore, make sure to read the disconnecting the cable from the negative (-) battery terminal notices before proceeding with work.

    Click here

  • After performing repairs, perform the DTC check procedure and confirm that the DTCs are not output again.

    DTC check procedure: Turn the engine switch on (IG) and wait for 1 minute or more. Then operate the suspected malfunctioning system and drive the vehicle at 60 km/h (37 mph) or more for 5 minutes or more.

  • After the repair, perform the CAN bus check and check that all the ECUs and sensors connected to the CAN communication system are displayed as normal.

    Click here

HINT:

  • Before disconnecting related connectors for inspection, push in on each connector body to check that the connector is not loose or disconnected.
  • When a connector is disconnected, check that the terminals and connector body are not cracked, deformed or corroded.

PROCEDURE

1.

CHECK FOR OPEN IN CAN MAIN BUS LINES (NO. 2 JUNCTION CONNECTOR)

(a) Disconnect the cable from the negative (-) battery terminal.

(b) Disconnect the A71 No. 2 junction connector.

(c) Measure the resistance according to the value(s) in the table below.

*a

Front view of wire harness connector

(to No. 2 Junction Connector)

*b

to No. 4 CAN Junction Connector

*c

to ECM

-

-

Standard Resistance:

Tester Connection

Condition

Specified Condition

Connected to

A71-8 (CANH) - A71-19 (CANL)

Cable disconnected from negative (-) battery terminal

108 to 132 Ω

No. 4 CAN junction connector

A71-11 (CANH) - A71-22 (CANL)

Cable disconnected from negative (-) battery terminal

108 to 132 Ω

ECM

Result

Proceed to

OK

A

NG (Line to ECM)

B

NG (Line to No. 4 CAN junction connector)

C

A

REPLACE NO. 2 JUNCTION CONNECTOR

C

GO TO STEP 3

B

2.

CHECK FOR OPEN IN CAN MAIN BUS LINES (ECM)

(a) Reconnect the A71 No. 2 junction connector.

(b) Disconnect the A25 ECM connector.

(c) Measure the resistance according to the value(s) in the table below.

Standard Resistance:

Tester Connection

Condition

Specified Condition

A25-13 (CANH) - A25-26 (CANL)

Cable disconnected from negative (-) battery terminal

108 to 132 Ω

*a

Front view of wire harness connector

(to ECM)

OK

REPLACE ECM

NG

REPAIR OR REPLACE CAN MAIN BUS LINES OR CONNECTOR (ECM - NO. 2 JUNCTION CONNECTOR)

3.

CHECK FOR OPEN IN CAN MAIN BUS LINES (NO. 4 CAN JUNCTION CONNECTOR - NO. 2 JUNCTION CONNECTOR)

(a) Reconnect the A71 No. 2 junction connector.

(b) Disconnect the G99 No. 4 CAN junction connector.

(c) Measure the resistance according to the value(s) in the table below.

*a

Front view of wire harness connector

(to No. 4 CAN Junction Connector)

*b

to No. 2 Junction Connector

Standard Resistance:

Tester Connection

Condition

Specified Condition

G99-11 (CANH) - G99-22 (CANL)

Cable disconnected from negative (-) battery terminal

108 to 132 Ω

NG

REPAIR OR REPLACE CAN MAIN BUS LINES OR CONNECTOR (NO. 4 CAN JUNCTION CONNECTOR - NO. 2 JUNCTION CONNECTOR)

OK

4.

CHECK FOR OPEN IN CAN MAIN BUS LINES (NO. 4 CAN JUNCTION CONNECTOR)

(a) Reconnect the G99 No. 4 CAN junction connector.

(b) Disconnect the G98 No. 4 CAN junction connector.

(c) Measure the resistance according to the value(s) in the table below.

*a

Front view of wire harness connector

(to No. 4 CAN Junction Connector)

*b

to Central Gateway ECU (Network Gateway ECU)

Standard Resistance:

Tester Connection

Condition

Specified Condition

G98-1 (CANH) - G98-12 (CANL)

Cable disconnected from negative (-) battery terminal

108 to 132 Ω

OK

REPLACE NO. 4 CAN JUNCTION CONNECTOR

NG

5.

CHECK FOR OPEN IN CAN MAIN BUS LINES (CENTRAL GATEWAY ECU (NETWORK GATEWAY ECU))

(a) Reconnect the G98 No. 4 CAN junction connector.

(b) Disconnect the G66 central gateway ECU (network gateway ECU) connector.

(c) Measure the resistance according to the value(s) in the table below.

Standard Resistance:

Tester Connection

Condition

Specified Condition

G66-18 (CA4H) - G66-17 (CA4L)

Cable disconnected from negative (-) battery terminal

108 to 132 Ω

*a

Front view of wire harness connector

(to Central Gateway ECU (Network Gateway ECU))

OK

REPLACE CENTRAL GATEWAY ECU (NETWORK GATEWAY ECU)

NG

REPAIR OR REPLACE CAN MAIN BUS LINES OR CONNECTOR (CENTRAL GATEWAY ECU (NETWORK GATEWAY ECU) - NO. 4 CAN JUNCTION CONNECTOR)

READ NEXT:

 Open in One Side of Bus 1 Branch Line

DESCRIPTION When the CAN bus main lines are normal (no open, short to ground, short to +B or short between lines) and there is an ECU or sensor on the "Communication Bus Check" screen that is indicate

 Check Bus 1 Line for Short to GND

DESCRIPTION There may be a short circuit between one of the CAN bus lines and GND when there is no resistance between terminal 23 (CA1H) of the central gateway ECU (network gateway ECU) and terminal 4

 Check Bus 1 Lines for Short Circuit

DESCRIPTION There may be a short circuit between the CAN main bus lines and/or CAN branch lines when the resistance between terminals 23 (CA1H) and 8 (CA1L) of the central gateway ECU (network gateway

SEE MORE:

 Shift Paddle Switch Circuit

DESCRIPTION Moving the shift lever to S enables the shift range to be selected. The shift range can be selected by operating the "+" or "-" shift paddle switch. WIRING DIAGRAM CAUTION / NOTICE / HINT NOTICE: After turning the power switch off, waiting time may be required before disconnecting the c

 Camshaft Position Sensor "A" Bank 1 or Single Sensor No Signal (P034031)

DESCRIPTION Refer to DTC P034011. Click here DTC No. Detection Item DTC Detection Condition Trouble Area MIL Memory Note P034031 Camshaft Position Sensor "A" Bank 1 or Single Sensor No Signal No camshaft position sensor (for intake camshaft) signal for 5 seconds at an engine

© 2016-2025 Copyright www.lexguide.net