Lexus ES manuals

Lexus ES: Check Bus 2 Lines for Short Circuit

DESCRIPTION

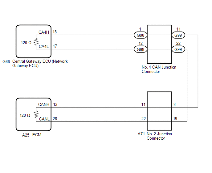
There may be a short circuit between the CAN main bus lines and/or CAN branch lines when the resistance between terminals 18 (CA4H) and 17 (CA4L) of the central gateway ECU (network gateway ECU) is below 54 Ω.

Symptom

Trouble Area

Resistance between terminals 18 (CA4H) and 17 (CA4L) of the central gateway ECU (network gateway ECU) is below 54 Ω.

  • Short in CAN main bus lines
  • Short in CAN branch lines
  • Central gateway ECU (network gateway ECU)
  • ECM
  • No. 4 CAN junction connector
  • No. 2 junction connector

WIRING DIAGRAM

CAUTION / NOTICE / HINT

CAUTION:

When performing the confirmation driving pattern, obey all speed limits and traffic laws.

NOTICE:

  • Because the order of diagnosis is important to allow correct diagnosis, make sure to begin troubleshooting using How to Proceed with Troubleshooting when CAN communication system related DTCs are output.

    Click here

  • Before measuring the resistance of the CAN bus, turn the engine switch off and leave the vehicle for 1 minute or more without operating the key or any switches, or opening or closing the doors. After that, disconnect the cable from the negative (-) battery terminal and leave the vehicle for 1 minute or more before measuring the resistance.
  • After turning the engine switch off, waiting time may be required before disconnecting the cable from the negative (-) battery terminal. Therefore, make sure to read the disconnecting the cable from the negative (-) battery terminal notices before proceeding with work.

    Click here

  • After performing repairs, perform the DTC check procedure and confirm that the DTCs are not output again.

    DTC check procedure: Turn the engine switch on (IG) and wait for 1 minute or more. Then operate the suspected malfunctioning system and drive the vehicle at 60 km/h (37 mph) or more for 5 minutes or more.

  • After the repair, perform the CAN bus check and check that all the ECUs and sensors connected to the CAN communication system are displayed as normal.

    Click here

HINT:

  • Before disconnecting related connectors for inspection, push in on each connector body to check that the connector is not loose or disconnected.
  • When a connector is disconnected, check that the terminals and connector body are not cracked, deformed or corroded.

PROCEDURE

1.

CHECK FOR SHORT IN CAN BUS LINES (NO. 2 JUNCTION CONNECTOR)

(a) Disconnect the cable from the negative (-) battery terminal.

(b) Disconnect the A71 No. 2 junction connector.

(c) Measure the resistance according to the value(s) in the table below.

*a

Front view of wire harness connector

(to No. 2 Junction Connector)

*b

to No. 4 CAN Junction Connector

*c

to ECM

-

-

Standard Resistance:

Tester Connection

Condition

Specified Condition

Connected to

A71-8 (CANH) - A71-19 (CANL)

Cable disconnected from negative (-) battery terminal

108 to 132 Ω

No. 4 CAN junction connector

A71-11 (CANH) - A71-22 (CANL)

Cable disconnected from negative (-) battery terminal

108 to 132 Ω

ECM

Result

Proceed to

OK

A

NG (Line to ECM)

B

NG (Line to No. 4 CAN junction connector)

C

A

REPLACE NO. 2 JUNCTION CONNECTOR

C

GO TO STEP 3

B

2.

CHECK FOR SHORT IN CAN BUS LINES (NO. 2 JUNCTION CONNECTOR - ECM)

(a) Disconnect the A25 ECM connector.

(b) Measure the resistance according to the value(s) in the table below.

*a

Front view of wire harness connector

(to No. 2 Junction Connector)

*b

to ECM

Standard Resistance:

Tester Connection

Condition

Specified Condition

A71-11 (CANH) - A71-22 (CANL)

Cable disconnected from negative (-) battery terminal

1 MΩ or higher

OK

REPLACE ECM

NG

REPAIR OR REPLACE CAN MAIN BUS LINES OR CONNECTOR (NO. 2 JUNCTION CONNECTOR - ECM)

3.

CHECK FOR SHORT IN CAN BUS LINES (NO. 4 CAN JUNCTION CONNECTOR - NO. 2 JUNCTION CONNECTOR)

(a) Disconnect the G99 No. 4 CAN junction connector.

(b) Measure the resistance according to the value(s) in the table below.

*a

Front view of wire harness connector

(to No. 4 CAN Junction Connector)

*b

to No. 2 Junction Connector

Standard Resistance:

Tester Connection

Condition

Specified Condition

Connected to

G99-11 (CANH) - G99-22 (CANL)

Cable disconnected from negative (-) battery terminal

1 MΩ or higher

No. 2 junction connector

NG

REPAIR OR REPLACE CAN MAIN BUS LINES OR CONNECTOR (NO. 4 CAN JUNCTION CONNECTOR - NO. 2 JUNCTION CONNECTOR)

OK

4.

CHECK FOR SHORT IN CAN BUS LINES (NO. 4 CAN JUNCTION CONNECTOR)

(a) Disconnect the G98 No. 4 CAN junction connector.

(b) Measure the resistance according to the value(s) in the table below.

*a

Front view of wire harness connector

(to No. 4 CAN Junction Connector)

*b

to Central Gateway ECU (Network Gateway ECU)

Standard Resistance:

Tester Connection

Condition

Specified Condition

G98-1 (CANH) - G98-12 (CANL)

Cable disconnected from negative (-) battery terminal

108 to 132 Ω

OK

REPLACE NO. 4 CAN JUNCTION CONNECTOR

NG

5.

CHECK FOR SHORT IN CAN BUS LINES (NO. 4 CAN JUNCTION CONNECTOR - CENTRAL GATEWAY ECU (NETWORK GATEWAY ECU))

(a) Disconnect the G66 central gateway ECU (network gateway ECU) connector.

(b) Measure the resistance according to the value(s) in the table below.

*a

Front view of wire harness connector

(to No. 4 CAN Junction Connector)

*b

to Central Gateway ECU (Network Gateway ECU)

Standard Resistance:

Tester Connection

Condition

Specified Condition

G98-1 (CANH) - G98-12 (CANL)

Cable disconnected from negative (-) battery terminal

1 MΩ or higher

OK

REPLACE CENTRAL GATEWAY ECU (NETWORK GATEWAY ECU)

NG

REPAIR OR REPLACE CAN MAIN BUS LINES OR CONNECTOR (NO. 4 CAN JUNCTION CONNECTOR - CENTRAL GATEWAY ECU (NETWORK GATEWAY ECU))

READ NEXT:

 Open in Bus 2 Main Bus Line

DESCRIPTION There may be an open circuit in one of the CAN main bus lines when the resistance between terminals 18 (CA4H) and 17 (CA4L) of the central gateway ECU (network gateway ECU) is 70 Ω or hig

 Open in One Side of Bus 1 Branch Line

DESCRIPTION When the CAN bus main lines are normal (no open, short to ground, short to +B or short between lines) and there is an ECU or sensor on the "Communication Bus Check" screen that is indicate

 Check Bus 1 Line for Short to GND

DESCRIPTION There may be a short circuit between one of the CAN bus lines and GND when there is no resistance between terminal 23 (CA1H) of the central gateway ECU (network gateway ECU) and terminal 4

SEE MORE:

 Hybrid/EV Battery Positive and Negative Contactor Actuator Stuck Closed (P0AA073)

DTC SUMMARY MALFUNCTION DESCRIPTION The hybrid vehicle control ECU detects a stuck closed malfunction of a system main relay on the positive (+) terminal side and negative (-) terminal side of the HV battery. The cause of this malfunction may be one of the following: Inverter voltage sensor (VH) in

 Lost Communication with Cruise Control Module Missing Message (U010487)

DESCRIPTION The millimeter wave radar sensor assembly communicates with the forward recognition camera via CAN communication. If a communication error is detected between the forward recognition camera and millimeter wave radar sensor assembly, the millimeter wave radar sensor assembly stores this D

© 2016-2025 Copyright www.lexguide.net