Lexus ES manuals

Lexus ES: Tilt and Telescopic Manual Switch Circuit

DESCRIPTION

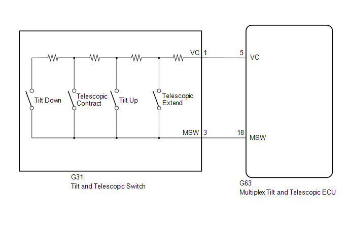
Different voltage values are sent to the multiplex tilt and telescopic ECU by operating the tilt and telescopic switch. The multiplex tilt and telescopic ECU then judges which motor and in which direction that motor should operate based on the voltage value.

WIRING DIAGRAM

PROCEDURE

1.

READ VALUE USING TECHSTREAM (TILT MANUAL SWITCH UP/DOWN, TELESCOPIC MANUAL SWITCH SHORT/LONG)

(a) Turn the engine switch off.

(b) Connect the Techstream to the DLC3.

(c) Turn the engine switch on (IG).

(d) Turn the Techstream on.

(e) Read the Data List according to the display on the Techstream.

Body Electrical > Tilt&Telescopic > Data List

Tester Display

Tilt Manual Switch Up

Tilt Manual Switch Down

Telescopic Manual Switch Short

Telescopic Manual Switch Long

Body Electrical > Tilt&Telescopic > Data List

Tester Display

Measurement Item

Range

Normal Condition

Diagnostic Note

Tilt Manual Switch Up

Input state of tilt up switch

OFF or ON

-

-

Tilt Manual Switch Down

Input state of tilt down switch

OFF or ON

-

-

Telescopic Manual Switch Short

Input state of telescopic contract switch

OFF or ON

-

-

Telescopic Manual Switch Long

Input state of telescopic extend switch

OFF or ON

-

-

OK:

The value of each Data List item changes in accordance with the operation of the switch.

OK

REPLACE MULTIPLEX TILT AND TELESCOPIC ECU

NG

2.

CHECK HARNESS AND CONNECTOR (MULTIPLEX TILT AND TELESCOPIC ECU - TILT AND TELESCOPIC SWITCH)

(a) Disconnect the G63 multiplex tilt and telescopic ECU connector.

(b) Disconnect the G31 tilt and telescopic switch connector.

(c) Measure the resistance according to the value(s) in the table below.

Standard Resistance:

Tester Connection

Condition

Specified Condition

G63-5 (VC) - G31-1 (VC)

Always

Below 1 Ω

G63-18 (MSW) - G31-3 (MSW)

Always

Below 1 Ω

G63-5 (VC) or G31-1 (VC) - Body ground

Always

10 kΩ or higher

G63-18 (MSW) or G31-3 (MSW) - Body ground

Always

10 kΩ or higher

NG

REPAIR OR REPLACE HARNESS OR CONNECTOR

OK

3.

CHECK MULTIPLEX TILT AND TELESCOPIC ECU (VC TERMINAL VOLTAGE)

(a) Reconnect the G63 multiplex tilt and telescopic ECU connector.

*a

Component with harness connected

(Multiplex Tilt and Telescopic ECU)

(b) Measure the voltage according to the value(s) in the table below.

Standard Voltage:

Tester Connection

Condition

Specified Condition

G63-5 (VC) - G63-18 (MSW)

Engine switch on (IG)

4.9 to 5.1 V

NG

REPLACE MULTIPLEX TILT AND TELESCOPIC ECU

OK

4.

CHECK TILT AND TELESCOPIC SWITCH

(a) Remove the tilt and telescopic switch.

Click here

*a

Component without harness connected

(Tilt and Telescopic Switch)

(b) Measure the resistance according to the value(s) in the table below.

Standard Resistance:

Tester Connection

Condition

Specified Condition

G31-1 (VC) - G31-3 (MSW)

Tilt up

342 to 378 Ω

Tilt down

1890.5 to 2089.5 Ω

Telescopic contract

750.5 to 829.5 Ω

Telescopic extend

152 to 168 Ω

OK

REPLACE MULTIPLEX TILT AND TELESCOPIC ECU

NG

REPLACE TILT AND TELESCOPIC SWITCH

READ NEXT:

 IG Power Source Circuit

DESCRIPTION When the engine switch is turned on (IG), the IG power source circuit supplies positive (+) voltage to the multiplex tilt and telescopic ECU. WIRING DIAGRAM CAUTION / NOTICE / HINT NOTICE

 Steering Column Assembly (for Manual Tilt And Manual Telescopic Steering Column)

 Removal

REMOVAL CAUTION / NOTICE / HINT The necessary procedures (adjustment, calibration, initialization or registration) that must be performed after parts are removed and installed, or replaced during stee

SEE MORE:

 Camshaft Position Sensor "A" Bank 1 or Single Sensor Circuit Short to Ground (P034011,P034015,P034511,P034515)

DESCRIPTION The VVT sensor (for intake camshaft) (VV1, VV2 signal) consists of a magnet and MRE (Magneto Resistance Element). The intake camshaft has a timing rotor for the VVT sensor. When the intake camshaft rotates, changes occur in the air gaps between the timing rotor and MRE, which affects the

 Luggage Door ECU Communication Stop Mode

DESCRIPTION Detection Item Symptom Trouble Area Luggage Door ECU Communication Stop Mode Any of the following conditions are met: Communication stop for "Back Door" is indicated on the "Communication Bus Check" screen of the Techstream. Click here Communication stop history for

© 2016-2025 Copyright www.lexguide.net