Lexus ES: System Diagram
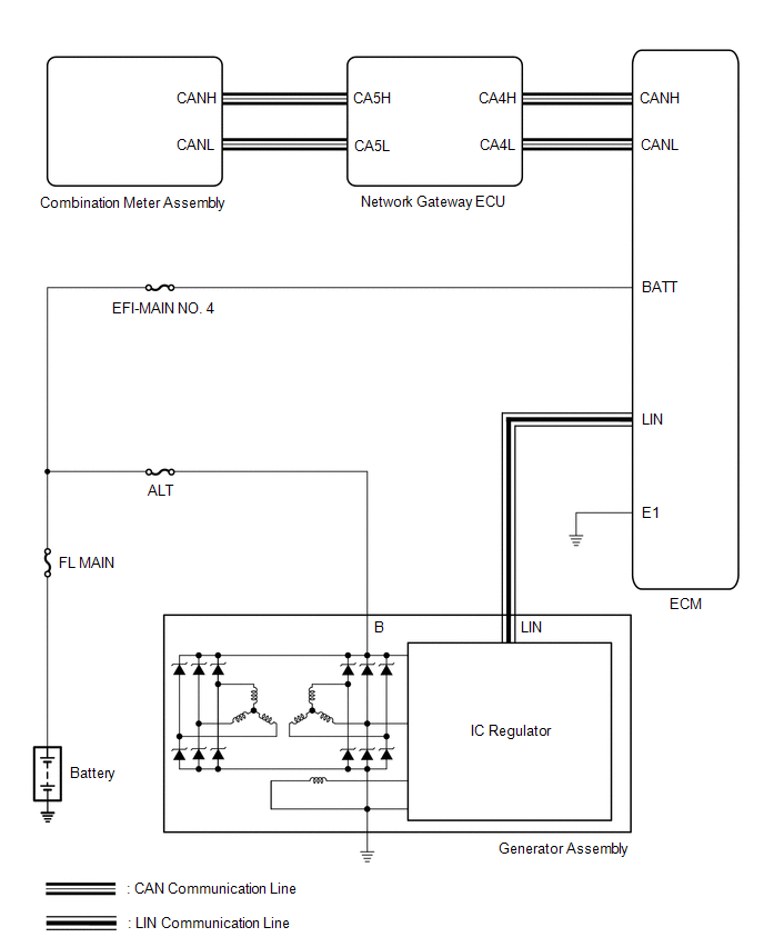
SYSTEM DIAGRAM

READ NEXT:
PARTS LOCATION ILLUSTRATION *1 GENERATOR ASSEMBLY *2 ECM *3 NO. 1 ENGINE ROOM RELAY BLOCK AND NO. 1 JUNCTION BLOCK ASSEMBLY - - ILLUSTRATION *1 COMBINATION METER ASSEMBLY
PRECAUTION INITIALIZATION NOTICE: Make sure to perform the necessary procedures (adjustment, calibration, initialization, or registration) after parts related to the cable has been disconnected from t
ComponentsCOMPONENTS ILLUSTRATION *1 BATTERY *2 NEGATIVE BATTERY TERMINAL *3 POSITIVE BATTERY TERMINAL *4 NO. 2 BATTERY CLAMP *5 BATTERY TERMINAL CAP *6 BATTERY INSULATO
SEE MORE:
DESCRIPTION The sliding roof ECU (sliding roof drive gear assembly) and roof sunshade ECU (sliding roof drive gear assembly) receive each other's position information from the main body ECU (multiplex network body ECU) via LIN communication. The sliding roof ECU (sliding roof drive gear assembly) an
DESCRIPTION This DTC will be stored if the operation of the front roof sunshade is suspended and a pulse input of 10 Hz or more is detected when the motor relay is off. DTC No. Detection Item DTC Detection Condition Trouble Area B234A Motor Control Relay Stuck ON (Fr Shade) Position
© 2016-2026 Copyright www.lexguide.net
