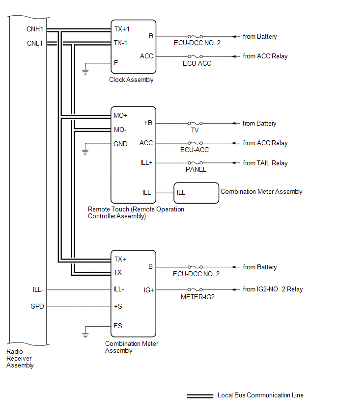
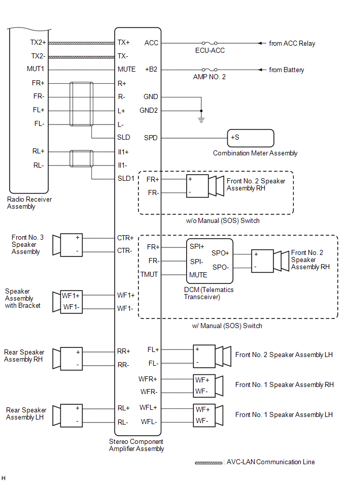
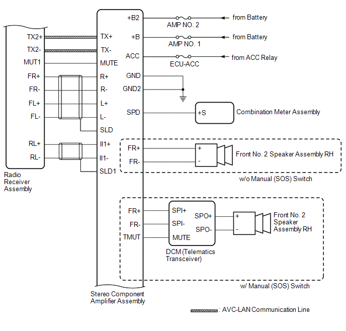
Lexus ES: System Diagram
SYSTEM DIAGRAM

w/ Parking Assist Monitor System

w/ Panoramic View Monitor System

w/ Manual (SOS) Switch

w/o Manual (SOS) Switch

for 10 Speakers

for 17 Speakers

READ NEXT:
TERMINALS OF ECU HINT: Check from the rear of the connector while it is connected to the components. RADIO RECEIVER ASSEMBLY Terminal No. (Symbol) Wiring Color Terminal Description Condition
DESCRIPTION These DTCs are stored when a malfunction occurs in the CAN communication circuit. DTC No. Detection Item DTC Detection Condition Trouble Area U0073 Sending Malfunction (Navi
DESCRIPTION When a USB device or "iPod" is connected to the USB jack of the No. 1 stereo jack adapter assembly, it must have playable files. The device must also communicate with and be recognized by
SEE MORE:
ON-VEHICLE INSPECTION PROCEDURE 1. INSPECT BRAKE FLUID LEVEL IN RESERVOIR Click here 2. INSPECT BRAKE BOOSTER ASSEMBLY Click here 3. INSPECT VACUUM WARNING SWITCH ASSEMBLY (a) Start the engine and stop it after 1 or 2 minutes. (b) Remove the battery. for A25A-FKS: Click here for 2GR-FKS: Cli
REMOVAL CAUTION / NOTICE / HINT The necessary procedures (adjustment, calibration, initialization or registration) that must be performed after parts are removed and installed, or replaced during fuel pump with filter assembly removal/installation are shown below. Necessary Procedures After Parts Re
© 2016-2026 Copyright www.lexguide.net
