Lexus ES manuals

Lexus ES: System Diagram

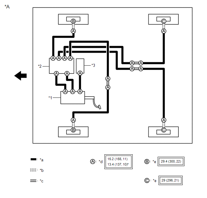
SYSTEM DIAGRAM

HINT:

See the layout drawing to confirm the locations and tightening torque of flexible hoses and brake lines.

*A

for HV Model

-

-

*1

Brake Booster with Master Cylinder Assembly

*2

Brake Actuator Assembly

*3

Brake Booster Pump Assembly

-

-

*a

Brake Line

*b

Flexible Hose

*c

Brake Tube Way

*d

Union Nut

*e

Union Bolt

-

-

Tightening torque for "Major areas involving basic vehicle performance such as moving/turning/stopping": N*m (kgf*cm, ft.*lbf)

*

For use with a union nut wrench

Front

-

-

*A

for Gasoline Model

-

-

*1

Brake Master Cylinder Sub-assembly

*2

Brake Booster Assembly

*3

Brake Actuator Assembly

-

-

*a

Brake Line

*b

Flexible Hose

*c

Brake Tube Way

*d

Union Nut

*e

Union Bolt

-

-

Tightening torque for "Major areas involving basic vehicle performance such as moving/turning/stopping" : N*m (kgf*cm, ft.*lbf)

*

For use with a union nut wrench

Front

-

-

READ NEXT:

 Brake Master Cylinder (for Gasoline Model)

 Components

COMPONENTS ILLUSTRATION *1 BRAKE MASTER CYLINDER O-RING *2 BRAKE MASTER CYLINDER SUB-ASSEMBLY *3 BRAKE LINE *4 CONNECTOR *5 BRAKE BOOSTER ASSEMBLY - - Tightening t

 Disassembly

DISASSEMBLY PROCEDURE 1. REMOVE BRAKE MASTER CYLINDER STRAIGHT PIN (a) Secure the brake master cylinder sub-assembly in a vise. NOTICE: Place aluminum plates on the vise to prevent damage to the brake

SEE MORE:

 ABS Operates Before Necessary When Braking

DESCRIPTION Troubleshooting for when ABS operates too soon due to a noisy signal from the speed sensor, a difference in output, etc. PROCEDURE 1. PERFORM TEST MODE (SIGNAL CHECK) INSPECTION (SPEED SENSOR CIRCUIT) (a) Using the Techstream, perform a Test Mode (Signal Check) inspection sensor

 Intermediate Shaft Speed Sensor "A" Circuit Short to Battery (P079112,P079114,P079131)

DESCRIPTION The transmission revolution sensor (NC) detects the rotation speed of the counter gear which shows the output shaft speed of automatic transaxle assembly. Based on the transmission revolution sensor (NC) signal and the transmission revolution sensor (NT) signal, the ECM controls engine t

© 2016-2025 Copyright www.lexguide.net