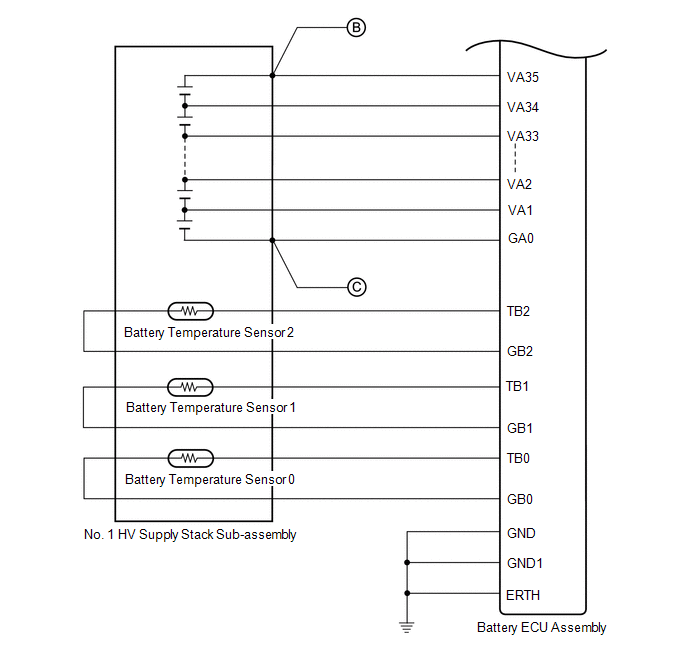
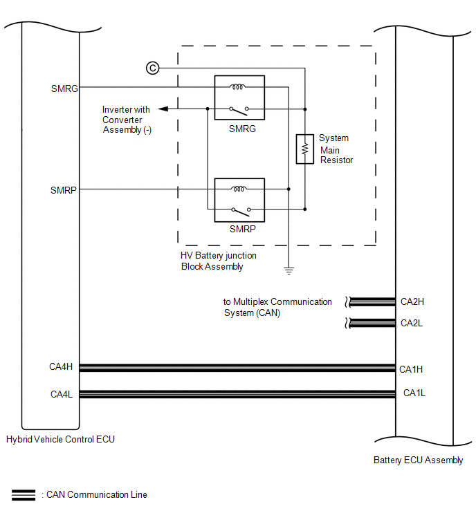
Lexus ES: System Diagram
SYSTEM DIAGRAM

READ NEXT:
CAUTION / NOTICE / HINT HINT:
*: Use the Techstream
Use the following procedure to troubleshoot the hybrid battery system.
PROCEDURE 1. VEHICLE BROUGHT TO WORKSHOP
NEXT
CHECK FOR INTERMITTENT PROBLEMS CHECK FOR INTERMITTENT PROBLEMS (a) Perform a simulation test. (1) For the simulation test, reproduce the driving conditions that were present when the problem occurred
UTILITY NOTICE:
If the HV battery or an HV supply stack sub-assembly has been replaced, make sure to perform the following utilities in the following order: "Battery Status Info Update", "Prediagno
SEE MORE:
DESCRIPTION The air fuel ratio sensor (sensor 1) generates current that corresponds to the actual air fuel ratio. This sensor current is used to provide the ECM with feedback so that it can control the air fuel ratio. The ECM determines the deviation from the stoichiometric air fuel ratio level, and
DESCRIPTION The power steering ECU (rack and pinion power steering gear assembly) receives signals from the hybrid vehicle control ECU, steering sensor, skid control ECU (brake booster with master cylinder assembly) and forward recognition camera via CAN communication. DTC No. Detection Item
© 2016-2025 Copyright www.lexguide.net
