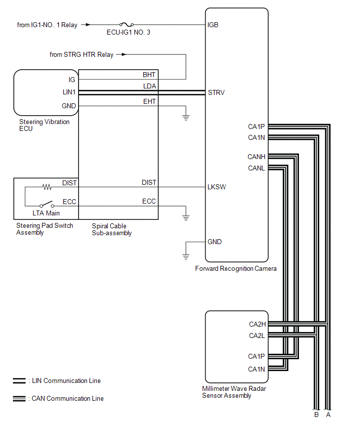
Lexus ES: System Diagram
SYSTEM DIAGRAM

READ NEXT:
CAUTION / NOTICE / HINT HINT:
Use the following procedure to troubleshoot the lane control system.
*: Use the Techstream.
PROCEDURE 1. VEHICLE BROUGHT TO WORKSHOP
NEXT
CUSTOMIZE PARAMETERS CUSTOMIZE LTA NOTICE:
When the customer requests a change in a function, first make sure that the function can be customized.
Be sure to make a note of the current settings b
PROBLEM SYMPTOMS TABLE HINT:
If CAN communication system and lane control system DTCs are not output and any of the following problem symptoms exist, perform troubleshooting by checking the appropr
SEE MORE:
DESCRIPTION The skid control ECU (brake booster with master cylinder assembly) is connected to the combination meter assembly via CAN communication. If the skid control ECU (brake booster with master cylinder assembly) stores a DTC, the slip indicator light comes on in the combination meter assembly
CAUTION / NOTICE / HINT HINT:
Use the following procedure to troubleshoot the safety connect system.
*: Use the Techstream.
PROCEDURE 1. VEHICLE BROUGHT TO WORKSHOP
NEXT 2. CUSTOMER PROBLEM ANALYSIS CHECK AND SYMPTOM CHECK HINT:
The safety connect system
© 2016-2026 Copyright www.lexguide.net
