Lexus ES manuals

Lexus ES: Relay

On-vehicle Inspection

ON-VEHICLE INSPECTION

PROCEDURE

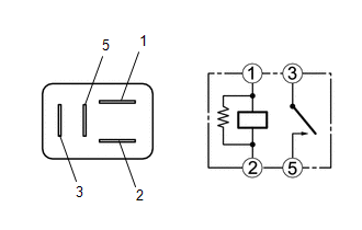
1. INSPECT H-LP LH RELAY

(a) Measure the resistance according to the value(s) in the table below.

Standard Resistance:

Tester Connection

Condition

Specified Condition

3 - 5

Voltage not applied between terminals 1 and 2

10 kΩ or higher

3 - 5

Voltage applied between terminals 1 and 2

Below 1 Ω

If the result is not as specified, replace the H-LP LH relay.

2. INSPECT H-LP RH RELAY

(a) Measure the resistance according to the value(s) in the table below.

Standard Resistance:

Tester Connection

Condition

Specified Condition

3 - 5

Voltage not applied between terminals 1 and 2

10 kΩ or higher

3 - 5

Voltage applied between terminals 1 and 2

Below 1 Ω

If the result is not as specified, replace the H-LP RH relay.

READ NEXT:

 Side Turn Signal Light Assembly

 Components

COMPONENTS ILLUSTRATION *A w/o Panoramic View Monitor System *B w/ Panoramic View Monitor System *1 OUTER MIRROR *2 OUTER MIRROR COVER ASSEMBLY *3 OUTER MIRROR LOWER COVER

 Removal

REMOVAL CAUTION / NOTICE / HINT The necessary procedures (adjustment, calibration, initialization, or registration) that must be performed after parts are removed and installed, or replaced during sid

SEE MORE:

 Utility

UTILITY NOTICE: When replacing the millimeter wave radar sensor assembly, always replace it with a new one. If a millimeter wave radar sensor assembly which was installed to another vehicle is used, the information stored in the millimeter wave radar sensor assembly will not match the information

 System Too Lean Bank 1 (P017100,P017200,P017400,P017500,P117000,P117B00)

DESCRIPTION The fuel trim is related to the feedback compensation value, not to the basic injection duration. The fuel trim consists of both the short-term and long-term fuel trims. The short-term fuel trim is fuel compensation that is used to constantly maintain the air fuel ratio at stoichiometric

© 2016-2025 Copyright www.lexguide.net