Lexus ES: Relay
On-vehicle Inspection
ON-VEHICLE INSPECTION
PROCEDURE
1. INSPECT HORN RELAY
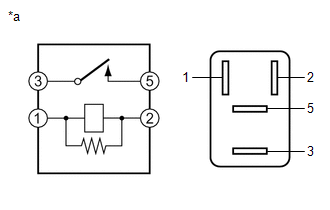
| *a | Component without harness connected (HORN Relay) |
(a) Measure the resistance according to the value(s) in the table below.
Standard Resistance:
| Tester Connection | Condition | Specified Condition |
| 3 - 5 | Auxiliary battery voltage not applied between terminals 1 and 2 | 10 kΩ or higher |
| 3 - 5 | Auxiliary battery voltage applied between terminals 1 and 2 | Below 1 Ω |
If the result is not as specified, replace the HORN relay.
READ NEXT:
ComponentsCOMPONENTS ILLUSTRATION *1 AUTOMATIC LIGHT CONTROL SENSOR *2 NO. 1 SPEAKER OPENING COVER ASSEMBLY On-vehicle InspectionON-VEHICLE INSPECTION PROCEDURE 1. INSPECT AUTOMATIC LIG
SEE MORE:
PROBLEM SYMPTOMS TABLE HINT:
Use the table below to help determine the cause of problem symptoms. If multiple suspected areas are listed, the potential causes of the symptoms are listed in order of probability in the "Suspected Area" column of the table. Check each symptom by checking the suspect
INSTALLATION PROCEDURE 1. INSTALL DRIVE MODE SELECT SWITCH (COMBINATION SWITCH ASSEMBLY) (a) Install the drive mode select switch (combination switch assembly) to the instrument cluster finish panel assembly with the 3 screws. (b) Engage the clamp to connect the wire harness to the instrument cluste
© 2016-2025 Copyright www.lexguide.net
