Lexus ES: Relay
On-vehicle Inspection
ON-VEHICLE INSPECTION
PROCEDURE
1. INSPECT HORN RELAY
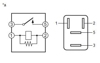
| *a | Component without harness connected (HORN Relay) |
(a) Measure the resistance according to the value(s) in the table below.
Standard Resistance:
| Tester Connection | Condition | Specified Condition |
| 3 - 5 | Auxiliary battery voltage not applied between terminals 1 and 2 | 10 kΩ or higher |
| 3 - 5 | Auxiliary battery voltage applied between terminals 1 and 2 | Below 1 Ω |
If the result is not as specified, replace the HORN relay.
READ NEXT:
ComponentsCOMPONENTS ILLUSTRATION *1 AUTOMATIC LIGHT CONTROL SENSOR *2 NO. 1 SPEAKER OPENING COVER ASSEMBLY On-vehicle InspectionON-VEHICLE INSPECTION PROCEDURE 1. INSPECT AUTOMATIC LIG
SEE MORE:
INSTALLATION PROCEDURE 1. INSTALL VACUUM SWITCHING VALVE (for Active Control Engine Mount System) (a) Install the vacuum switching valve (for active control engine mount system) to the front engine mounting insulator with the nut. Torque: 6.0 N·m {61 kgf·cm, 53 in·lbf} (b) Connect the 3 vacuum h
CUSTOMIZE PARAMETERS CUSTOMIZE HEATED STEERING WHEEL SYSTEM (a) Customizing with the Techstream. NOTICE:
When the customer requests a change in a function, first make sure that the function can be customized.
Be sure to make a note of the current settings before customizing.
When troubleshoot
© 2016-2025 Copyright www.lexguide.net
