Lexus ES manuals

Lexus ES: Inverter Low-voltage Circuit

DESCRIPTION

The cause of the malfunction may be the low-voltage circuit.

Check whether there is an open circuit in the inverter +B low-voltage power source system or a problem in the communication between the hybrid vehicle control ECU and inverter.

Related Parts Check

Area

Inspection

Inverter +B low-voltage power source system check

Check for inverter overcurrent malfunction.

Communication malfunction between hybrid vehicle control ECU and MG-ECU inside inverter with converter assembly

Check for inverter overcurrent malfunction due to communication malfunction.

Check for short to ground in inverter +B low-voltage power source system

-

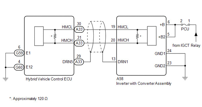
WIRING DIAGRAM

CAUTION / NOTICE / HINT

This diagnostic procedure is referenced to in the diagnostic procedure of several DTCs.

If the result of this diagnostic procedure is normal, proceed as directed in the procedure for the DTC.

CAUTION:

  • Before the following operations are conducted, take precautions to prevent electric shock by turning the power switch off, wearing insulated gloves, and removing the service plug grip from HV battery.
    • Inspecting the high-voltage system
    • Disconnecting the low voltage connector of the inverter with converter assembly
    • Disconnecting the low voltage connector of the HV battery
  • To prevent electric shock, make sure to remove the service plug grip to cut off the high voltage circuit before servicing the vehicle.
  • After removing the service plug grip from the HV battery, put it in your pocket to prevent other technicians from accidentally reconnecting it while you are working on the high-voltage system.
  • After removing the service plug grip, wait for at least 10 minutes before touching any of the high-voltage connectors or terminals. After waiting for 10 minutes, check the voltage at the terminals in the inspection point in the inverter with converter assembly. The voltage should be 0 V before beginning work.

    *a

    Without waiting for 10 minutes

    Click here

    HINT:

    Waiting for at least 10 minutes is required to discharge the high-voltage capacitor inside the inverter with converter assembly.

NOTICE:

After turning the power switch off, waiting time may be required before disconnecting the cable from the negative (-) auxiliary battery terminal. Therefore, make sure to read the disconnecting the cable from the negative (-) auxiliary battery terminal notices before proceeding with work.

Click here

PROCEDURE

1.

CHECK FUSE (PCU)

(a) Remove the PCU fuse from the No. 4 relay block.

*1

No. 4 Relay Block

*2

PCU Fuse

(b) Measure the resistance according to the value(s) in the table below.

Standard Resistance:

Tester Connection

Condition

Specified Condition

PCU fuse

Always

Below 1 Ω

(c) Install the PCU fuse.

NG

GO TO STEP 5

OK

2.

CHECK HARNESS AND CONNECTOR (INVERTER WITH CONVERTER ASSEMBLY POWER SOURCE CIRCUIT)

CAUTION:

Be sure to wear insulated gloves.

(a) Check that the service plug grip is not installed.

NOTICE:

After removing the service plug grip, do not turn the power switch on (READY), unless instructed by the repair manual because this may cause a malfunction.

(b) Disconnect the A58 inverter with converter assembly connector.

(c) Measure the resistance according to the value(s) in the table below.

Standard Resistance:

Tester Connection

Condition

Specified Condition

A58-24 (GND1) - Body ground

Power switch off

Below 1 Ω

A58-23 (GND2) - Body ground

Power switch off

Below 1 Ω

*a

Front view of wire harness connector

(to Inverter with Converter Assembly)

(d) Connect the cable to the negative (-) auxiliary battery terminal.

(e) Turn the power switch on (IG).

(f) Measure the voltage according to the value(s) in the table below.

Standard Voltage:

Tester Connection

Condition

Specified Condition

A58-6 (+B) - Body ground

Power switch on (IG)

Same as auxiliary battery voltage

A58-5 (+B2) - Body ground

Power switch on (IG)

Same as auxiliary battery voltage

NOTICE:

Turning the power switch on (IG) with the inverter with converter assembly connector disconnected causes other DTCs to be stored. Clear the DTCs after performing this inspection.

(g) Turn the power switch off.

(h) Disconnect the cable from the negative (-) auxiliary battery terminal and wait for 2 minutes or more.

(i) Reconnect the A58 inverter with converter assembly connector.

NG

REPAIR OR REPLACE POWER SOURCE CIRCUIT

OK

3.

CHECK HARNESS AND CONNECTOR (HYBRID VEHICLE CONTROL ECU - INVERTER WITH CONVERTER ASSEMBLY)

CAUTION:

Be sure to wear insulated gloves.

(a) Check that the service plug grip is not installed.

NOTICE:

After removing the service plug grip, do not turn the power switch on (READY), unless instructed by the repair manual because this may cause a malfunction.

(b) Disconnect the A58 inverter with converter assembly connector.

(c) Disconnect the A33 hybrid vehicle control ECU connector.

(d) Measure the resistance according to the value(s) in the table below.

Standard Resistance (Check for Open):

Tester Connection

Condition

Specified Condition

A58-20 (HMCH) - A33-31 (HMCH)

Power switch off

Below 1 Ω

A58-19 (HMCL) - A33-30 (HMCL)

Power switch off

Below 1 Ω

Standard Resistance (Check for Short):

Tester Connection

Condition

Specified Condition

A58-20 (HMCH) or A33-31 (HMCH) - Body ground and other terminals

Power switch off

10 kΩ or higher

A58-19 (HMCL) or A33-30 (HMCL) - Body ground and other terminals

Power switch off

10 kΩ or higher

*a

Front view of wire harness connector

(to Inverter with Converter Assembly)

*b

Rear view of wire harness connector

(to Hybrid Vehicle Control ECU)

(e) Connect the cable to the negative (-) auxiliary battery terminal.

(f) Turn the power switch on (IG).

(g) Measure the voltage according to the value(s) in the table below.

Standard Voltage:

Tester Connection

Condition

Specified Condition

A58-20 (HMCH) or A33-31 (HMCH) - Body ground and other terminals

Power switch on (IG)

Below 1 V

A58-19 (HMCL) or A33-30 (HMCL) - Body ground and other terminals

Power switch on (IG)

Below 1 V

NOTICE:

Turning the power switch on (IG) with the hybrid vehicle control ECU and inverter with converter assembly connectors disconnected causes other DTCs to be stored. Clear the DTCs after performing this inspection.

(h) Turn the power switch off.

(i) Disconnect the cable from the negative (-) auxiliary battery terminal and wait for 2 minutes or more.

(j) Reconnect the A33 hybrid vehicle control ECU connector.

(k) Reconnect the A58 inverter with converter assembly connector.

NG

REPAIR OR REPLACE HARNESS OR CONNECTOR

OK

4.

CHECK HYBRID VEHICLE CONTROL ECU

(a) Disconnect the A33 hybrid vehicle control ECU connector.

(b) Measure the resistance according to the value(s) in the table below.

Standard Resistance:

Tester Connection

Condition

Specified Condition

A33-30 (HMCL) - A33-31 (HMCH)

Power switch off

80 to 170 Ω

*a

Component without harness connected

(Hybrid Vehicle Control ECU)

(c) Reconnect the A33 hybrid vehicle control ECU connector.

OK

INVERTER LOW-VOLTAGE CIRCUIT NORMAL (PERFORM NEXT STEP FOR REFERENCED DTC)

NG

REPLACE HYBRID VEHICLE CONTROL ECU

5.

CHECK HARNESS AND CONNECTOR (INVERTER WITH CONVERTER ASSEMBLY - PCU FUSE)

CAUTION:

Be sure to wear insulated gloves.

(a) Check that the service plug grip is not installed.

NOTICE:

After removing the service plug grip, do not turn the power switch on (READY), unless instructed by the repair manual because this may cause a malfunction.

(b) Disconnect the A58 inverter with converter assembly connector.

(c) Measure the resistance according to the value(s) in the table below.

Standard Resistance:

Tester Connection

Condition

Specified Condition

A58-6 (+B) - Body ground

Power switch off

10 kΩ or higher

A58-5 (+B2) - Body ground

Power switch off

10 kΩ or higher

*a

Front view of wire harness connector

(to Inverter with Converter Assembly)

(d) Reconnect the A58 inverter with converter assembly connector.

NG

GO TO STEP 7

OK

6.

REPLACE INVERTER WITH CONVERTER ASSEMBLY

Click here

NEXT

REPLACE FUSE (PCU)

7.

REPAIR OR REPLACE HARNESS OR CONNECTOR

NEXT

REPLACE FUSE (PCU)

READ NEXT:

 HV Battery High-voltage Line Circuit

DESCRIPTION The cause of the malfunction may be the HV battery high-voltage line circuit. Check the continuity in the high-voltage line from the HV battery to the inverter. Check the connection condit

 Cooling System

DESCRIPTION The cause of the malfunction may be the cooling system. Check whether the grille is blocked, whether coolant is leaking, the radiator fan operating condition and whether coolant has frozen

 Hybrid Vehicle Control Ecu

SEE MORE:

 Terminals Of Ecu

TERMINALS OF ECU MULTIPLEX TILT AND TELESCOPIC ECU *a Component with harness connected (Multiplex Tilt and Telescopic ECU) - - (a) Measure the voltage and resistance according to the value(s) in the table below. HINT: Inspect the connectors from the back side while the connectors are co

 Reverse Shift-linked Function of Power Mirrors does not Operate

DESCRIPTION The ECM sends the reverse signal to the main body ECU (multiplex network body ECU) via CAN communication. When receiving the reverse signal, the main body ECU (multiplex network body ECU) sends the reverse request signal to each outer mirror control ECU assembly. Based on the signal, eac

© 2016-2025 Copyright www.lexguide.net