Lexus ES manuals

Lexus ES: HV Battery High-voltage Line Circuit

DESCRIPTION

The cause of the malfunction may be the HV battery high-voltage line circuit.

Check the continuity in the high-voltage line from the HV battery to the inverter.

Check the connection condition and for an open circuit in the frame wire from the service plug grip, EV electric battery fuse and HV battery to the inverter and perform a function check of the system main relay.

Related Parts Check

Area

Inspection

High-voltage circuit from HV battery to inverter

Check connection condition and for open circuit.

Service plug grip

Check connection condition and for open circuit.

EV electric battery fuse

Check for open circuit.

System Main Relay

Check operation condition as relay.

SYSTEM DESCRIPTION

The HV battery high voltage is supplied to the inverter via the system main relay operation.

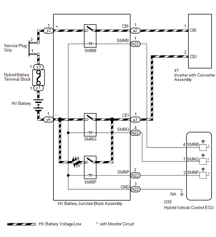
WIRING DIAGRAM

CAUTION / NOTICE / HINT

This diagnostic procedure is referenced to in the diagnostic procedure of several DTCs.

If the result of this diagnostic procedure is normal, proceed as directed in the procedure for the DTC.

CAUTION:

  • Before the following operations are conducted, take precautions to prevent electric shock by turning the power switch off, wearing insulated gloves, and removing the service plug grip from HV battery.
    • Inspecting the high-voltage system
    • Disconnecting the low voltage connector of the inverter with converter assembly
    • Disconnecting the low voltage connector of the HV battery
  • To prevent electric shock, make sure to remove the service plug grip to cut off the high voltage circuit before servicing the vehicle.
  • After removing the service plug grip from the HV battery, put it in your pocket to prevent other technicians from accidentally reconnecting it while you are working on the high-voltage system.
  • After removing the service plug grip, wait for at least 10 minutes before touching any of the high-voltage connectors or terminals. After waiting for 10 minutes, check the voltage at the terminals in the inspection point in the inverter with converter assembly. The voltage should be 0 V before beginning work.

    Click here

    HINT:

    Waiting for at least 10 minutes is required to discharge the high-voltage capacitor inside the inverter with converter assembly.

    *a

    Without waiting for 10 minutes

NOTICE:

After turning the power switch off, waiting time may be required before disconnecting the cable from the negative (-) auxiliary battery terminal. Therefore, make sure to read the disconnecting the cable from the negative (-) auxiliary battery terminal notices before proceeding with work.

Click here

PROCEDURE

1.

CHECK INVERTER WITH CONVERTER ASSEMBLY (HV FLOOR UNDER WIRE CONNECTION CONDITION)

CAUTION:

Be sure to wear insulated gloves.

(a) Check that the service plug grip is not installed.

NOTICE:

After removing the service plug grip, do not turn the power switch on (READY), unless instructed by the repair manual because this may cause a malfunction.

(b) Check that the bolts for the HV floor under wire is tightened to the specified torque, the HV floor under wire is connected securely, and there are no contact problems.

Specified Condition:

T = 8.0 N*m (82 kgf*cm, 71 in.*lbf)

(c) Disconnect the HV floor under wire from the inverter with converter assembly.

(d) Check for arc marks on the terminals for the HV floor under wire and inverter with converter assembly.

Result

Proceed to

The terminals are connected securely and there are no contact problems.

There are no arc marks.

A

The terminals are not connected securely and there is a contact problem.

There are arc marks.

B

The terminals are not connected securely and there is a contact problem.

There are no arc marks.

C

The terminals are connected securely and there are no contact problems.

There are arc marks.

B

(e) Reconnect the HV floor under wire.

B

REPLACE MALFUNCTIONING PARTS

C

CONNECT SECURELY

A

2.

CHECK SERVICE PLUG GRIP (CONNECTION CONDITION)

CAUTION:

Be sure to wear insulated gloves.

(a) Visually check the connection of the service plug grip to the HV battery. Remove the service plug grip and check for contamination.

OK:

Dirt or foreign matter has not entered the connectors, and there is no evidence of contamination.

(b) Install the service plug grip.

NG

REPLACE SERVICE PLUG GRIP

OK

3.

INSPECT SERVICE PLUG GRIP

CAUTION:

Be sure to wear insulated gloves.

(a) Remove the service plug grip.

Click here

(b) Measure the resistance according to the value(s) in the table below.

Standard Resistance:

Tester Connection

Condition

Specified Condition

Service plug grip terminals

Always

Below 1 Ω

*1

Service Plug Grip

(c) Install the service plug grip.

NG

REPLACE SERVICE PLUG GRIP

OK

4.

CHECK HYBRID BATTERY TERMINAL BLOCK

CAUTION:

Be sure to wear insulated gloves and protective goggles.

(a) Remove the Hybrid battery terminal block.

Click here

(b) Measure the resistance according to the value(s) in the table below.

Standard Resistance:

Tester Connection

Condition

Specified Condition

Hybrid battery terminal block

Always

Below 1 Ω

*1

Hybrid Battery Terminal Block

(c) Install the Hybrid battery terminal block.

NG

REPLACE HYBRID BATTERY TERMINAL BLOCK

OK

5.

CHECK HV BATTERY JUNCTION BLOCK ASSEMBLY (HV FLOOR UNDER WIRE CONNECTION CONDITION)

CAUTION:

Be sure to wear insulated gloves.

(a) Check that the service plug grip is not installed.

NOTICE:

After removing the service plug grip, do not turn the power switch on (READY), unless instructed by the repair manual because this may cause a malfunction.

(b) Remove the No. 1 HV battery cover panel RH.

Click here

(c) Check that the HV floor under wire is connected securely, and there are no contact problems.

(d) Disconnect the HV floor under wire connectors from the HV battery junction block assembly.

(e) Check for arc marks on the terminals of the HV floor under wire and the HV battery junction block assembly.

Result

Proceed to

The terminals are connected securely and there are no contact problems.

There are no arc marks.

A

The terminals are not connected securely and there is a contact problem.

There are arc marks.

B

The terminals are not connected securely and there is a contact problem.

There are no arc marks.

C

The terminals are connected securely and there are no contact problems.

There are arc marks.

B

(f) Reconnect the HV floor under wire connectors.

(g) Install the No. 1 HV battery cover panel RH.

B

REPLACE MALFUNCTIONING PARTS

C

CONNECT SECURELY

A

6.

CHECK FLOOR UNDER WIRE

CAUTION:

Be sure to wear insulated gloves.

(a) Check that the service plug grip is not installed.

NOTICE:

After removing the service plug grip, do not turn the power switch on (READY), unless instructed by the repair manual because this may cause a malfunction.

(b) Remove the No. 1 HV battery cover panel RH.

Click here

(c) Disconnect the HV floor under wire connectors from the HV battery junction block assembly.

(d) Disconnect the HV floor under wire connector from the inverter with converter assembly.

(e) Measure the resistance according to the value(s) in the table below.

*1

Shield Ground

-

-

*a

HV Floor Under Wire

(Inverter with Converter Assembly Side)

*b

HV Floor Under Wire

(HV Battery Junction Block Assembly Side)

Standard Resistance:

Tester Connection

Condition

Specified Condition

a1-1 (CBI) - a2-1 (CBI)

Power switch off

Below 1 Ω

a1-2 (CEI) - a3-1 (CEI)

Power switch off

Below 1 Ω

NOTICE:

Be sure not to damage or deform the terminal being inspected.

(f) Using a megohmmeter set to 500 V, measure the resistance according to the value(s) in the table below.

NOTICE:

Be sure to set the megohmmeter to 500 V when performing this test. Using a setting higher than 500 V can result in damage to the component being inspected.

Standard Resistance:

Tester Connection

Condition

Specified Condition

a1-1 (CBI) or a2-1(CBI) - Body ground and shield ground

Power switch off

10 MΩ or higher

a1-2 (CEI) or a3-1(CEI) - Body ground and shield ground

Power switch off

10 MΩ or higher

a1-1 (CBI) - a1-2 (CEI)

Power switch off

10 MΩ or higher

a2-1 (CBI) - a3-1 (CEI)

Power switch off

10 MΩ or higher

(g) Reconnect the HV floor under wire connector to the inverter with converter assembly.

(h) Reconnect the HV floor under wire connectors to the HV battery junction block assembly.

(i) Install the No. 1 HV battery cover panel RH.

NG

REPLACE FLOOR UNDER WIRE

OK

7.

INSPECT HV BATTERY JUNCTION BLOCK ASSEMBLY (SMRB)

CAUTION:

Be sure to wear insulated gloves.

(a) Check that the service plug grip is not installed.

NOTICE:

After removing the service plug grip, do not turn the power switch on (READY), unless instructed by the repair manual because this may cause a malfunction.

(b) Remove the HV battery junction block assembly.

Click here

(c) Measure the resistance according to the value(s) in the table below.

*a

Component without harness connected

(HV Battery Junction Block Assembly)

-

-

Standard Resistance:

Tester Connection

Condition

Specified Condition

y2-1 (+) - a2-1 (CBI)

Auxiliary battery voltage not applied between terminals N22-1 (SMRB) and N22-3 (GND)

10 kΩ or higher

y2-1 (+) - a2-1 (CBI)

Auxiliary battery voltage applied between terminals N22-1 (SMRB) and N22-3 (GND)

Below 1 Ω

(d) Measure the resistance according to the value(s) in the table below.

Standard Resistance:

Tester Connection

Condition

Specified Condition

N22-1 (SMRB) - N22-3 (GND)

-40 to 80°C (-40 to 176°F)

25.0 to 59.0 Ω

(e) Install the HV battery junction block assembly.

NG

REPLACE HV BATTERY JUNCTION BLOCK ASSEMBLY

OK

8.

INSPECT HV BATTERY JUNCTION BLOCK ASSEMBLY (SMRG)

CAUTION:

Be sure to wear insulated gloves.

(a) Check that the service plug grip is not installed.

NOTICE:

After removing the service plug grip, do not turn the power switch on (READY), unless instructed by the repair manual because this may cause a malfunction.

(b) Remove the HV battery junction block assembly.

Click here

(c) Measure the resistance according to the value(s) in the table below.

*a

Component without harness connected

(HV Battery Junction Block Assembly)

-

-

Standard Resistance:

Tester Connection

Condition

Specified Condition

y6-1 (-) - a3-1 (CEI)

Auxiliary battery voltage not applied between terminals N22-4 (SMRG) and N22-3 (GND)

10 kΩ or higher

y6-1 (-) - a3-1 (CEI)

Auxiliary battery voltage applied between terminals N22-4 (SMRG) and N22-3 (GND)

Below 1 Ω

(d) Measure the resistance according to the value(s) in the table below.

Standard Resistance:

Tester Connection

Condition

Specified Condition

N22-4 (SMRG) - N22-3 (GND)

-40 to 80°C (-40 to 176°F)

25.0 to 59.0 Ω

(e) Install the HV battery junction block assembly.

OK

HV BATTERY HIGH-VOLTAGE LINE CIRCUIT NORMAL (PERFORM NEXT STEP FOR REFERENCED DTC)

NG

REPLACE HV BATTERY JUNCTION BLOCK ASSEMBLY

READ NEXT:

 Cooling System

DESCRIPTION The cause of the malfunction may be the cooling system. Check whether the grille is blocked, whether coolant is leaking, the radiator fan operating condition and whether coolant has frozen

 Hybrid Vehicle Control Ecu

 Components

COMPONENTS ILLUSTRATION *1 HYBRID VEHICLE CONTROL ECU *2 NO. 3 INSTRUMENT PANEL TO COWL BRACE SUB-ASSEMBLY N*m (kgf*cm, ft.*lbf): Specified torque - -

SEE MORE:

 Inspection

INSPECTION PROCEDURE 1. INSPECT DIFFERENTIAL CASE ASSEMBLY (a) Using SST, rotate the front differential side gear as shown in the illustration. SST: 09528-52010 09528-05030 Standard: The front differential side gear does not lock when rotated in either direction. If the result is not as specifie

 Intake Air Temperature Sensor 1 Bank 1 Circuit Short to Battery or Open (P011015)

DESCRIPTION Refer to DTC P011011. Click here HINT: When DTC P011015 is stored, the ECM enters fail-safe mode. During fail-safe mode, the intake air temperature is estimated to be 20°C (68°F) by the ECM. Fail-safe mode continues until a pass condition is detected, and the power switch is then tur

© 2016-2025 Copyright www.lexguide.net