Lexus ES manuals

Lexus ES: Initialization Switch Error (for Test Diagnosis) (C2198)

DESCRIPTION

The switch circuit inside the combination meter assembly turns on and off according to the steering pad switch assembly operation.

During test mode, the tire pressure warning light blinks at 0.125 second intervals when "Set Pressure" is selected on the multi-information display, and illuminates when the "OK" switch (steering pad switch assembly) is pressed.

DTC No.

Detection Item

DTC Detection Condition

Trouble Area

Note

C2198

Initialization Switch Error (for Test Diagnosis)

Test mode procedure is performed.

  • Steering pad switch assembly
  • Spiral cable sub-assembly
  • Wire harness or connector
  • Tire pressure warning ECU and receiver

-

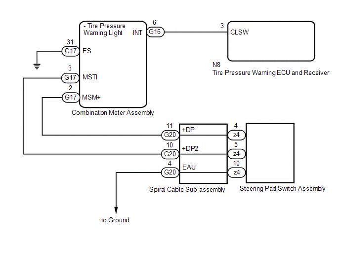
WIRING DIAGRAM

CAUTION / NOTICE / HINT

NOTICE:

  • When replacing the tire pressure warning ECU and receiver, read the transmitter IDs and number of the transmitters (4 or 5) stored in the old ECU using the Techstream and write them down before removal.
  • It is necessary to perform initialization after registration of the transmitter IDs into the tire pressure warning ECU and receiver if the ECU has been replaced.

PROCEDURE

1.

INSPECT STEERING PAD SWITCH ASSEMBLY

(a) Remove the steering pad switch assembly.

Click here

(b) Inspect the steering pad switch assembly.

Click here

NG

REPLACE STEERING PAD SWITCH ASSEMBLY

OK

2.

INSPECT SPIRAL CABLE SUB-ASSEMBLY

(a) Remove the spiral cable sub-assembly.

Click here

(b) Inspect the spiral cable sub-assembly.

Click here

NG

REPLACE SPIRAL CABLE SUB-ASSEMBLY

OK

3.

CHECK HARNESS AND CONNECTOR (SPIRAL CABLE SUB-ASSEMBLY - COMBINATION METER ASSEMBLY)

(a) Disconnect the G20 spiral cable sub-assembly connector.

(b) Disconnect the G17 combination meter assembly connector.

(c) Measure the resistance according to the value(s) in the table below.

Standard Resistance:

Tester Connection

Condition

Specified Condition

G20-11 (+DP) - G17-2 (MSM+)

Always

Below 1 Ω

G20-11 (+DP) or G17-2 (MSM+) - Body ground

Always

10 kΩ or higher

G20-10 (+DP2) - G17-3 (MSTI)

Always

Below 1 Ω

G20-10 (+DP2) or G17-3 (MSTI) - Body ground

Always

10 kΩ or higher

NG

REPAIR OR REPLACE HARNESS OR CONNECTOR

OK

4.

CHECK HARNESS AND CONNECTOR (COMBINATION METER ASSEMBLY - TIRE PRESSURE WARNING ECU AND RECEIVER)

(a) Disconnect the N8 tire pressure warning ECU and receiver connector.

(b) Disconnect the G16 and G17 combination meter assembly connectors.

(c) Measure the resistance according to the value(s) in the table below.

Standard Resistance:

Tester Connection

Condition

Specified Condition

N8-3 (CLSW) - G16-6 (INT)

Always

Below 1 Ω

N8-3 (CLSW) or G16-6 (INT) - Body ground

Always

10 kΩ or higher

G17-31 (ES) - Body ground

Always

Below 1 Ω

NG

REPAIR OR REPLACE HARNESS OR CONNECTOR

OK

5.

CHECK TERMINAL VOLTAGE (INT)

(a) Connect the N8 tire pressure warning ECU and receiver connector.

(b) Disconnect the G16 combination meter assembly connector.

(c) Measure the voltage according to the value(s) in the table below.

Standard Voltage:

Tester Connection

Condition

Specified Condition

G16-6 (INT) - Body ground

Engine switch on (IG)

8 to 15 V

OK

GO TO METER / GAUGE SYSTEM

NG

REPLACE TIRE PRESSURE WARNING ECU AND RECEIVER

READ NEXT:

 Lost Communication with Brake System Control Module (U0129)

DESCRIPTION The tire pressure warning ECU and receiver receives signals from the skid control ECU (brake actuator assembly) via CAN communication system. DTC No. Detection Item DTC Detection Co

 Tire Pressure Warning Light Circuit

DESCRIPTION If the tire pressure warning ECU and receiver detects any problems, the tire pressure warning light blinks for 1 minute then illuminates, and tire pressure monitoring is disabled at the sa

 Tire Position Not Identified

DESCRIPTION The tire pressure warning ECU and receiver identifies the tire position for each tire pressure warning valve and transmitter according to the wheel speed signals from the skid control ECU

SEE MORE:

 Active Grille Air Shutter "B" Circuit Short to Battery (P05B112,P05B114,P05B131)

DESCRIPTION Refer to DTC P059F73. Click here DTC No. Detection Item DTC Detection Condition Trouble Area MIL Memory Note P05B112 Active Grille Air Shutter "B" Circuit Short to Battery All of the following conditions are met and the ECM receives a malfunction signal 17 times*

 Gauges and meters

Meter display ■ Locations of gauges and meters The units of measure may differ depending on the intended destination of the vehicle. Multi-information display Presents the driver with a variety of vehicle data Displays warning messages if a malfunction occurs Outside temperature

© 2016-2025 Copyright www.lexguide.net