Lexus ES manuals

Lexus ES: Fuel Lid Opener does not Operate

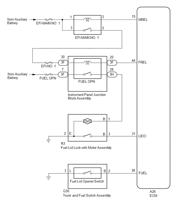
DESCRIPTION

When the trunk and fuel switch assembly (fuel lid opener switch) is pushed, a trunk and fuel switch assembly (fuel lid opener switch) signal is sent to the ECM. The ECM turns on the FUEL OPN relay and EFI-MAIN NO. 1 relay, and the fuel lid lock with motor assembly opens the fuel lid. When the fuel lid is open, a fuel lid courtesy switch signal is output from the fuel lid lock with motor assembly.

WIRING DIAGRAM

CAUTION / NOTICE / HINT

NOTICE:

Inspect the fuses for circuits related to this system before performing the following procedure.

PROCEDURE

1.

CHECK FOR DTCs (HEALTH CHECK)

(a) Connect the Techstream to the DLC3.

(b) Turn the power switch on (IG).

(c) Turn the Techstream on.

(d) Enter the following menus: System Select / Health Check.

(e) Check DTCs.

Result

Proceed to

No DTCs are output.

A

DTCs are output.

B

B

GO TO DTC CHART

A

2.

CHECK EVAPORATIVE EMISSION CONTROL SYSTEM

(a) Perform the Evaporative System Check using the Techstream (Automatic Mode). Refer to "CONFIRMATION DRIVING PATTERN" of P045011.

Click here

(b) Check for DTCs.

Powertrain > Engine > Trouble Codes

OK:

Evaporative emission control system DTCs are not output.

NG

GO TO SFI SYSTEM

OK

3.

PERFORM ACTIVE TEST USING TECHSTREAM (ACTIVATE THE FUEL FILLER OPENER)

(a) Enter the following menus: Powertrain / Engine / Active Test.

(b) Perform the Active Test according to the display on the Techstream.

Powertrain > Engine > Active Test

Tester Display

Measurement Item

Control Range

Diagnostic Note

Activate the Fuel Filler Opener

Fuel lid lock with motor assembly

OFF/ON

-

Powertrain > Engine > Active Test

Tester Display

Activate the Fuel Filler Opener

OK:

The fuel lid lock with motor assembly operates normally.

NG

GO TO STEP 10

OK

4.

READ VALUE USING TECHSTREAM (FUEL LID SW)

(a) Enter the following menus: Powertrain / Engine / Data List.

(b) Read the Data List according to the display on the Techstream.

Powertrain > Engine > Data List

Tester Display

Measurement Item

Range

Normal Condition

Diagnostic Note

Fuel Lid SW

Fuel lid opener switch status

Close or Open

Close: Trunk and fuel switch assembly (fuel lid opener switch) not pushed

Open: Trunk and fuel switch assembly (fuel lid opener switch) pushed

-

Powertrain > Engine > Data List

Tester Display

Fuel Lid SW

OK:

The Techstream display changes correctly in response to the operation of the trunk and fuel switch assembly (fuel lid opener switch).

NG

GO TO STEP 8

OK

5.

READ VALUE USING TECHSTREAM (FUEL LID SENSOR SW)

(a) Enter the following menus: Powertrain / Engine / Data List.

(b) Read the Data List according to the display on the Techstream.

Powertrain > Engine > Data List

Tester Display

Measurement Item

Range

Normal Condition

Diagnostic Note

Fuel Lid Sensor SW

Fuel lid courtesy switch status

Close or Open

Close: Fuel lid closed

Open: Fuel lid open

-

Powertrain > Engine > Data List

Tester Display

Fuel Lid Sensor SW

OK:

The Techstream display changes correctly in response to the operation of the fuel lid courtesy switch (fuel lid lock with motor assembly).

OK

REPLACE ECM

NG

6.

INSPECT FUEL LID LOCK WITH MOTOR ASSEMBLY (FUEL LID COURTESY SWITCH)

(a) Remove the fuel lid lock with motor assembly.

Click here

(b) Inspect the fuel lid lock with motor assembly (fuel lid courtesy switch).

Click here

NG

REPLACE FUEL LID LOCK WITH MOTOR ASSEMBLY

OK

7.

CHECK HARNESS AND CONNECTOR (FUEL LID LOCK WITH MOTOR ASSEMBLY - ECM)

(a) Disconnect the A26 ECM connector.

(b) Measure the resistance according to the value(s) in the table below.

Standard Resistance:

Tester Connection

Condition

Specified Condition

R3-3 (B) - A26-31 (LIDO)

Always

Below 1 Ω

R3-3 (B) or A26-31 (LIDO) - Body ground

Always

10 kΩ or higher

OK

REPLACE ECM

NG

REPAIR OR REPLACE HARNESS OR CONNECTOR

8.

INSPECT TRUNK AND FUEL SWITCH ASSEMBLY (FUEL LID OPENER SWITCH)

(a) Remove the trunk and fuel switch assembly (fuel lid opener switch).

Click here

(b) Inspect the trunk and fuel switch assembly (fuel lid opener switch).

Click here

NG

REPLACE TRUNK AND FUEL SWITCH ASSEMBLY (FUEL LID OPENER SWITCH)

OK

9.

CHECK HARNESS AND CONNECTOR (TRUNK AND FUEL SWITCH ASSEMBLY (FUEL LID OPENER SWITCH) - ECM AND BODY GROUND)

(a) Disconnect the A26 ECM connector.

(b) Measure the resistance according to the value(s) in the table below.

Standard Resistance:

Tester Connection

Condition

Specified Condition

G30-2 (B) - A26-38 (FUEL)

Always

Below 1 Ω

G30-3 (L) - Body ground

Always

Below 1 Ω

G30-2 (B) or A26-38 (FUEL) - Body ground

Always

10 kΩ or higher

OK

REPLACE ECM

NG

REPAIR OR REPLACE HARNESS OR CONNECTOR

10.

INSPECT FUEL LID LOCK WITH MOTOR ASSEMBLY

(a) Remove the fuel lid lock with motor assembly.

Click here

(b) Inspect the fuel lid lock with motor assembly (motor operation).

Click here

NG

REPLACE FUEL LID LOCK WITH MOTOR ASSEMBLY

OK

11.

CHECK HARNESS AND CONNECTOR (INSTRUMENT PANEL JUNCTION BLOCK ASSEMBLY - EFI-MAIN RELAY AND AUXILIARY BATTERY)

(a) Disconnect the 3F instrument panel junction block assembly connector.

(b) Measure the voltage according to the value(s) in the table below.

Standard Voltage:

Tester Connection

Condition

Specified Condition

3F-7 - Body ground

Power switch off

11 to 14 V

3F-30 - Body ground

Power switch on (IG)

11 to 14 V

Power switch off and trunk and fuel switch assembly (fuel lid opener switch) not pressed → trunk and fuel switch assembly (fuel lid opener switch) pressed

Below 1 V → 11 to 14 V

*a

Front view of wire harness connector

(to Instrument Panel Junction Block Assembly)

Result

Proceed to

OK

A

The result for terminal 3F-7 is not as specified.

B

The result for terminal 3F-30 (with power switch on (IG)) is not as specified.

The result for terminal 3F-30 (with power switch off and trunk and fuel switch assembly (fuel lid opener switch) pressed) is not as specified.

C

B

REPAIR OR REPLACE HARNESS OR CONNECTOR

C

REPLACE ECM

A

12.

CHECK HARNESS AND CONNECTOR (INSTRUMENT PANEL JUNCTION BLOCK ASSEMBLY - ECM)

(a) Disconnect the A26 ECM connector.

(b) Measure the resistance according to the value(s) in the table below.

Standard Resistance:

Tester Connection

Condition

Specified Condition

3F-20 - A26-44 (FREL)

Always

Below 1 Ω

3F-20 or A26-44 (FREL) - Body ground

Always

10 kΩ or higher

NG

REPAIR OR REPLACE HARNESS OR CONNECTOR

OK

13.

CHECK HARNESS AND CONNECTOR (INSTRUMENT PANEL JUNCTION BLOCK ASSEMBLY - FUEL LID LOCK WITH MOTOR ASSEMBLY)

(a) Disconnect the 3H instrument panel junction block assembly connector.

(b) Measure the resistance according to the value(s) in the table below.

Standard Resistance:

Tester Connection

Condition

Specified Condition

3H-28 - R3-1 (B)

Always

Below 1 Ω

3H-28 or R3-1 (B) - Body ground

Always

10 kΩ or higher

NG

REPAIR OR REPLACE HARNESS OR CONNECTOR

OK

14.

REPLACE INSTRUMENT PANEL JUNCTION BLOCK ASSEMBLY

(a) Replace the instrument panel junction block assembly.

Click here

NEXT

15.

CHECK FUEL LID OPEN OPERATION

(a) Check that the fuel lid can be opened.

Click here

OK:

The fuel lid can be opened.

OK

END (INSTRUMENT PANEL JUNCTION BLOCK ASSEMBLY WAS DEFECTIVE)

NG

REPLACE ECM

READ NEXT:

 Hood

 Components

COMPONENTS ILLUSTRATION *A for TMK Made *B for TMMK Made *1 HOOD CUSHION CENTER *2 HOOD INSULATOR *3 WASHER HOSE ASSEMBLY *4 WASHER NOZZLE SUB-ASSEMBLY *5 HOOD INSU

 On-vehicle Inspection

ON-VEHICLE INSPECTION PROCEDURE 1. INSPECT HOOD SUB-ASSEMBLY (a) Check that the clearance measurements of areas a through d are within each standard range. Standard Clearance Area Measurement

SEE MORE:

 CAN Communication Failure (Message Registry) (U1000)

DESCRIPTION If DTC U1000 is stored frequently, duplicate the conditions that cause the problem symptoms and perform troubleshooting again even if the DTC is not output when rechecking for DTCs. DTC No. Detection Item DTC Detection Condition Trouble Area U1000 CAN Communication Failure

 Front Right Microphone Circuit Component Internal Failure (B1AA696,B1AA71C)

DESCRIPTION These DTCs are stored when a malfunction occurs in the No. 2 active noise control microphone system. DTC No. Detection Item DTC Detection Condition Trouble Area B1AA696 Front Right Microphone Circuit Component Internal Failure Stereo component equalizer assembly detects

© 2016-2025 Copyright www.lexguide.net