Lexus ES manuals

Lexus ES: FR Damping Force Control Actuator Circuit (C1731-C1734)

Lexus ES (XZ10) Service Manual / Suspension / Suspension Control / Adaptive Variable Suspension System / FR Damping Force Control Actuator Circuit (C1731-C1734)

DESCRIPTION

The absorber control actuator changes the damping force depending on absorber control ECU signals.

DTC No.

Detection Item

DTC Detection Condition

Trouble Area

Warning Indicate

Memory

C1731

FR Damping Force Control Actuator Circuit

Either condition is met:

  • An open circuit is detected between the front absorber control actuator RH (front shock absorber assembly RH) and absorber control ECU.
  • A short circuit is detected between the front absorber control actuator RH (front shock absorber assembly RH) and absorber control ECU.
  • Front absorber control actuator RH (front shock absorber assembly RH)
  • Skid control sensor wire with suspension control RH
  • Wire harness or connector
  • Absorber control ECU

Does not come on

Yes

C1732

FL Damping Force Control Actuator Circuit

Either condition is met:

  • An open circuit is detected between the front absorber control actuator LH (front shock absorber assembly LH) and absorber control ECU.
  • A short circuit is detected between the front absorber control actuator LH (front shock absorber assembly LH) and absorber control ECU.
  • Front absorber control actuator LH (front shock absorber assembly LH)
  • Skid control sensor wire with suspension control LH
  • Wire harness or connector
  • Absorber control ECU

Does not come on

Yes

C1733

RR Damping Force Control Actuator Circuit

Either condition is met:

  • An open circuit is detected between the rear absorber control actuator RH (rear shock absorber assembly RH) and absorber control ECU.
  • A short circuit is detected between the rear absorber control actuator RH (rear shock absorber assembly RH) and absorber control ECU.
  • Rear absorber control actuator RH (rear shock absorber assembly RH)
  • Skid control sensor wire RH (No. 1 parking brake wire assembly)
  • Wire harness or connector
  • Absorber control ECU

Does not come on

Yes

C1734

RL Damping Force Control Actuator Circuit

Either condition is met:

  • An open circuit is detected between the rear absorber control actuator LH (rear shock absorber assembly LH) and absorber control ECU.
  • A short circuit is detected between the rear absorber control actuator LH (rear shock absorber assembly LH) and absorber control ECU.
  • Rear absorber control actuator LH (rear shock absorber assembly LH)
  • Skid control sensor wire LH (No. 2 parking brake wire assembly)
  • Wire harness or connector
  • Absorber control ECU

Does not come on

Yes

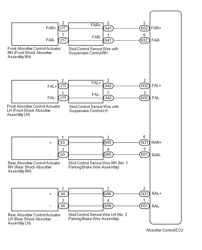
WIRING DIAGRAM

CAUTION / NOTICE / HINT

NOTICE:

  • Before performing troubleshooting, inspect the connectors of related circuits.
  • Before replacing the absorber control ECU, perform all of the following:
    • Symptom simulation.

      Click here

    • DTC inspection.

      Click here

    • Techstream inspection.

      Click here

      • If no malfunctions are found in other areas, replace the absorber control ECU.
  • After replacing the absorber control ECU with a new one, perform registration of vehicle identification information.

    Click here

PROCEDURE

1.

CLEAR DTCS

(a) Clear the DTCs.

Click here

Chassis > Air suspension > Clear DTCs
NEXT

2.

PERFORM ACTIVE TEST USING TECHSTREAM (FOUR-WHEEL DAMPING FORCE FULL HARD/SOFT)

(a) Turn the engine switch off.

(b) Connect the Techstream to the DLC3.

(c) Start the engine.

(d) Turn the Techstream on.

(e) Enter the following menus: Chassis / Air suspension /Active Test.

Chassis > Air suspension > Active Test

Tester Display

Measurement Item

Restrict Condition

Four-Wheel Damping Force Full Hard

Four-wheel damper step fixed at full hard

  • Vehicle stopped
  • Engine idling
  • When the absorber control actuator is normal
  • When the power source voltage is normal

Four-Wheel Damping Force Full Soft

Four-wheel damper step fixed at full soft

  • Vehicle stopped
  • Engine idling
  • When the absorber control actuator is normal
  • When the power source voltage is normal
Chassis > Air suspension > Active Test

Tester Display

Four-Wheel Damping Force Full Hard

Chassis > Air suspension > Active Test

Tester Display

Four-Wheel Damping Force Full Soft

(f) When performing the Active Test, read each Tester Display item for the applicable wheel on the Data List and check the operation status of the absorber control actuator for the applicable wheel.

Chassis > Air suspension > Data List

Tester Display

Measurement Item

Range

Normal Condition

Diagnostic Note

FR Solenoid Aim Electric Current Level for Control

Target solenoid current value (front wheel RH)

Min.: 0 mA

Max.: 2040 mA

Changes depending on target damping force

-

FL Solenoid Aim Electric Current Level for Control

Target solenoid current value (front wheel LH)

Min.: 0 mA

Max.: 2040 mA

Changes depending on target damping force

-

RR Solenoid Aim Electric Current Level for Control

Target solenoid current value (rear wheel RH)

Min.: 0 mA

Max.: 2040 mA

Changes depending on target damping force

-

RL Solenoid Aim Electric Current Level for Control

Target solenoid current value (rear wheel LH)

Min.: 0 mA

Max.: 2040 mA

Changes depending on target damping force

-

FR Solenoid Drive Duty

Solenoid drive duty value (front wheel RH)

Min.: 0%

Max.: 100%

Changes depending on target damping force

-

FL Solenoid Drive Duty

Solenoid drive duty value (front wheel LH)

Min.: 0%

Max.: 100%

Changes depending on target damping force

-

RR Solenoid Drive Duty

Solenoid drive duty value (rear wheel RH)

Min.: 0%

Max.: 100%

Changes depending on target damping force

-

RL Solenoid Drive Duty

Solenoid drive duty value (rear wheel LH)

Min.: 0%

Max.: 100%

Changes depending on target damping force

-

FR Solenoid Electric Current

Solenoid current value (front wheel RH)

Min.: 0 mA

Max.: 2040 mA

Changes depending on target damping force

-

FL Solenoid Electric Current

Solenoid current value (front wheel LH)

Min.: 0 mA

Max.: 2040 mA

Changes depending on target damping force

-

RR Solenoid Electric Current

Solenoid current value (rear wheel RH)

Min.: 0 mA

Max.: 2040 mA

Changes depending on target damping force

-

RL Solenoid Electric Current

Solenoid current value (rear wheel LH)

Min.: 0 mA

Max.: 2040 mA

Changes depending on target damping force

-

Chassis > Air suspension > Data List

Tester Display

FR Solenoid Aim Electric Current Level for Control

FL Solenoid Aim Electric Current Level for Control

RR Solenoid Aim Electric Current Level for Control

RL Solenoid Aim Electric Current Level for Control

FR Solenoid Drive Duty

FL Solenoid Drive Duty

RR Solenoid Drive Duty

RL Solenoid Drive Duty

FR Solenoid Electric Current

FL Solenoid Electric Current

RR Solenoid Electric Current

RL Solenoid Electric Current

OK:

The Data List step numbers, drive duty values and current values change according to the operation of the Active Test.

NG

GO TO STEP 4

OK

3.

RECONFIRM DTC

(a) Check that the same DTC is output.

Click here

Chassis > Air suspension > Trouble Codes

Result

Proceed to

DTC is output

A

DTC is not output

B

B

USE SIMULATION METHOD TO CHECK

A

4.

INSPECT ABSORBER CONTROL ACTUATOR (SHOCK ABSORBER ASSEMBLY)

(a) Turn the engine switch off.

(b) Inspect the absorber control actuator (shock absorber assembly).

for Front Side: Click here

for Rear Side: Click here

Result

Proceed to

OK (for Front Side)

A

OK (for Rear Side)

B

NG (Front absorber control actuator RH (front shock absorber assembly RH) malfunction)

C

NG (Front absorber control actuator LH (front shock absorber assembly LH) malfunction)

D

NG (Rear absorber control actuator RH (rear shock absorber assembly RH) malfunction)

E

NG (Rear absorber control actuator LH (rear shock absorber assembly LH) malfunction)

F

B

GO TO STEP 7

C

REPLACE FRONT ABSORBER CONTROL ACTUATOR RH (FRONT SHOCK ABSORBER ASSEMBLY RH)

D

REPLACE FRONT ABSORBER CONTROL ACTUATOR LH (FRONT SHOCK ABSORBER ASSEMBLY LH)

E

REPLACE REAR ABSORBER CONTROL ACTUATOR RH (REAR SHOCK ABSORBER ASSEMBLY RH)

F

REPLACE REAR ABSORBER CONTROL ACTUATOR LH (REAR SHOCK ABSORBER ASSEMBLY LH)

A

5.

INSPECT SKID CONTROL SENSOR WIRE WITH SUSPENSION CONTROL

*A

for RH

*B

for LH

*a

Component without harness connected

(Skid Control Sensor Wire with Suspension Control)

-

-

(a) Disconnect the z17 or z15 skid control sensor wire with suspension control connector.

(b) Disconnect the A41 or A42 skid control sensor wire with suspension control connector.

(c) Measure the resistance according to the value(s) in the table below.

Standard Resistance:

for RH

Tester Connection

Condition

Specified Condition

z17-2 (FAR+) - A41-2 (FAR+)

Always

Below 1 Ω

z17-1 (FAR-) - A41-1 (FAR-)

z17-2 (FAR+) or A41-2 (FAR+) - Body ground and other terminals

Always

10 kΩ or higher

z17-1 (FAR-) or A41-1 (FAR-) - Body ground and other terminals

for LH

Tester Connection

Condition

Specified Condition

z15-2 (FAL+) - A42-2 (FAL+)

Always

Below 1 Ω

z15-1 (FAL-) - A42-1 (FAL-)

z15-2 (FAL+) or A42-2 (FAL+) - Body ground and other terminals

Always

10 kΩ or higher

z15-1 (FAL-) or A42-1 (FAL-) - Body ground and other terminals

Result

Proceed to

OK

A

NG (for RH)

B

NG (for LH)

C

B

REPLACE SKID CONTROL SENSOR WIRE WITH SUSPENSION CONTROL RH

C

REPLACE SKID CONTROL SENSOR WIRE WITH SUSPENSION CONTROL LH

A

6.

CHECK HARNESS AND CONNECTOR (SKID CONTROL SENSOR WIRE WITH SUSPENSION CONTROL - ABSORBER CONTROL ECU)

(a) Disconnect the N32 absorber control ECU connector.

(b) Measure the resistance according to the value(s) in the table below.

Standard Resistance:

for Front RH

Tester Connection

Condition

Specified Condition

A41-2 (FAR+) - N32-5 (FAR+)

Always

Below 1 Ω

A41-1 (FAR-) - N32-6 (FAR-)

A41-2 (FAR+) or N32-5 (FAR+) - Body ground and other terminals

Always

10 kΩ or higher

A41-1 (FAR-) or N32-6 (FAR-) - Body ground and other terminals

for Front LH

Tester Connection

Condition

Specified Condition

A42-2 (FAL+) - N32-2 (FAL+)

Always

Below 1 Ω

A42-1 (FAL-) - N32-3 (FAL-)

A42-2 (FAL+) or N32-2 (FAL+) - Body ground and other terminals

Always

10 kΩ or higher

A42-1 (FAL-) or N32-3 (FAL-) - Body ground and other terminals

OK

REPLACE ABSORBER CONTROL ECU

NG

REPAIR OR REPLACE HARNESS OR CONNECTOR

7.

INSPECT SKID CONTROL SENSOR WIRE (PARKING BRAKE WIRE ASSEMBLY)

*A

for RH

*B

for LH

*a

Component without harness connected

(Skid Control Sensor Wire (Parking Brake Wire Assembly))

-

-

(a) Disconnect the b5 or b6 skid control sensor wire (parking brake wire assembly) connector.

(b) Disconnect the bN5 or bN6 skid control sensor wire (parking brake wire assembly) connector.

(c) Measure the resistance according to the value(s) in the table below.

Standard Resistance:

for RH

Tester Connection

Condition

Specified Condition

b5-1 (+) - bN5-3

Always

Below 1 Ω

b5-3 (-) - bN5-4

b5-1 (+) or bN5-3 - Body ground and other terminals

Always

10 kΩ or higher

b5-3 (-) or bN5-4 - Body ground and other terminals

for LH

Tester Connection

Condition

Specified Condition

b6-1 (+) - bN6-3

Always

Below 1 Ω

b6-3 (-) - bN6-4

b6-1 (+) or bN6-3 - Body ground and other terminals

Always

10 kΩ or higher

b6-3 (-) or bN6-4 - Body ground and other terminals

Result

Proceed to

OK

A

NG (for RH)

B

NG (for LH)

C

B

REPLACE SKID CONTROL SENSOR WIRE RH (NO. 1 PARKING BRAKE WIRE ASSEMBLY)

C

REPLACE SKID CONTROL SENSOR WIRE LH (NO. 2 PARKING BRAKE WIRE ASSEMBLY)

A

8.

CHECK HARNESS AND CONNECTOR (SKID CONTROL SENSOR WIRE (PARKING BRAKE WIRE ASSEMBLY) - ABSORBER CONTROL ECU)

(a) Disconnect the N31 absorber control ECU connector.

(b) Measure the resistance according to the value(s) in the table below.

Standard Resistance:

for Rear RH

Tester Connection

Condition

Specified Condition

bN5-3 - N31-6 (RAR+)

Always

Below 1 Ω

bN5-4 - N31-5 (RAR-)

bN5-3 or N31-6 (RAR+) - Body ground and other terminals

Always

10 kΩ or higher

bN5-4 or N31-5 (RAR-) - Body ground and other terminals

for Rear LH

Tester Connection

Condition

Specified Condition

bN6-3 - N31-2 (RAL+)

Always

Below 1 Ω

bN6-4 - N31-1 (RAL-)

bN6-3 or N31-2 (RAL+) - Body ground and other terminals

Always

10 kΩ or higher

bN6-4 or N31-1 (RAL-) - Body ground and other terminals

OK

REPLACE ABSORBER CONTROL ECU

NG

REPAIR OR REPLACE HARNESS OR CONNECTOR

READ NEXT:

 Suspension Control ECU Malfunction (C1781)

DESCRIPTION If a malfunction in the absorber control ECU is detected, DTC C1781 is stored. DTC No. Detection Item DTC Detection Condition Trouble Area Warning Indicate Memory C1781

 Front Wheels Speed Sensor Signal Malfunction (C1783)

DESCRIPTION The speed sensors monitor the speed of the wheels and send an appropriate speed signal to the absorber control ECU through the skid control ECU (brake actuator assembly). If a malfunction

 Steering Sensor Signal Malfunction (C1784)

DESCRIPTION Steering sensor signals are sent to the absorber control ECU via CAN communication. If a communication error is detected, DTC C1784 is stored. DTC No. Detection Item DTC Detection C

SEE MORE:

 Initialization Switch Error (for Test Diagnosis) (C2198)

DESCRIPTION The switch circuit inside the combination meter assembly turns on and off according to the steering pad switch assembly operation. During test mode, the tire pressure warning light blinks at 0.125 second intervals when "Set Pressure" is selected on the multi-information display, and illu

 Left Headlight ECU Variation Error (B2456)

DESCRIPTION This DTC is stored if the headlight ECU sub-assembly LH for another destination is installed. AFS*1 DTC No. Detection Item DTC Detection Condition Trouble Area DTC Output from B2456 Left Headlight ECU Variation Error The power switch is on (IG). Vehicle specif

© 2016-2026 Copyright www.lexguide.net