Lexus ES manuals

Lexus ES: Diagnosis System

DIAGNOSIS SYSTEM

CHECK WARNING LIGHT

NOTICE:

  • When there is a problem with the tire pressure warning system, the tire pressure warning light blinks at 0.5 second intervals, and illuminates after 1 minute.
  • When the malfunction has been corrected, the tire pressure warning light goes off.
  • When the tire pressure warning light illuminates, immediately check the tire pressure of the tires and adjust them to the specified value.
  • After the power switch is turned on (IG), the tire pressure warning light illuminates for 3 seconds and then goes off. If the warning light does not illuminate for 3 seconds, proceed to the troubleshooting for the tire pressure warning light circuit.

    Click here

(a) Turn the power switch on (IG).

*1

Tire Pressure Warning Light

(b) Check that the tire pressure warning light illuminates for 3 seconds.

WHAT TO CONSIDER WHEN TIRE PRESSURE WARNING LIGHT ILLUMINATES

(a) When the tire pressure warning light does not go off, or when it illuminates during driving, check the tire pressure. If the tire pressure warning light illuminates within several hours after adjusting the tire pressure, a tire may have a slow air leak.

(b) The system is disabled under the following conditions (when the condition returns to normal, the system will work properly).

(1) When all of the tire and wheel assemblies that have tire pressure warning valve and transmitters registered with the tire pressure warning ECU and receiver have not been installed.

(2) When all of the transmitter ID codes are not registered with the tire pressure warning ECU and receiver.

(3) When the tire pressure warning valve and transmitter battery is depleted (Battery life is 10 years).

(c) The system may become disabled under the following conditions (when the condition returns to normal, the system will work properly).

(1) When electric devices or facilities using similar radio frequencies are nearby.

(2) When a wireless device or other equipment operating at a similar frequency is in use in the vehicle.

(3) When a window tint that affects radio wave signals is installed.

(4) When there is a lot of snow or ice on the vehicle, in particular, around the wheels or wheel housing.

(5) When non-genuine wheels are used.

(6) When tire chains are used.

(7) When aftermarket tire repair sealant is used.

CAUTION:

After use of tire repair sealant, replacement of the tire pressure warning valve and transmitter is required to ensure normal system operation. (Normal system operation cannot be ensured by only repairing or replacing the tire.)

TIRE PRESSURE WARNING LIGHT AND INDICATOR CHART

HINT:

The table below indicates the state of the tire pressure warning light after the power switch is turned on (IG).

 

Immediately after turning the power switch on (IG)

Always

Warning light output pattern

Multi-information Display Condition

Illuminates for 3 sec.

Illuminates for 4 sec.

Goes off

Illuminates

Blinks

Displays

Normal

-

-

-

-

Low tire pressure

-

-

-

Tire Pressure Low Check Tire

System failure

-

-

-

*1

TPWS Malfunction Visit Your Dealer

HINT:

  • Message is displayed only when the tire pressure warning system screen is displayed.
  • TPWS is an abbreviation for Tire Pressure Warning System.

Test mode (signal check mode)

-

-

-

*2

-

Tire pressure initialization

-

-

*3

Setting Tire Pressure Warning System

Tire position identification in progress

-

-

-

-

ECU connector poorly connected

-

-

-

-

*4

-

ID certification, automatic ID registration

-

-

-

*1

Tire Pressure Recalibrating Please Wait until Complete

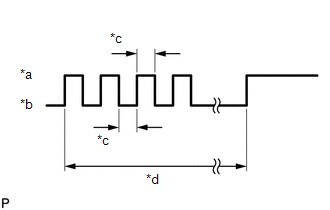
  • *1: Blinks at 0.5 second intervals, and remains illuminated after 1 minute.

    *a

    ON

    *b

    OFF

    *c

    0.5 sec.

    *d

    1 minute

  • *2: Blinks at 0.125 second intervals.

    *a

    ON

    *b

    OFF

    *c

    0.125 sec.

  • *3: Blinks 3 times at 1 second intervals.

    *a

    ON

    *b

    OFF

    *c

    1 sec.

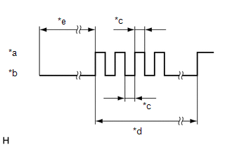
  • *4: Goes off for 10 seconds to check the connection of the ECU connector, and then blinks at 0.5 second intervals, and remains illuminated after 1 minute.

    *a

    ON

    *b

    OFF

    *c

    0.5 sec.

    *d

    1 minute

    *e

    10 sec.

NORMAL MODE DTC

(a) DTCs are stored in the tire pressure warning ECU and receiver and output by blinking the tire pressure warning light or by using the Techstream.

Click here

TEST MODE (SIGNAL CHECK MODE) DTC

(a) By switching from normal mode into test mode (signal check mode), the tire pressure warning ECU and receiver, each tire pressure warning valve and transmitter and tire pressure warning reset switch can be inspected.

Click here

READ NEXT:

 Dtc Check / Clear

DTC CHECK / CLEAR CHECK DTC (for TIRE PRESSURE WARNING ECU AND RECEIVER) (a) Turn the power switch off. (b) Connect the Techstream to the DLC3. (c) Turn the power switch on (IG). (d) Turn the Techstre

 Fail-safe Chart

FAIL-SAFE CHART FAIL-SAFE FUNCTION (a) When a malfunction occurs in the tire pressure warning system, the tire pressure warning light illuminates after blinking for 1 minute to inform the driver of th

 Data List / Active Test

DATA LIST / ACTIVE TEST READ DATA LIST HINT: Using the Techstream to read the Data List allows the values or states of switches, sensors, actuators and other items to be read without removing any part

SEE MORE:

 CD cannot be Inserted / Played or CD is Ejected Right After Insertion

CAUTION / NOTICE / HINT NOTICE: Depending on the parts that are replaced during vehicle inspection or maintenance, performing initialization, registration or calibration may be needed. Refer to Precaution for Audio and Visual System. Click here When replacing the radio receiver assembly, alw

 Driver Side Power Window Auto Up / Down Function does not Operate with Power Window Master Switch

DESCRIPTION If the manual up and down functions operate normally but the auto up and down functions do not, the power window control system may be in fail-safe mode. If power window initialization has not been performed, the auto up and down functions will not operate. Click here WIRING DIAGRAM C

© 2016-2026 Copyright www.lexguide.net