Lexus ES manuals

Lexus ES: Components

COMPONENTS

ILLUSTRATION

*1

REAR DIFFERENTIAL CARRIER ASSEMBLY

*2

WIRE HARNESS CLAMP BRACKET

*3

REAR UPPER DIFFERENTIAL MOUNT STOPPER

*4

REAR LOWER DIFFERENTIAL MOUNT STOPPER

*5

REAR SUSPENSION MEMBER SUB-ASSEMBLY

-

-

Tightening torque for "Major areas involving basic vehicle performance such as moving/turning/stopping": N*m (kgf*cm, ft.*lbf)

N*m (kgf*cm, ft.*lbf): Specified torque

Non-reusable part

-

-

ILLUSTRATION

*1

REAR DIFFERENTIAL CARRIER ASSEMBLY

*2

REAR DIFFERENTIAL SUPPORT

*3

REAR NO. 1 DIFFERENTIAL SUPPORT

*4

REAR NO. 2 DIFFERENTIAL SUPPORT

Tightening torque for "Major areas involving basic vehicle performance such as moving/turning/stopping": N*m (kgf*cm, ft.*lbf)

Non-reusable part

Do not apply lubricants to the threaded parts

-

-

ILLUSTRATION

*1

DIAPHRAGM OIL SEAL

*2

REAR DIFFERENTIAL CARRIER COVER BREATHER PLUG

*3

REAR DIFFERENTIAL CARRIER COVER PLUG

*4

REAR DIFFERENTIAL FILLER PLUG

*5

REAR DRIVE SHAFT OIL SEAL LH

*6

REAR DRIVE SHAFT OIL SEAL RH

*7

REAR DRIVE PINION FRONT TAPERED ROLLER BEARING

*8

REAR DRIVE PINION NUT

*9

STUD BOLT

*10

TRANSMISSION COUPLING ASSEMBLY

*11

TRANSMISSION COUPLING CONICAL SPRING WASHER

*12

TRANSMISSION COUPLING SHIM

*13

4WD LINEAR SOLENOID

*14

YOKE

*15

SNAP RING

*16

O-RING

*17

GASKET

*18

REAR DIFFERENTIAL DRAIN PLUG

Tightening torque for "Major areas involving basic vehicle performance such as moving/turning/stopping": N*m (kgf*cm, ft.*lbf)

N*m (kgf*cm, ft.*lbf): Specified torque

*

For use with SST

Non-reusable part

MP grease

When reusing part: Hypoid gear oil LSD

Precoated part

-

-

*T1

For use without SST: 245 N*m (2498 kgf*cm, 181 ft.*lbf) or less

For use with SST: 226 N*m (2305 kgf*cm, 167 ft.*lbf) or less

-

-

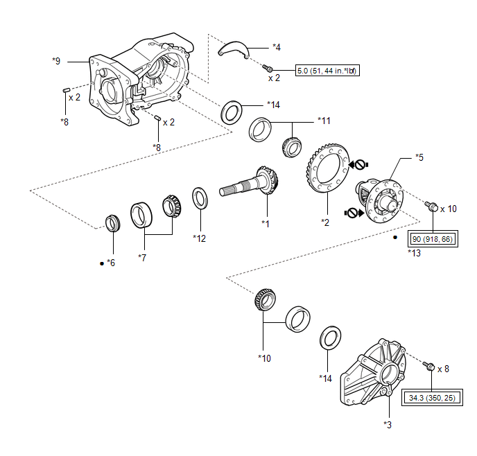
ILLUSTRATION

*1

DIFFERENTIAL DRIVE PINION

*2

DIFFERENTIAL RING GEAR

*3

DIFFERENTIAL SIDE BEARING RETAINER

*4

REAR DIFFERENTIAL BREATHER PLUG OIL DEFLECTOR

*5

REAR DIFFERENTIAL CASE SUB-ASSEMBLY

*6

REAR DIFFERENTIAL DRIVE PINION BEARING SPACER

*7

REAR DRIVE PINION REAR BEARING

*8

STRAIGHT PIN

*9

REAR DIFFERENTIAL CARRIER SUB-ASSEMBLY

*10

REAR DIFFERENTIAL CASE BEARING LH

*11

REAR DIFFERENTIAL CASE BEARING RH

*12

REAR DIFFERENTIAL DRIVE PINION WASHER

*13

REAR DIFFERENTIAL CASE BOLT

*14

REAR DIFFERENTIAL SIDE GEAR SHAFT WASHER

Tightening torque for "Major areas involving basic vehicle performance such as moving/turning/stopping": N*m (kgf*cm, ft.*lbf)

N*m (kgf*cm, ft.*lbf): Specified torque

Non-reusable part

Do not apply lubricants to the threaded parts

READ NEXT:

 Disassembly

DISASSEMBLY CAUTION / NOTICE / HINT NOTICE: Before installation of each part, thoroughly clean and dry it. Then apply gear oil to it. Do not use alkaline chemicals to clean aluminum parts, rubber part

 Installation

INSTALLATION PROCEDURE 1. INSTALL REAR DIFFERENTIAL SUPPORT (a) Install the rear differential support to the rear differential carrier assembly with 4 new bolts. Torque: 72 N·m {734 kgf·cm, 53 ft·

 Reassembly

REASSEMBLY CAUTION / NOTICE / HINT NOTICE: Steps 10 to 17 are temporary reassembly procedures for adjustment purposes. PROCEDURE 1. INSTALL STRAIGHT PIN (a) Using a plastic-faced hammer, install the 4

SEE MORE:

 Boosting Converter Voltage Sensor "A" Voltage Out of Range (P0E311C)

DTC SUMMARY MALFUNCTION DESCRIPTION The hybrid vehicle control ECU detects a VL sensor malfunction. The cause of this malfunction may be one of the following: Inverter voltage (VL) sensor internal circuit malfunction Voltage sensor malfunction Motor generator control ECU (MG ECU) malfunction

 Reverse Signal Circuit between Radio Receiver Assembly and Navigation ECU

DESCRIPTION This circuit includes the navigation ECU and radio receiver assembly. WIRING DIAGRAM PROCEDURE 1. CHECK HARNESS AND CONNECTOR (RADIO RECEIVER ASSEMBLY - NAVIGATION ECU) (a) Disconnect the G1 radio receiver assembly connector. (b) Disconnect the G14 navigation ECU connector. (c)

© 2016-2026 Copyright www.lexguide.net