Lexus ES manuals

Lexus ES: Check Bus 5 Lines for Short Circuit

DESCRIPTION

There may be a short circuit between the CAN main bus lines and/or CAN branch lines when the resistance between terminals 15 (CA5H) and 16 (CA5L) of the central gateway ECU (network gateway ECU) is below 54 Ω.

Symptom

Trouble Area

Resistance between terminals 15 (CA5H) and 16 (CA5L) of the central gateway ECU (network gateway ECU) is below 54 Ω.

  • Short in CAN main bus lines
  • Short in CAN branch lines
  • Central gateway ECU (network gateway ECU)
  • Outer mirror control ECU assembly RH

    (w/ Seat Position Memory System)

  • Headlight ECU sub-assembly RH
  • Position control ECU assembly LH

    (w/ Seat Position Memory System)

  • Outer mirror control ECU assembly LH

    (w/ Seat Position Memory System)

  • Luggage closer motor assembly

    (w/ Power Trunk Lid System)

  • Multiplex tilt and telescopic ECU

    (w/ Power Tilt and Power Telescopic System)

  • Meter mirror sub-assembly

    (w/ Headup Display System)

  • Main body ECU (multiplex network body ECU)
  • Certification ECU (smart key ECU assembly)
  • Air conditioning amplifier assembly
  • Headlight ECU sub-assembly LH
  • Combination meter assembly
  • No. 5 CAN junction connector
  • No. 8 CAN junction connector
  • No. 1 junction connector

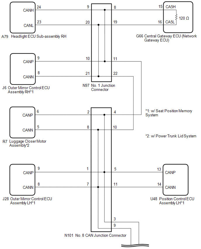
WIRING DIAGRAM

CAUTION / NOTICE / HINT

CAUTION:

When performing the confirmation driving pattern, obey all speed limits and traffic laws.

NOTICE:

  • Because the order of diagnosis is important to allow correct diagnosis, make sure to begin troubleshooting using How to Proceed with Troubleshooting when CAN communication system related DTCs are output.

    Click here

  • Before measuring the resistance of the CAN bus, turn the power switch off and leave the vehicle for 1 minute or more without operating the key or any switches, or opening or closing the doors. After that, disconnect the cable from the negative (-) auxiliary battery terminal and leave the vehicle for 1 minute or more before measuring the resistance.
  • After turning the power switch off, waiting time may be required before disconnecting the cable from the negative (-) auxiliary battery terminal. Therefore, make sure to read the disconnecting the cable from the negative (-) auxiliary battery terminal notices before proceeding with work.

    Click here

  • After performing repairs, perform the DTC check procedure and confirm that the DTCs are not output again.

    DTC check procedure: Turn the power switch on (IG) and wait for 1 minute or more. Then operate the suspected malfunctioning system and drive the vehicle at 60 km/h (37 mph) or more for 5 minutes or more.

  • After the repair, perform the CAN bus check and check that all the ECUs and sensors connected to the CAN communication system are displayed as normal.

    Click here

  • Before replacing the main body ECU (multiplex network body ECU) or certification ECU (smart key ECU assembly), refer to Registration.

    Click here

HINT:

  • Before disconnecting related connectors for inspection, push in on each connector body to check that the connector is not loose or disconnected.
  • When a connector is disconnected, check that the terminals and connector body are not cracked, deformed or corroded.

PROCEDURE

1.

CHECK FOR SHORT IN CAN BUS LINES (NO. 1 JUNCTION CONNECTOR)

(a) Disconnect the cable from the negative (-) auxiliary battery terminal.

(b) Disconnect the N97 No. 1 junction connector.

(c) Measure the resistance according to the value(s) in the table below.

*a

Front view of wire harness connector

(to No. 1 Junction Connector)

*b

to Central Gateway ECU (Network Gateway ECU)

*c

to Headlight ECU Sub-assembly RH

*d

to Outer Mirror Control ECU Assembly RH

(w/ Seat Position Memory System)

*e

to No. 8 CAN Junction Connector

-

-

Standard Resistance:

Tester Connection

Condition

Specified Condition

Connected to

N97-8 (CANH) - N97-19 (CANL)

Cable disconnected from negative (-) auxiliary battery terminal

108 to 132 Ω

Central gateway ECU (network gateway ECU)

N97-9 (CANH) - N97-20 (CANL)

Cable disconnected from negative (-) auxiliary battery terminal

200 Ω or higher

Headlight ECU sub-assembly RH

N97-10 (CANH) - N97-21 (CANL)

Cable disconnected from negative (-) auxiliary battery terminal

200 Ω or higher

Outer mirror control ECU assembly RH*

N97-11 (CANH) - N97-22 (CANL)

Cable disconnected from negative (-) auxiliary battery terminal

108 to 132 Ω

No. 8 CAN junction connector

  • *: w/ Seat Position Memory System

Result

Proceed to

OK

A

NG (Line to central gateway ECU (network gateway ECU))

B

NG (Line to No. 8 CAN junction connector)

C

NG (Line to ECU or sensor)

D

A

REPLACE NO. 1 JUNCTION CONNECTOR

C

GO TO STEP 3

D

GO TO STEP 6

B

2.

CHECK FOR SHORT IN CAN BUS LINES (NO. 1 JUNCTION CONNECTOR - CENTRAL GATEWAY ECU (NETWORK GATEWAY ECU))

(a) Disconnect the G66 central gateway ECU (network gateway ECU) connector.

(b) Measure the resistance according to the value(s) in the table below.

*a

Front view of wire harness connector

(to No. 1 Junction Connector)

*b

to Central Gateway ECU (Network Gateway ECU)

Standard Resistance:

Tester Connection

Condition

Specified Condition

N97-8 (CANH) - N97-19 (CANL)

Cable disconnected from negative (-) auxiliary battery terminal

1 MΩ or higher

OK

REPLACE CENTRAL GATEWAY ECU (NETWORK GATEWAY ECU)

NG

REPAIR OR REPLACE CAN MAIN BUS LINES OR CONNECTOR (NO. 1 JUNCTION CONNECTOR - CENTRAL GATEWAY ECU (NETWORK GATEWAY ECU))

3.

CHECK FOR SHORT IN CAN BUS LINES (NO. 8 CAN JUNCTION CONNECTOR)

(a) Reconnect the N97 No. 1 junction connector.

(b) Disconnect the N101 No. 8 CAN junction connector.

(c) Measure the resistance according to the value(s) in the table below.

*a

Front view of wire harness connector

(to No. 8 CAN Junction Connector)

*b

to Outer Mirror Control ECU Assembly LH

(w/ Seat Position Memory System)

*c

to Luggage Closer Motor Assembly

(w/ Power Trunk Lid System)

*d

to No. 5 CAN Junction Connector

*e

to No. 1 Junction Connector

*f

to Position Control ECU Assembly LH

(w/ Seat Position Memory System)

Standard Resistance:

Tester Connection

Condition

Specified Condition

Connected to

N101-1 (CANH) - N101-7 (CANL)

Cable disconnected from negative (-) auxiliary battery terminal

200 Ω or higher

Outer mirror control ECU assembly LH*1

N101-2 (CANH) - N101-8 (CANL)

Cable disconnected from negative (-) auxiliary battery terminal

200 Ω or higher

Luggage closer motor assembly*2

N101-3 (CANH) - N101-9 (CANL)

Cable disconnected from negative (-) auxiliary battery terminal

108 to 132 Ω

No. 5 CAN junction connector

N101-4 (CANH) - N101-10 (CANL)

Cable disconnected from negative (-) auxiliary battery terminal

108 to 132 Ω

No. 1 junction connector

N101-5 (CANH) - N101-11 (CANL)

Cable disconnected from negative (-) auxiliary battery terminal

200 Ω or higher

Position control ECU assembly LH*1

  • *1: w/ Seat Position Memory System
  • *2: w/ Power Trunk Lid System

Result

Proceed to

OK

A

NG (Line to No. 1 junction connector)

B

NG (Line to No. 5 CAN junction connector)

C

NG (Line to ECU or sensor)

D

A

REPLACE NO. 8 CAN JUNCTION CONNECTOR

B

REPAIR OR REPLACE CAN MAIN BUS LINES OR CONNECTOR (NO. 8 CAN JUNCTION CONNECTOR - NO. 1 JUNCTION CONNECTOR)

D

GO TO STEP 6

C

4.

CHECK FOR SHORT IN CAN BUS LINES (NO. 5 CAN JUNCTION CONNECTOR)

(a) Reconnect the N101 No. 8 CAN junction connector.

(b) Disconnect the G97 No. 5 CAN junction connector.

(c) Measure the resistance according to the value(s) in the table below.

*a

Front view of wire harness connector

(to No. 5 CAN Junction Connector)

*b

to Air Conditioning Amplifier Assembly

*c

to Certification ECU (Smart Key ECU Assembly)

*d

to Headlight ECU Sub-assembly LH

*e

to Main Body ECU (Multiplex Network Body ECU)

*f

to No. 8 CAN Junction Connector

*g

to Combination Meter Assembly

*h

to Meter Mirror Sub-assembly

(w/ Headup Display System)

*i

to Multiplex Tilt and Telescopic ECU

(w/ Power Tilt and Power Telescopic System)

-

-

Standard Resistance:

Tester Connection

Condition

Specified Condition

Connected to

G97-3 (CANH) - G97-14 (CANL)

Cable disconnected from negative (-) auxiliary battery terminal

200 Ω or higher

Air conditioning amplifier assembly

G97-4 (CANH) - G97-15 (CANL)

Cable disconnected from negative (-) auxiliary battery terminal

200 Ω or higher

Certification ECU (smart key ECU assembly)

G97-5 (CANH) - G97-16 (CANL)

Cable disconnected from negative (-) auxiliary battery terminal

200 Ω or higher

Headlight ECU sub-assembly LH

G97-6 (CANH) - G97-17 (CANL)

Cable disconnected from negative (-) auxiliary battery terminal

200 Ω or higher

Main body ECU (multiplex network body ECU)

G97-7 (CANH) - G97-18 (CANL)

Cable disconnected from negative (-) auxiliary battery terminal

108 to 132 Ω

No. 8 CAN junction connector

G97-8 (CANH) - G97-19 (CANL)

Cable disconnected from negative (-) auxiliary battery terminal

108 to 132 Ω

Combination meter assembly

G97-9 (CANH) - G97-20 (CANL)

Cable disconnected from negative (-) auxiliary battery terminal

200 Ω or higher

Meter mirror sub-assembly*1

G97-10 (CANH) - G97-21 (CANL)

Cable disconnected from negative (-) auxiliary battery terminal

200 Ω or higher

Multiplex tilt and telescopic ECU*2

  • *1: w/ Headup Display System
  • *2: w/ Power Tilt and Power Telescopic System

Result

Proceed to

OK

A

NG (Line to No. 8 CAN junction connector)

B

NG (Line to combination meter assembly)

C

NG (Line to ECU or sensor)

D

A

REPLACE NO. 5 CAN JUNCTION CONNECTOR

B

REPAIR OR REPLACE CAN MAIN BUS LINES OR CONNECTOR (NO. 5 CAN JUNCTION CONNECTOR - NO. 8 CAN JUNCTION CONNECTOR)

D

GO TO STEP 6

C

5.

CHECK FOR SHORT IN CAN BUS LINES (NO. 5 CAN JUNCTION CONNECTOR - COMBINATION METER ASSEMBLY)

(a) Disconnect the G17 combination meter assembly connector.

(b) Measure the resistance according to the value(s) in the table below.

*a

Front view of wire harness connector

(to No. 5 CAN Junction Connector)

*b

to Combination Meter Assembly

Standard Resistance:

Tester Connection

Condition

Specified Condition

G97-8 (CANH) - G97-19 (CANL)

Cable disconnected from negative (-) auxiliary battery terminal

1 MΩ or higher

OK

REPLACE COMBINATION METER ASSEMBLY

NG

REPAIR OR REPLACE CAN MAIN BUS LINES OR CONNECTOR (NO. 5 CAN JUNCTION CONNECTOR - COMBINATION METER ASSEMBLY)

6.

CHECK FOR SHORT IN CAN BUS LINES (ECU OR SENSOR)

(a) Reconnect all wire harness connectors.

(b) Disconnect the connector that includes terminals CANH and CANL from the ECU or sensor to which the short circuited branch line is connected.

Click here

(c) Measure the resistance according to the value(s) in the table below.

Standard Resistance:

Tester Connection

Condition

Specified Condition

G66-15 (CA5H) - G66-16 (CA5L)

Cable disconnected from negative (-) auxiliary battery terminal

54 to 69 Ω

HINT:

  • If the resistance becomes normal (between 54 and 69 Ω) when the connector is disconnected from the ECU or sensor, there may be a short in the ECU or sensor.
  • If the resistance does not become normal when the connector is disconnected from the ECU or sensor, check for a short in the wire harness and repair or replace the wire harness or connector if necessary.

*a

Component with harness connected

(Central Gateway ECU (Network Gateway ECU))

OK

REPLACE ECU OR SENSOR

NG

REPAIR OR REPLACE HARNESS OR CONNECTOR

READ NEXT:

 Open in Bus 5 Main Bus Line

DESCRIPTION There may be an open circuit in one of the CAN main bus lines when the resistance between terminals 15 (CA5H) and 16 (CA5L) of the central gateway ECU (network gateway ECU) is 70 Ω or hig

 Open in One Side of Bus 4 Branch Line

DESCRIPTION When the CAN bus main lines are normal (no open, short to ground, short to +B or short between lines) and there is an ECU or sensor on the "Communication Bus Check" screen that is indicate

 Check Bus 4 Line for Short to GND

DESCRIPTION There may be a short circuit between one of the CAN bus lines and GND when there is no resistance between terminal 22 (CA2H) of the central gateway ECU (network gateway ECU) and terminal 4

SEE MORE:

 Right Rear Wheel Speed Sensor Circuit Intermittent (C05121F)

DESCRIPTION Refer to DTC C051212 Click here DTC No. Detection Item DTC Detection Condition Trouble Area C05121F Right Rear Wheel Speed Sensor Circuit Intermittent The speed sensor signal is excessively noisy. The calculated change in wheel speed is more than 980 m/s2 for 5*1

 DC/DC Converter Current Sensor Signal Stuck In Range (P0E512A)

DTC SUMMARY MALFUNCTION DESCRIPTION This DTC is stored if the value of the reactor current sensor does not change. The cause of this malfunction may be one of the following: Area Main Malfunction Description Inverter Inverter internal circuit malfunction Malfunction in ECU that contr

© 2016-2026 Copyright www.lexguide.net