Lexus ES manuals

Lexus ES: Check Bus 4 Lines for Short Circuit

DESCRIPTION

There may be a short circuit between the CAN main bus lines and/or CAN branch lines when the resistance between terminals 22 (CA2H) and 7 (CA2L) of the central gateway ECU (network gateway ECU) is below 54 Ω.

Symptom

Trouble Area

Resistance between terminals 22 (CA2H) and 7 (CA2L) of the central gateway ECU (network gateway ECU) is below 54 Ω.

  • Short in CAN main bus lines
  • Short in CAN branch lines
  • Central gateway ECU (network gateway ECU)
  • Tire pressure warning ECU and receiver
  • Occupant detection ECU
  • Steering sensor
  • Rack and pinion power steering gear assembly
  • Hybrid vehicle control ECU
  • Brake actuator assembly
  • Brake booster with master cylinder assembly
  • ECM
  • Airbag ECU assembly
  • No. 2 CAN junction connector
  • No. 4 CAN junction connector
  • No. 7 CAN junction connector

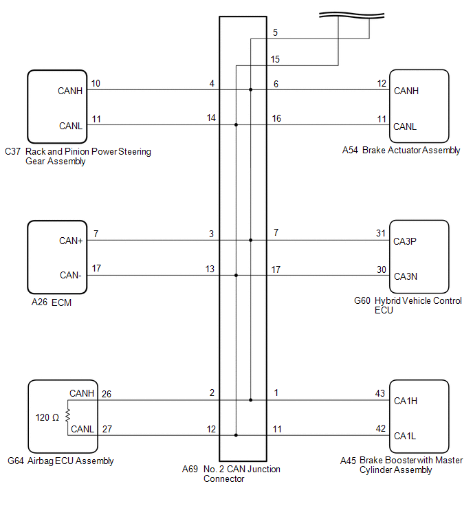
WIRING DIAGRAM

CAUTION / NOTICE / HINT

CAUTION:

When performing the confirmation driving pattern, obey all speed limits and traffic laws.

NOTICE:

  • Because the order of diagnosis is important to allow correct diagnosis, make sure to begin troubleshooting using How to Proceed with Troubleshooting when CAN communication system related DTCs are output.

    Click here

  • Before measuring the resistance of the CAN bus, turn the power switch off and leave the vehicle for 1 minute or more without operating the key or any switches, or opening or closing the doors. After that, disconnect the cable from the negative (-) auxiliary battery terminal and leave the vehicle for 1 minute or more before measuring the resistance.
  • After turning the power switch off, waiting time may be required before disconnecting the cable from the negative (-) auxiliary battery terminal. Therefore, make sure to read the disconnecting the cable from the negative (-) auxiliary battery terminal notices before proceeding with work.

    Click here

  • After performing repairs, perform the DTC check procedure and confirm that the DTCs are not output again.

    DTC check procedure: Turn the power switch on (IG) and wait for 1 minute or more. Then operate the suspected malfunctioning system and drive the vehicle at 60 km/h (37 mph) or more for 5 minutes or more.

  • After the repair, perform the CAN bus check and check that all the ECUs and sensors connected to the CAN communication system are displayed as normal.

    Click here

  • Before replacing the hybrid vehicle control ECU, refer to Registration.

    Click here

HINT:

  • Before disconnecting related connectors for inspection, push in on each connector body to check that the connector is not loose or disconnected.
  • When a connector is disconnected, check that the terminals and connector body are not cracked, deformed or corroded.

PROCEDURE

1.

CHECK FOR SHORT IN CAN BUS LINES (NO. 7 CAN JUNCTION CONNECTOR)

(a) Disconnect the cable from the negative (-) auxiliary battery terminal.

(b) Disconnect the N99 No. 7 CAN junction connector.

(c) Measure the resistance according to the value(s) in the table below.

*a

Front view of wire harness connector

(to No. 7 CAN Junction Connector)

*b

to Tire Pressure Warning ECU and Receiver

*c

to Occupant Detection ECU

*d

to Central Gateway ECU (Network Gateway ECU)

*e

to No. 4 CAN Junction Connector

-

-

Standard Resistance:

Tester Connection

Condition

Specified Condition

Connected to

N99-1 (CANH) - N99-7 (CANL)

Cable disconnected from negative (-) auxiliary battery terminal

200 Ω or higher

Tire pressure warning ECU and receiver

N99-2 (CANH) - N99-8 (CANL)

Cable disconnected from negative (-) auxiliary battery terminal

200 Ω or higher

Occupant detection ECU

N99-3 (CANH) - N99-9 (CANL)

Cable disconnected from negative (-) auxiliary battery terminal

108 to 132 Ω

Central gateway ECU (network gateway ECU)

N99-4 (CANH) - N99-10 (CANL)

Cable disconnected from negative (-) auxiliary battery terminal

108 to 132 Ω

No. 4 CAN junction connector

Result

Proceed to

OK

A

NG (Line to central gateway ECU (network gateway ECU))

B

NG (Line to No. 4 CAN junction connector)

C

NG (Line to ECU or sensor)

D

A

REPLACE NO. 7 CAN JUNCTION CONNECTOR

C

GO TO STEP 3

D

GO TO STEP 7

B

2.

CHECK FOR SHORT IN CAN BUS LINES (NO. 7 CAN JUNCTION CONNECTOR - CENTRAL GATEWAY ECU (NETWORK GATEWAY ECU))

(a) Disconnect the G66 central gateway ECU (network gateway ECU) connector.

(b) Measure the resistance according to the value(s) in the table below.

*a

Front view of wire harness connector

(to No. 7 CAN Junction Connector)

*b

to Central Gateway ECU (Network Gateway ECU)

Standard Resistance:

Tester Connection

Condition

Specified Condition

N99-3 (CANH) - N99-9 (CANL)

Cable disconnected from negative (-) auxiliary battery terminal

1 MΩ or higher

OK

REPLACE CENTRAL GATEWAY ECU (NETWORK GATEWAY ECU)

NG

REPAIR OR REPLACE CAN MAIN BUS LINES OR CONNECTOR (NO. 7 CAN JUNCTION CONNECTOR - CENTRAL GATEWAY ECU (NETWORK GATEWAY ECU))

3.

CHECK FOR SHORT IN CAN BUS LINES (NO. 4 CAN JUNCTION CONNECTOR - NO. 7 CAN JUNCTION CONNECTOR)

(a) Reconnect the N99 No. 7 CAN junction connector.

(b) Disconnect the G99 No. 4 CAN junction connector.

(c) Measure the resistance according to the value(s) in the table below.

*a

Front view of wire harness connector

(to No. 4 CAN Junction Connector)

*b

to No. 7 CAN Junction Connector

Standard Resistance:

Tester Connection

Condition

Specified Condition

G99-6 (CANH) - G99-17 (CANL)

Cable disconnected from negative (-) auxiliary battery terminal

108 to 132 Ω

NG

REPAIR OR REPLACE CAN MAIN BUS LINES OR CONNECTOR (NO. 4 CAN JUNCTION CONNECTOR - NO. 7 CAN JUNCTION CONNECTOR)

OK

4.

CHECK FOR SHORT IN CAN BUS LINES (NO. 4 CAN JUNCTION CONNECTOR)

(a) Reconnect the G99 No. 4 CAN junction connector.

(b) Disconnect the G98 No. 4 CAN junction connector.

(c) Measure the resistance according to the value(s) in the table below.

*a

Front view of wire harness connector

(to No. 4 CAN Junction Connector)

*b

to No. 2 CAN Junction Connector

*c

to Steering Sensor

-

-

Standard Resistance:

Tester Connection

Condition

Specified Condition

Connected to

G98-6 (CANH) - G98-17 (CANL)

Cable disconnected from negative (-) auxiliary battery terminal

108 to 132 Ω

No. 2 CAN junction connector

G98-7 (CANH) - G98-18 (CANL)

Cable disconnected from negative (-) auxiliary battery terminal

200 Ω or higher

Steering sensor

Result

Proceed to

OK

A

NG (Line to No. 2 CAN junction connector)

B

NG (Line to ECU or sensor)

C

A

REPLACE NO. 4 CAN JUNCTION CONNECTOR

C

GO TO STEP 7

B

5.

CHECK FOR SHORT IN CAN BUS LINES (NO. 2 CAN JUNCTION CONNECTOR)

(a) Reconnect the G98 No. 4 CAN junction connector.

(b) Disconnect the A69 No. 2 CAN junction connector.

(c) Measure the resistance according to the value(s) in the table below.

*a

Front view of wire harness connector

(to No. 2 CAN Junction Connector)

*b

to Brake Booster with Master Cylinder Assembly

*c

to Airbag ECU Assembly

*d

to ECM

*e

to Rack and Pinion Power Steering Gear Assembly

*f

to No. 4 CAN Junction Connector

*g

to Brake Actuator Assembly

*h

to Hybrid Vehicle Control ECU

Standard Resistance:

Tester Connection

Condition

Specified Condition

Connected to

A69-1 (CANH) - A69-11 (CANL)

Cable disconnected from negative (-) auxiliary battery terminal

200 Ω or higher

Brake booster with master cylinder assembly

A69-2 (CANH) - A69-12 (CANL)

Cable disconnected from negative (-) auxiliary battery terminal

108 to 132 Ω

Airbag ECU assembly

A69-3 (CANH) - A69-13 (CANL)

Cable disconnected from negative (-) auxiliary battery terminal

200 Ω or higher

ECM

A69-4 (CANH) - A69-14 (CANL)

Cable disconnected from negative (-) auxiliary battery terminal

200 Ω or higher

Rack and pinion power steering gear assembly

A69-5 (CANH) - A69-15 (CANL)

Cable disconnected from negative (-) auxiliary battery terminal

108 to 132 Ω

No. 4 CAN junction connector

A69-6 (CANH) - A69-16 (CANL)

Cable disconnected from negative (-) auxiliary battery terminal

200 Ω or higher

Brake actuator assembly

A69-7 (CANH) - A69-17 (CANL)

Cable disconnected from negative (-) auxiliary battery terminal

200 Ω or higher

Hybrid vehicle control ECU

Result

Proceed to

OK

A

NG (Line to airbag ECU assembly)

B

NG (Line to No. 4 CAN junction connector)

C

NG (Line to ECU or sensor)

D

A

REPLACE NO. 2 CAN JUNCTION CONNECTOR

C

REPAIR OR REPLACE CAN MAIN BUS LINES OR CONNECTOR (NO. 2 CAN JUNCTION CONNECTOR - NO. 4 CAN JUNCTION CONNECTOR)

D

GO TO STEP 7

B

6.

CHECK FOR SHORT IN CAN BUS LINES (NO. 2 CAN JUNCTION CONNECTOR - AIRBAG ECU ASSEMBLY)

(a) Disconnect the G64 airbag ECU assembly connector.

(b) Measure the resistance according to the value(s) in the table below.

*a

Front view of wire harness connector

(to No. 2 CAN Junction Connector)

*b

to Airbag ECU Assembly

Standard Resistance:

Tester Connection

Condition

Specified Condition

A69-2 (CANH) - A69-12 (CANL)

Cable disconnected from negative (-) auxiliary battery terminal

1 MΩ or higher

OK

REPLACE AIRBAG ECU ASSEMBLY

NG

REPAIR OR REPLACE CAN MAIN BUS LINES OR CONNECTOR (NO. 2 CAN JUNCTION CONNECTOR - AIRBAG ECU ASSEMBLY)

7.

CHECK FOR SHORT IN CAN BUS LINES (ECU OR SENSOR)

(a) Reconnect all wire harness connectors.

(b) Disconnect the connector that includes terminals CANH and CANL from the ECU or sensor to which the short circuited branch line is connected.

Click here

(c) Measure the resistance according to the value(s) in the table below.

Standard Resistance:

Tester Connection

Condition

Specified Condition

G66-22 (CA2H) - G66-7 (CA2L)

Cable disconnected from negative (-) auxiliary battery terminal

54 to 69 Ω

HINT:

  • If the resistance becomes normal (between 54 and 69 Ω) when the connector is disconnected from the ECU or sensor, there may be a short in the ECU or sensor.
  • If the resistance does not become normal when the connector is disconnected from the ECU or sensor, check for a short in the wire harness and repair or replace the wire harness or connector if necessary.

*a

Component with harness connected

(Central Gateway ECU (Network Gateway ECU))

OK

REPLACE ECU OR SENSOR

NG

REPAIR OR REPLACE HARNESS OR CONNECTOR

READ NEXT:

 Open in Bus 4 Main Bus Line

DESCRIPTION There may be an open circuit in one of the CAN main bus lines when the resistance between terminals 22 (CA2H) and 7 (CA2L) of the central gateway ECU (network gateway ECU) is 70 Ω or high

 Open in One Side of Bus 3 Branch Line

DESCRIPTION When the CAN bus main lines are normal (no open, short to ground, short to +B or short between lines) and there is an ECU or sensor on the "Communication Bus Check" screen that is indicate

 Check Bus 3 Line for Short to GND

DESCRIPTION There may be a short circuit between one of the CAN bus lines and GND when there is no resistance between terminal 6 (CA3H) of the central gateway ECU (network gateway ECU) and terminal 4

SEE MORE:

 Open or Short Circuit in Back Camera Signal (C1622)

DESCRIPTION DTC C1622 is stored if the parking assist ECU judges as a result of its self check that the signals or signal lines between the parking assist ECU and the rear television camera assembly are not normal. DTC No. Detection Item DTC Detection Condition Trouble Area C1622 Open

 Drive Motor "A" Phase U Current Sensor Circuit Short to Battery (P0BE512,...,P0BED1F)

DTC SUMMARY MALFUNCTION DESCRIPTION These DTCs indicate that the current sensor value is abnormal. The cause of this malfunction may be one of the following: Internal inverter malfunction Inverter with converter assembly internal circuit malfunction Inverter low-voltage circuit malfunction

© 2016-2026 Copyright www.lexguide.net