Lexus ES manuals

Lexus ES: Check Bus 1 Line for Short to GND

DESCRIPTION

There may be a short circuit between one of the CAN bus lines and GND when there is no resistance between terminal 23 (CA1H) of the central gateway ECU (network gateway ECU) and terminal 4 (CG) of the DLC3, or terminal 8 (CA1L) of the central gateway ECU (network gateway ECU) and terminal 4 (CG) of the DLC3.

Symptom

Trouble Area

There is no resistance between terminal 23 (CA1H) of the central gateway ECU (network gateway ECU) and terminal 4 (CG) of the DLC3, or terminal 8 (CA1L) of the central gateway ECU (network gateway ECU) and terminal 4 (CG) of the DLC3.

  • Short to ground in CAN main bus line
  • Short to ground in CAN branch line
  • Central gateway ECU (network gateway ECU)
  • Forward recognition camera
  • Clearance warning ECU assembly

    (w/ Parking Support Brake System)

  • Parking assist ECU

    (w/ Panoramic View Monitor System)

  • Millimeter wave radar sensor assembly
  • Blind spot monitor sensor RH

    (w/ Blind Spot Monitor System)

  • Rear television camera assembly
  • No. 1 CAN junction connector
  • No. 6 CAN junction connector
  • No. 1 CAN junction terminal

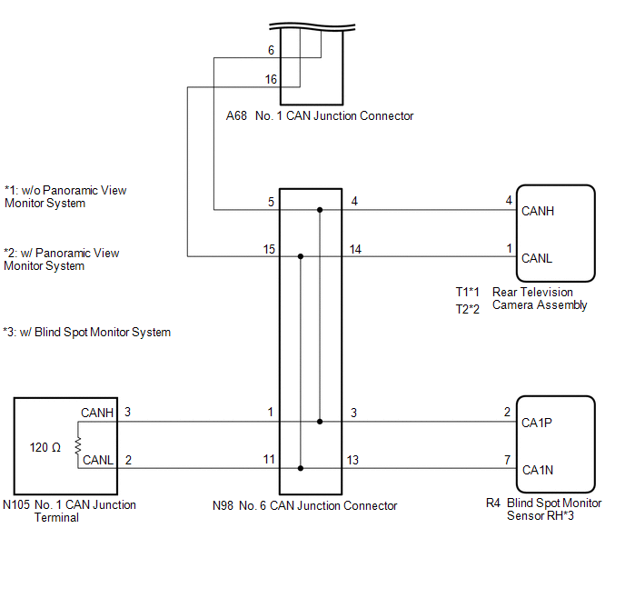
WIRING DIAGRAM

CAUTION / NOTICE / HINT

CAUTION:

When performing the confirmation driving pattern, obey all speed limits and traffic laws.

NOTICE:

  • Because the order of diagnosis is important to allow correct diagnosis, make sure to begin troubleshooting using How to Proceed with Troubleshooting when CAN communication system related DTCs are output.

    Click here

  • Before measuring the resistance of the CAN bus, turn the engine switch off and leave the vehicle for 1 minute or more without operating the key or any switches, or opening or closing the doors. After that, disconnect the cable from the negative (-) battery terminal and leave the vehicle for 1 minute or more before measuring the resistance.
  • After turning the engine switch off, waiting time may be required before disconnecting the cable from the negative (-) battery terminal. Therefore, make sure to read the disconnecting the cable from the negative (-) battery terminal notices before proceeding with work.

    Click here

  • After performing repairs, perform the DTC check procedure and confirm that the DTCs are not output again.

    DTC check procedure: Turn the engine switch on (IG) and wait for 1 minute or more. Then operate the suspected malfunctioning system and drive the vehicle at 60 km/h (37 mph) or more for 5 minutes or more.

  • After the repair, perform the CAN bus check and check that all the ECUs and sensors connected to the CAN communication system are displayed as normal.

    Click here

HINT:

  • Before disconnecting related connectors for inspection, push in on each connector body to check that the connector is not loose or disconnected.
  • When a connector is disconnected, check that the terminals and connector body are not cracked, deformed or corroded.

PROCEDURE

1.

CHECK FOR SHORT TO GND IN CAN BUS LINE (NO. 1 CAN JUNCTION CONNECTOR)

(a) Disconnect the cable from the negative (-) battery terminal.

(b) Disconnect the A68 No. 1 CAN junction connector.

(c) Measure the resistance according to the value(s) in the table below.

*1

DLC3

-

-

*a

Front view of wire harness connector

(to No. 1 CAN Junction Connector)

*b

to Millimeter Wave Radar Sensor Assembly

*c

to Forward Recognition Camera

*d

to Central Gateway ECU (Network Gateway ECU)

*e

to No. 6 CAN Junction Connector

*f

to Parking Assist ECU

(w/ Panoramic View Monitor System)

*g

to Clearance Warning ECU Assembly

(w/ Parking Support Brake System)

-

-

Standard Resistance:

Tester Connection

Condition

Specified Condition

Connected to

A68-2 (CANH) - G57-4 (CG)

Cable disconnected from negative (-) battery terminal

200 Ω or higher

Millimeter wave radar sensor assembly

A68-12 (CANL) - G57-4 (CG)

A68-3 (CANH) - G57-4 (CG)

Cable disconnected from negative (-) battery terminal

200 Ω or higher

Forward recognition camera

A68-13 (CANL) - G57-4 (CG)

A68-4 (CANH) - G57-4 (CG)

Cable disconnected from negative (-) battery terminal

200 Ω or higher

Central gateway ECU (network gateway ECU)

A68-14 (CANL) - G57-4 (CG)

A68-6 (CANH) - G57-4 (CG)

Cable disconnected from negative (-) battery terminal

200 Ω or higher

No. 6 CAN junction connector

A68-16 (CANL) - G57-4 (CG)

A68-7 (CANH) - G57-4 (CG)

Cable disconnected from negative (-) battery terminal

200 Ω or higher

Parking assist ECU*1

A68-17 (CANL) - G57-4 (CG)

A68-8 (CANH) - G57-4 (CG)

Cable disconnected from negative (-) battery terminal

200 Ω or higher

Clearance warning ECU assembly*2

A68-18 (CANL) - G57-4 (CG)

  • *1: w/ Panoramic View Monitor System
  • *2: w/ Parking Support Brake System

Result

Proceed to

OK

A

NG (Line to central gateway ECU (network gateway ECU))

B

NG (Line to No. 6 CAN junction connector)

C

NG (Line to ECU or sensor)

D

A

REPLACE NO. 1 CAN JUNCTION CONNECTOR

C

GO TO STEP 3

D

GO TO STEP 4

B

2.

CHECK FOR SHORT TO GND IN CAN BUS LINE (NO. 1 CAN JUNCTION CONNECTOR - CENTRAL GATEWAY ECU (NETWORK GATEWAY ECU))

(a) Disconnect the G66 central gateway ECU (network gateway ECU) connector.

(b) Measure the resistance according to the value(s) in the table below.

*1

DLC3

-

-

*a

Front view of wire harness connector

(to No. 1 CAN Junction Connector)

*b

to Central Gateway ECU (Network Gateway ECU)

Standard Resistance:

Tester Connection

Condition

Specified Condition

A68-4 (CANH) - G57-4 (CG)

Cable disconnected from negative (-) battery terminal

200 Ω or higher

A68-14 (CANL) - G57-4 (CG)

OK

REPLACE CENTRAL GATEWAY ECU (NETWORK GATEWAY ECU)

NG

REPAIR OR REPLACE CAN MAIN BUS LINE OR CONNECTOR (NO. 1 CAN JUNCTION CONNECTOR - CENTRAL GATEWAY ECU (NETWORK GATEWAY ECU))

3.

CHECK FOR SHORT TO GND IN CAN BUS LINE (NO. 6 CAN JUNCTION CONNECTOR)

(a) Disconnect the N98 No. 6 CAN junction connector.

(b) Measure the resistance according to the value(s) in the table below.

*1

DLC3

-

-

*a

Front view of wire harness connector

(to No. 6 CAN Junction Connector)

*b

to No. 1 CAN Junction Terminal

*c

to Blind Spot Monitor Sensor RH

(w/ Blind Spot Monitor System)

*d

to Rear Television Camera Assembly

*e

to No. 1 CAN Junction Connector

-

-

Standard Resistance:

Tester Connection

Condition

Specified Condition

Connected to

N98-1 (CANH) - G57-4 (CG)

Cable disconnected from negative (-) battery terminal

200 Ω or higher

No. 1 CAN junction terminal

N98-11 (CANL) - G57-4 (CG)

N98-3 (CANH) - G57-4 (CG)

Cable disconnected from negative (-) battery terminal

200 Ω or higher

Blind spot monitor sensor RH*

N98-13 (CANL) - G57-4 (CG)

N98-4 (CANH) - G57-4 (CG)

Cable disconnected from negative (-) battery terminal

200 Ω or higher

Rear television camera assembly

N98-14 (CANL) - G57-4 (CG)

N98-5 (CANH) - G57-4 (CG)

Cable disconnected from negative (-) battery terminal

200 Ω or higher

No. 1 CAN junction connector

N98-15 (CANL) - G57-4 (CG)

  • *: w/ Blind Spot Monitor System

Result

Proceed to

OK

A

NG (Line to No. 1 CAN junction connector)

B

NG (Line to ECU or sensor)

C

A

REPLACE NO. 6 CAN JUNCTION CONNECTOR

B

REPAIR OR REPLACE CAN MAIN BUS LINE OR CONNECTOR (NO. 6 CAN JUNCTION CONNECTOR - NO. 1 CAN JUNCTION CONNECTOR)

C

GO TO STEP 4

4.

CHECK FOR SHORT TO GND IN CAN BUS LINE (ECU OR SENSOR)

(a) Reconnect all wire harness connectors.

(b) Disconnect the connector that includes terminals CANH and CANL from the ECU or sensor to which the bus line shorted to GND is connected.

Click here

(c) Measure the resistance according to the value(s) in the table below.

*1

DLC3

-

-

*a

Component with harness connected

(Central Gateway ECU (Network Gateway ECU))

-

-

Standard Resistance:

Tester Connection

Condition

Specified Condition

G66-23 (CA1H) - G57-4 (CG)

Cable disconnected from negative (-) battery terminal

200 Ω or higher

G66-8 (CA1L) - G57-4 (CG)

HINT:

  • If the resistance changes to 200 Ω or higher when the connector is disconnected from the ECU or sensor, there may be a short in the ECU or sensor.
  • If the resistance does not become normal when the connector is disconnected from the ECU or sensor, check for a short to ground in the wire harness and repair or replace the wire harness or connector if necessary.
OK

REPLACE ECU OR SENSOR

NG

REPAIR OR REPLACE HARNESS OR CONNECTOR

READ NEXT:

 Check Bus 1 Lines for Short Circuit

DESCRIPTION There may be a short circuit between the CAN main bus lines and/or CAN branch lines when the resistance between terminals 23 (CA1H) and 8 (CA1L) of the central gateway ECU (network gateway

 Open in Bus 1 Main Bus Line

DESCRIPTION There may be an open circuit in one of the CAN main bus lines when the resistance between terminals 23 (CA1H) and 8 (CA1L) of the central gateway ECU (network gateway ECU) is 70 Ω or high

 Restraints Occupant Classification System Module Communication Stop Mode

DESCRIPTION Detection Item Symptom Trouble Area Restraints Occupant Classification System Module Communication Stop Mode Any of the following conditions are met: Communication stop for

SEE MORE:

 Steering Angle Initialization Incomplete (C1694)

DESCRIPTION This DTC is stored when the rear television camera assembly judges that the maximum steering angle has not been memorized (steering angle setting is incomplete). DTC No. Detection Item DTC Detection Condition Trouble Area C1694 Steering Angle Initialization Incomplete Ma

 Problem Symptoms Table

PROBLEM SYMPTOMS TABLE NOTICE: After replacing the radio receiver assembly of vehicles subscribed to pay-type satellite radio broadcasts, registration of the XM radio ID is necessary (w/ SXM Function). If the DCM (telematics transceiver) has been replaced, perform the DCM Activation procedure.

© 2016-2026 Copyright www.lexguide.net