Lexus ES manuals

Lexus ES: Check Bus 2 Line for Short to GND

DESCRIPTION

There may be a short circuit between one of the CAN bus lines and GND when there is no resistance between terminal 18 (CA4H) of the central gateway ECU (network gateway ECU) and terminal 4 (CG) of the DLC3, or terminal 17 (CA4L) of the central gateway ECU (network gateway ECU) and terminal 4 (CG) of the DLC3.

Symptom

Trouble Area

There is no resistance between terminal 18 (CA4H) of the central gateway ECU (network gateway ECU) and terminal 4 (CG) of the DLC3, or terminal 17 (CA4L) of the central gateway ECU (network gateway ECU) and terminal 4 (CG) of the DLC3.

  • Short to ground in CAN main bus line
  • Short to ground in CAN branch line
  • Central gateway ECU (network gateway ECU)
  • ECM
  • Hybrid vehicle control ECU
  • Vehicle approaching speaker controller
  • Brake booster with master cylinder assembly
  • Inverter with converter assembly
  • No. 4 CAN junction connector
  • No. 2 junction connector

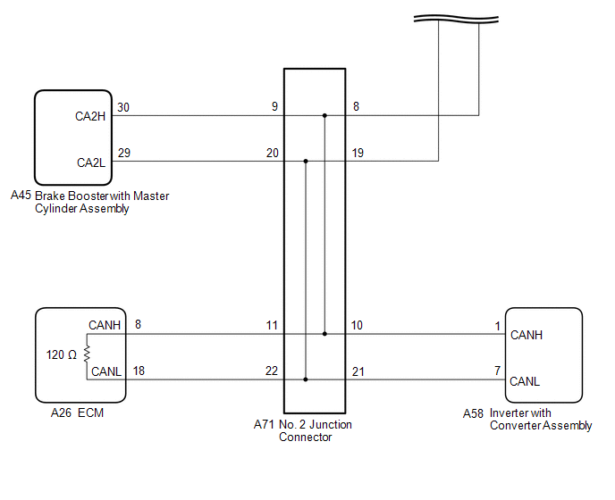
WIRING DIAGRAM

CAUTION / NOTICE / HINT

CAUTION:

When performing the confirmation driving pattern, obey all speed limits and traffic laws.

NOTICE:

  • Because the order of diagnosis is important to allow correct diagnosis, make sure to begin troubleshooting using How to Proceed with Troubleshooting when CAN communication system related DTCs are output.

    Click here

  • Before measuring the resistance of the CAN bus, turn the power switch off and leave the vehicle for 1 minute or more without operating the key or any switches, or opening or closing the doors. After that, disconnect the cable from the negative (-) auxiliary battery terminal and leave the vehicle for 1 minute or more before measuring the resistance.
  • After turning the power switch off, waiting time may be required before disconnecting the cable from the negative (-) auxiliary battery terminal. Therefore, make sure to read the disconnecting the cable from the negative (-) auxiliary battery terminal notices before proceeding with work.

    Click here

  • After performing repairs, perform the DTC check procedure and confirm that the DTCs are not output again.

    DTC check procedure: Turn the power switch on (IG) and wait for 1 minute or more. Then operate the suspected malfunctioning system and drive the vehicle at 60 km/h (37 mph) or more for 5 minutes or more.

  • After the repair, perform the CAN bus check and check that all the ECUs and sensors connected to the CAN communication system are displayed as normal.

    Click here

  • Before replacing the hybrid vehicle control ECU, refer to Registration.

    Click here

HINT:

  • Before disconnecting related connectors for inspection, push in on each connector body to check that the connector is not loose or disconnected.
  • When a connector is disconnected, check that the terminals and connector body are not cracked, deformed or corroded.

PROCEDURE

1.

CHECK FOR SHORT TO GND IN CAN BUS LINE (NO. 2 JUNCTION CONNECTOR)

(a) Disconnect the cable from the negative (-) auxiliary battery terminal.

(b) Disconnect the A71 No. 2 junction connector.

(c) Measure the resistance according to the value(s) in the table below.

*1

DLC3

-

-

*a

Front view of wire harness connector

(to No. 2 Junction Connector)

*b

to No. 4 CAN Junction Connector

*c

to Brake Booster with Master Cylinder Assembly

*d

to Inverter with Converter Assembly

*e

to ECM

-

-

Standard Resistance:

Tester Connection

Condition

Specified Condition

Connected to

A71-8 (CANH) - G57-4 (CG)

Cable disconnected from negative (-) auxiliary battery terminal

200 Ω or higher

No. 4 CAN junction connector

A71-19 (CANL) - G57-4 (CG)

A71-9 (CANH) - G57-4 (CG)

Cable disconnected from negative (-) auxiliary battery terminal

200 Ω or higher

Brake booster with master cylinder assembly

A71-20 (CANL) - G57-4 (CG)

A71-10 (CANH) - G57-4 (CG)

Cable disconnected from negative (-) auxiliary battery terminal

200 Ω or higher

Inverter with converter assembly

A71-21 (CANL) - G57-4 (CG)

A71-11 (CANH) - G57-4 (CG)

Cable disconnected from negative (-) auxiliary battery terminal

200 Ω or higher

ECM

A71-22 (CANL) - G57-4 (CG)

Result

Proceed to

OK

A

NG (Line to No. 4 CAN junction connector)

B

NG (Line to ECU or sensor)

C

A

REPLACE NO. 2 JUNCTION CONNECTOR

C

GO TO STEP 5

B

2.

CHECK FOR SHORT TO GND IN CAN BUS LINE (NO. 4 CAN JUNCTION CONNECTOR)

(a) Disconnect the G99 No. 4 CAN junction connector.

(b) Measure the resistance according to the value(s) in the table below.

*1

DLC3

-

-

*a

Front view of wire harness connector

(to No. 4 CAN Junction Connector)

*b

to Hybrid Vehicle Control ECU

*c

to No. 2 Junction Connector

-

-

Standard Resistance:

Tester Connection

Condition

Specified Condition

Connected to

G99-9 (CANH) - G57-4 (CG)

Cable disconnected from negative (-) auxiliary battery terminal

200 Ω or higher

Hybrid vehicle control ECU

G99-20 (CANL) - G57-4 (CG)

G99-11 (CANH) - G57-4 (CG)

Cable disconnected from negative (-) auxiliary battery terminal

200 Ω or higher

No. 2 junction connector

G99-22 (CANL) - G57-4 (CG)

Result

Proceed to

OK

A

NG (Line to No. 2 junction connector)

B

NG (Line to ECU or sensor)

C

B

REPAIR OR REPLACE CAN MAIN BUS LINE OR CONNECTOR (NO. 4 CAN JUNCTION CONNECTOR - NO. 2 JUNCTION CONNECTOR)

C

GO TO STEP 5

A

3.

CHECK FOR SHORT TO GND IN CAN BUS LINE (NO. 4 CAN JUNCTION CONNECTOR)

(a) Disconnect the G98 No. 4 CAN junction connector.

(b) Measure the resistance according to the value(s) in the table below.

*1

DLC3

-

-

*a

Front view of wire harness connector

(to No. 4 CAN Junction Connector)

*b

to Central Gateway ECU (Network Gateway ECU)

*c

to Vehicle Approaching Speaker Controller

-

-

Standard Resistance:

Tester Connection

Condition

Specified Condition

Connected to

G98-1 (CANH) - G57-4 (CG)

Cable disconnected from negative (-) auxiliary battery terminal

200 Ω or higher

Central gateway ECU (network gateway ECU)

G98-12 (CANL) - G57-4 (CG)

G98-2 (CANH) - G57-4 (CG)

Cable disconnected from negative (-) auxiliary battery terminal

200 Ω or higher

Vehicle approaching speaker controller

G98-13 (CANL) - G57-4 (CG)

Result

Proceed to

OK

A

NG (Line to central gateway ECU (network gateway ECU))

B

NG (Line to ECU or sensor)

C

A

REPLACE NO. 4 CAN JUNCTION CONNECTOR

C

GO TO STEP 5

B

4.

CHECK FOR SHORT TO GND IN CAN BUS LINE (NO. 4 CAN JUNCTION CONNECTOR - CENTRAL GATEWAY ECU (NETWORK GATEWAY ECU))

(a) Disconnect the G66 central gateway ECU (network gateway ECU) connector.

(b) Measure the resistance according to the value(s) in the table below.

*1

DLC3

-

-

*a

Front view of wire harness connector

(to No. 4 CAN Junction Connector)

*b

to Central Gateway ECU (Network Gateway ECU)

Standard Resistance:

Tester Connection

Condition

Specified Condition

G98-1 (CANH) - G57-4 (CG)

Cable disconnected from negative (-) auxiliary battery terminal

200 Ω or higher

G98-12 (CANL) - G57-4 (CG)

OK

REPLACE CENTRAL GATEWAY ECU (NETWORK GATEWAY ECU)

NG

REPAIR OR REPLACE CAN MAIN BUS LINE OR CONNECTOR (NO. 4 CAN JUNCTION CONNECTOR - CENTRAL GATEWAY ECU (NETWORK GATEWAY ECU))

5.

CHECK FOR SHORT TO GND IN CAN BUS LINE (ECU OR SENSOR)

(a) Reconnect all wire harness connectors.

(b) Disconnect the connector that includes terminals CANH and CANL from the ECU or sensor to which the bus line shorted to GND is connected.

Click here

(c) Measure the resistance according to the value(s) in the table below.

*1

DLC3

-

-

*a

Component with harness connected

(Central Gateway ECU (Network Gateway ECU))

-

-

Standard Resistance:

Tester Connection

Condition

Specified Condition

G66-18 (CA4H) - G57-4 (CG)

Cable disconnected from negative (-) auxiliary battery terminal

200 Ω or higher

G66-17 (CA4L) - G57-4 (CG)

HINT:

  • If the resistance changes to 200 Ω or higher when the connector is disconnected from the ECU or sensor, there may be a short in the ECU or sensor.
  • If the resistance does not become normal when the connector is disconnected from the ECU or sensor, check for a short to ground in the wire harness and repair or replace the wire harness or connector if necessary.
OK

REPLACE ECU OR SENSOR

NG

REPAIR OR REPLACE HARNESS OR CONNECTOR

READ NEXT:

 Check Bus 2 Line for Short to +B

DESCRIPTION There may be a short circuit between one of the CAN bus lines and +B when there is no resistance between terminal 18 (CA4H) of the central gateway ECU (network gateway ECU) and terminal 16

 Check Bus 2 Lines for Short Circuit

DESCRIPTION There may be a short circuit between the CAN main bus lines and/or CAN branch lines when the resistance between terminals 18 (CA4H) and 17 (CA4L) of the central gateway ECU (network gatewa

 Open in Bus 2 Main Bus Line

DESCRIPTION There may be an open circuit in one of the CAN main bus lines when the resistance between terminals 18 (CA4H) and 17 (CA4L) of the central gateway ECU (network gateway ECU) is 70 Ω or hig

SEE MORE:

 Driver Side Power Window Auto Up / Down Function does not Operate with Power Window Master Switch

DESCRIPTION If the manual up and down functions operate normally but the auto up and down functions do not, the power window control system may be in fail-safe mode. If power window initialization has not been performed, the auto up and down functions will not operate. Click here WIRING DIAGRAM C

 Components

COMPONENTS ILLUSTRATION *A for HV Model *B for Gasoline Model *1 REAR DOOR SCUFF PLATE LH *2 REAR DOOR SCUFF PLATE RH *3 REAR SEAT SIDE GARNISH LH *4 REAR SEAT SIDE GARNISH RH *5 ROOF SIDE INNER GARNISH ASSEMBLY LH *6 ROOF SIDE INNER GARNISH ASSEMBLY RH *7

© 2016-2026 Copyright www.lexguide.net