Lexus ES manuals

Lexus ES: Open in Bus 2 Main Bus Line

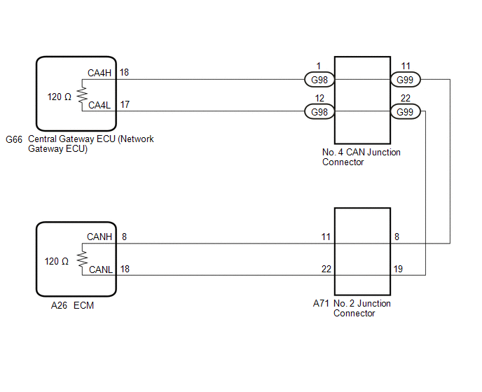
DESCRIPTION

There may be an open circuit in one of the CAN main bus lines when the resistance between terminals 18 (CA4H) and 17 (CA4L) of the central gateway ECU (network gateway ECU) is 70 Ω or higher.

Symptom

Trouble Area

Resistance between terminals 18 (CA4H) and 17 (CA4L) of the central gateway ECU (network gateway ECU) is 70 Ω or higher.

  • CAN main bus lines or connector
  • Central gateway ECU (network gateway ECU)
  • ECM
  • No. 4 CAN junction connector
  • No. 2 junction connector

This malfunction is not related to the lines of a CAN branch or to ECUs or sensors connected to a CAN branch.

WIRING DIAGRAM

CAUTION / NOTICE / HINT

CAUTION:

When performing the confirmation driving pattern, obey all speed limits and traffic laws.

NOTICE:

  • Because the order of diagnosis is important to allow correct diagnosis, make sure to begin troubleshooting using How to Proceed with Troubleshooting when CAN communication system related DTCs are output.

    Click here

  • Before measuring the resistance of the CAN bus, turn the power switch off and leave the vehicle for 1 minute or more without operating the key or any switches, or opening or closing the doors. After that, disconnect the cable from the negative (-) auxiliary battery terminal and leave the vehicle for 1 minute or more before measuring the resistance.
  • After turning the power switch off, waiting time may be required before disconnecting the cable from the negative (-) auxiliary battery terminal. Therefore, make sure to read the disconnecting the cable from the negative (-) auxiliary battery terminal notices before proceeding with work.

    Click here

  • After performing repairs, perform the DTC check procedure and confirm that the DTCs are not output again.

    DTC check procedure: Turn the power switch on (IG) and wait for 1 minute or more. Then operate the suspected malfunctioning system and drive the vehicle at 60 km/h (37 mph) or more for 5 minutes or more.

  • After the repair, perform the CAN bus check and check that all the ECUs and sensors connected to the CAN communication system are displayed as normal.

    Click here

HINT:

  • Before disconnecting related connectors for inspection, push in on each connector body to check that the connector is not loose or disconnected.
  • When a connector is disconnected, check that the terminals and connector body are not cracked, deformed or corroded.

PROCEDURE

1.

CHECK FOR OPEN IN CAN MAIN BUS LINES (NO. 2 JUNCTION CONNECTOR)

(a) Disconnect the cable from the negative (-) auxiliary battery terminal.

(b) Disconnect the A71 No. 2 junction connector.

(c) Measure the resistance according to the value(s) in the table below.

*a

Front view of wire harness connector

(to No. 2 Junction Connector)

*b

to No. 4 CAN Junction Connector

*c

to ECM

-

-

Standard Resistance:

Tester Connection

Condition

Specified Condition

Connected to

A71-8 (CANH) - A71-19 (CANL)

Cable disconnected from negative (-) auxiliary battery terminal

108 to 132 Ω

No. 4 CAN junction connector

A71-11 (CANH) - A71-22 (CANL)

Cable disconnected from negative (-) auxiliary battery terminal

108 to 132 Ω

ECM

Result

Proceed to

OK

A

NG (Line to ECM)

B

NG (Line to No. 4 CAN junction connector)

C

A

REPLACE NO. 2 JUNCTION CONNECTOR

C

GO TO STEP 3

B

2.

CHECK FOR OPEN IN CAN MAIN BUS LINES (ECM)

(a) Reconnect the A71 No. 2 junction connector.

(b) Disconnect the A26 ECM connector.

(c) Measure the resistance according to the value(s) in the table below.

Standard Resistance:

Tester Connection

Condition

Specified Condition

A26-8 (CANH) - A26-18 (CANL)

Cable disconnected from negative (-) auxiliary battery terminal

108 to 132 Ω

*a

Front view of wire harness connector

(to ECM)

OK

REPLACE ECM

NG

REPAIR OR REPLACE CAN MAIN BUS LINES OR CONNECTOR (ECM - NO. 2 JUNCTION CONNECTOR)

3.

CHECK FOR OPEN IN CAN MAIN BUS LINES (NO. 4 CAN JUNCTION CONNECTOR - NO. 2 JUNCTION CONNECTOR)

(a) Reconnect the A71 No. 2 junction connector.

(b) Disconnect the G99 No. 4 CAN junction connector.

(c) Measure the resistance according to the value(s) in the table below.

*a

Front view of wire harness connector

(to No. 4 CAN Junction Connector)

*b

to No. 2 Junction Connector

Standard Resistance:

Tester Connection

Condition

Specified Condition

G99-11 (CANH) - G99-22 (CANL)

Cable disconnected from negative (-) auxiliary battery terminal

108 to 132 Ω

NG

REPAIR OR REPLACE CAN MAIN BUS LINES OR CONNECTOR (NO. 4 CAN JUNCTION CONNECTOR - NO. 2 JUNCTION CONNECTOR)

OK

4.

CHECK FOR OPEN IN CAN MAIN BUS LINES (NO. 4 CAN JUNCTION CONNECTOR)

(a) Reconnect the G99 No. 4 CAN junction connector.

(b) Disconnect the G98 No. 4 CAN junction connector.

(c) Measure the resistance according to the value(s) in the table below.

*a

Front view of wire harness connector

(to No. 4 CAN Junction Connector)

*b

to Central Gateway ECU (Network Gateway ECU)

Standard Resistance:

Tester Connection

Condition

Specified Condition

G98-1 (CANH) - G98-12 (CANL)

Cable disconnected from negative (-) auxiliary battery terminal

108 to 132 Ω

OK

REPLACE NO. 4 CAN JUNCTION CONNECTOR

NG

5.

CHECK FOR OPEN IN CAN MAIN BUS LINES (CENTRAL GATEWAY ECU (NETWORK GATEWAY ECU))

(a) Reconnect the G98 No. 4 CAN junction connector.

(b) Disconnect the G66 central gateway ECU (network gateway ECU) connector.

(c) Measure the resistance according to the value(s) in the table below.

Standard Resistance:

Tester Connection

Condition

Specified Condition

G66-18 (CA4H) - G66-17 (CA4L)

Cable disconnected from negative (-) auxiliary battery terminal

108 to 132 Ω

*a

Front view of wire harness connector

(to Central Gateway ECU (Network Gateway ECU))

OK

REPLACE CENTRAL GATEWAY ECU (NETWORK GATEWAY ECU)

NG

REPAIR OR REPLACE CAN MAIN BUS LINES OR CONNECTOR (CENTRAL GATEWAY ECU (NETWORK GATEWAY ECU) - NO. 4 CAN JUNCTION CONNECTOR)

READ NEXT:

 Open in One Side of Bus 1 Branch Line

DESCRIPTION When the CAN bus main lines are normal (no open, short to ground, short to +B or short between lines) and there is an ECU or sensor on the "Communication Bus Check" screen that is indicate

 Check Bus 1 Line for Short to GND

DESCRIPTION There may be a short circuit between one of the CAN bus lines and GND when there is no resistance between terminal 23 (CA1H) of the central gateway ECU (network gateway ECU) and terminal 4

 Check Bus 1 Line for Short to +B

DESCRIPTION There may be a short circuit between one of the CAN bus lines and +B when there is no resistance between terminal 23 (CA1H) of the central gateway ECU (network gateway ECU) and terminal 16

SEE MORE:

 Hybrid/EV Battery Discharge Control Malfunction (P300000)

DESCRIPTION The hybrid vehicle control ECU alerts the driver and performs fail-safe control based on error signals received from the battery voltage sensor. This DTC is stored when the SOC (state of charge) of the HV battery has dropped excessively as a result of leaving shift lever in N, running ou

 When Auxiliary Battery Is Discharged

WHEN AUXILIARY BATTERY IS DISCHARGED WHEN AUXILIARY BATTERY IS DISCHARGED (a) When the auxiliary battery is discharged. NOTICE: The booster terminal can only be used to rescue this vehicle and can not be used to rescue another vehicle with a discharged battery. HINT: The following problems indicate

© 2016-2026 Copyright www.lexguide.net