Lexus ES manuals

Lexus ES: Check Bus 2 Line for Short to +B

DESCRIPTION

There may be a short circuit between one of the CAN bus lines and +B when there is no resistance between terminal 18 (CA4H) of the central gateway ECU (network gateway ECU) and terminal 16 (BAT) of the DLC3, or terminal 17 (CA4L) of the central gateway ECU (network gateway ECU) and terminal 16 (BAT) of the DLC3.

Symptom

Trouble Area

There is no resistance between terminal 18 (CA4H) of the central gateway ECU (network gateway ECU) and terminal 16 (BAT) of the DLC3, or terminal 17 (CA4L) of the central gateway ECU (network gateway ECU) and terminal 16 (BAT) of the DLC3.

  • Short to +B in CAN main bus line
  • Short to +B in CAN branch line
  • Central gateway ECU (network gateway ECU)
  • ECM
  • Hybrid vehicle control ECU
  • Vehicle approaching speaker controller
  • Brake booster with master cylinder assembly
  • Inverter with converter assembly
  • No. 4 CAN junction connector
  • No. 2 junction connector

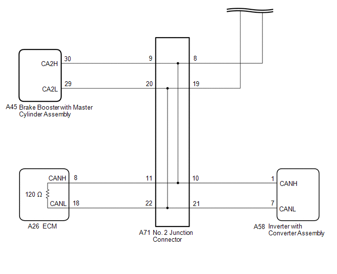
WIRING DIAGRAM

CAUTION / NOTICE / HINT

CAUTION:

When performing the confirmation driving pattern, obey all speed limits and traffic laws.

NOTICE:

  • Because the order of diagnosis is important to allow correct diagnosis, make sure to begin troubleshooting using How to Proceed with Troubleshooting when CAN communication system related DTCs are output.

    Click here

  • Before measuring the resistance of the CAN bus, turn the power switch off and leave the vehicle for 1 minute or more without operating the key or any switches, or opening or closing the doors. After that, disconnect the cable from the negative (-) auxiliary battery terminal and leave the vehicle for 1 minute or more before measuring the resistance.
  • After turning the power switch off, waiting time may be required before disconnecting the cable from the negative (-) auxiliary battery terminal. Therefore, make sure to read the disconnecting the cable from the negative (-) auxiliary battery terminal notices before proceeding with work.

    Click here

  • After performing repairs, perform the DTC check procedure and confirm that the DTCs are not output again.

    DTC check procedure: Turn the power switch on (IG) and wait for 1 minute or more. Then operate the suspected malfunctioning system and drive the vehicle at 60 km/h (37 mph) or more for 5 minutes or more.

  • After the repair, perform the CAN bus check and check that all the ECUs and sensors connected to the CAN communication system are displayed as normal.

    Click here

  • Before replacing the hybrid vehicle control ECU, refer to Registration.

    Click here

HINT:

  • Before disconnecting related connectors for inspection, push in on each connector body to check that the connector is not loose or disconnected.
  • When a connector is disconnected, check that the terminals and connector body are not cracked, deformed or corroded.

PROCEDURE

1.

CHECK FOR SHORT TO +B IN CAN BUS LINE (NO. 2 JUNCTION CONNECTOR)

(a) Disconnect the cable from the negative (-) auxiliary battery terminal.

(b) Disconnect the A71 No. 2 junction connector.

(c) Measure the resistance according to the value(s) in the table below.

*1

DLC3

-

-

*a

Front view of wire harness connector

(to No. 2 Junction Connector)

*b

to No. 4 CAN Junction Connector

*c

to Brake Booster with Master Cylinder Assembly

*d

to Inverter with Converter Assembly

*e

to ECM

-

-

Standard Resistance:

Tester Connection

Condition

Specified Condition

Connected to

A71-8 (CANH) - G57-16 (BAT)

Cable disconnected from negative (-) auxiliary battery terminal

6 kΩ or higher

No. 4 CAN junction connector

A71-19 (CANL) - G57-16 (BAT)

A71-9 (CANH) - G57-16 (BAT)

Cable disconnected from negative (-) auxiliary battery terminal

6 kΩ or higher

Brake booster with master cylinder assembly

A71-20 (CANL) - G57-16 (BAT)

A71-10 (CANH) - G57-16 (BAT)

Cable disconnected from negative (-) auxiliary battery terminal

6 kΩ or higher

Inverter with converter assembly

A71-21 (CANL) - G57-16 (BAT)

A71-11 (CANH) - G57-16 (BAT)

Cable disconnected from negative (-) auxiliary battery terminal

6 kΩ or higher

ECM

A71-22 (CANL) - G57-16 (BAT)

Result

Proceed to

OK

A

NG (Line to No. 4 CAN junction connector)

B

NG (Line to ECU or sensor)

C

A

REPLACE NO. 2 JUNCTION CONNECTOR

C

GO TO STEP 5

B

2.

CHECK FOR SHORT TO +B IN CAN BUS LINE (NO. 4 CAN JUNCTION CONNECTOR)

(a) Disconnect the G99 No. 4 CAN junction connector.

(b) Measure the resistance according to the value(s) in the table below.

*1

DLC3

-

-

*a

Front view of wire harness connector

(to No. 4 CAN Junction Connector)

*b

to Hybrid Vehicle Control ECU

*c

to No. 2 Junction Connector

-

-

Standard Resistance:

Tester Connection

Condition

Specified Condition

Connected to

G99-9 (CANH) - G57-16 (BAT)

Cable disconnected from negative (-) auxiliary battery terminal

6 kΩ or higher

Hybrid vehicle control ECU

G99-20 (CANL) - G57-16 (BAT)

G99-11 (CANH) - G57-16 (BAT)

Cable disconnected from negative (-) auxiliary battery terminal

6 kΩ or higher

No. 2 junction connector

G99-22 (CANL) - G57-16 (BAT)

Result

Proceed to

OK

A

NG (Line to No. 2 junction connector)

B

NG (Line to ECU or sensor)

C

B

REPAIR OR REPLACE CAN MAIN BUS LINE OR CONNECTOR (NO. 4 CAN JUNCTION CONNECTOR - NO. 2 JUNCTION CONNECTOR)

C

GO TO STEP 5

A

3.

CHECK FOR SHORT TO +B IN CAN BUS LINE (NO. 4 CAN JUNCTION CONNECTOR)

(a) Disconnect the G98 No. 4 CAN junction connector.

(b) Measure the resistance according to the value(s) in the table below.

*1

DLC3

-

-

*a

Front view of wire harness connector

(to No. 4 CAN Junction Connector)

*b

to Central Gateway ECU (Network Gateway ECU)

*c

to Vehicle Approaching Speaker Controller

-

-

Standard Resistance:

Tester Connection

Condition

Specified Condition

Connected to

G98-1 (CANH) - G57-16 (BAT)

Cable disconnected from negative (-) auxiliary battery terminal

6 kΩ or higher

Central gateway ECU (network gateway ECU)

G98-12 (CANL) - G57-16 (BAT)

G98-2 (CANH) - G57-16 (BAT)

Cable disconnected from negative (-) auxiliary battery terminal

6 kΩ or higher

Vehicle approaching speaker controller

G98-13 (CANL) - G57-16 (BAT)

Result

Proceed to

OK

A

NG (Line to central gateway ECU (network gateway ECU))

B

NG (Line to ECU or sensor)

C

A

REPLACE NO. 4 CAN JUNCTION CONNECTOR

C

GO TO STEP 5

B

4.

CHECK FOR SHORT TO +B IN CAN BUS LINE (NO. 4 CAN JUNCTION CONNECTOR - CENTRAL GATEWAY ECU (NETWORK GATEWAY ECU))

(a) Disconnect the G66 central gateway ECU (network gateway ECU) connector.

(b) Measure the resistance according to the value(s) in the table below.

*1

DLC3

-

-

*a

Front view of wire harness connector

(to No. 4 CAN Junction Connector)

*b

to Central Gateway ECU (Network Gateway ECU)

Standard Resistance:

Tester Connection

Condition

Specified Condition

G98-1 (CANH) - G57-16 (BAT)

Cable disconnected from negative (-) auxiliary battery terminal

6 kΩ or higher

G98-12 (CANL) - G57-16 (BAT)

OK

REPLACE CENTRAL GATEWAY ECU (NETWORK GATEWAY ECU)

NG

REPAIR OR REPLACE CAN MAIN BUS LINE OR CONNECTOR (NO. 4 CAN JUNCTION CONNECTOR - CENTRAL GATEWAY ECU (NETWORK GATEWAY ECU))

5.

CHECK FOR SHORT TO +B IN CAN BUS LINE (ECU OR SENSOR)

(a) Reconnect all wire harness connectors.

(b) Disconnect the connector that includes terminals CANH and CANL from the ECU or sensor to which the bus line shorted to +B is connected.

Click here

(c) Measure the resistance according to the value(s) in the table below.

*1

DLC3

-

-

*a

Component with harness connected

(Central Gateway ECU (Network Gateway ECU))

-

-

Standard Resistance:

Tester Connection

Condition

Specified Condition

G66-18 (CA4H) - G57-16 (BAT)

Cable disconnected from negative (-) auxiliary battery terminal

6 kΩ or higher

G66-17 (CA4L) - G57-16 (BAT)

HINT:

  • If the resistance changes to 6 kΩ or higher when the connector is disconnected from the ECU or sensor, there may be a short in the ECU or sensor.
  • If the resistance does not become normal when the connector is disconnected from the ECU or sensor, check for a short to +B in the wire harness and repair or replace the wire harness or connector if necessary.
OK

REPLACE ECU OR SENSOR

NG

REPAIR OR REPLACE HARNESS OR CONNECTOR

READ NEXT:

 Check Bus 2 Lines for Short Circuit

DESCRIPTION There may be a short circuit between the CAN main bus lines and/or CAN branch lines when the resistance between terminals 18 (CA4H) and 17 (CA4L) of the central gateway ECU (network gatewa

 Open in Bus 2 Main Bus Line

DESCRIPTION There may be an open circuit in one of the CAN main bus lines when the resistance between terminals 18 (CA4H) and 17 (CA4L) of the central gateway ECU (network gateway ECU) is 70 Ω or hig

 Open in One Side of Bus 1 Branch Line

DESCRIPTION When the CAN bus main lines are normal (no open, short to ground, short to +B or short between lines) and there is an ECU or sensor on the "Communication Bus Check" screen that is indicate

SEE MORE:

 Generator Inverter Actuator Stuck Open (P0A7A72)

DTC SUMMARY MALFUNCTION DESCRIPTION This DTC indicates that current does not flow as commanded due to a generator output circuit malfunction. The cause of this malfunction may be one of the following: Internal inverter malfunction Inverter with converter assembly internal circuit malfunction

 Lost Communication with Cruise Control Front Distance Range Sensor Single Sensor or Center Missing Message (U023587)

DESCRIPTION The forward recognition camera communicates with the millimeter wave radar sensor assembly via CAN communication. If a communication malfunction between the forward recognition camera and millimeter wave radar sensor assembly is detected, DTC U023587 is stored. DTC No. Detection Ite

© 2016-2025 Copyright www.lexguide.net