Lexus ES manuals

Lexus ES: Center Airbag Sensor Communication Stop Mode

DESCRIPTION

Detection Item

Symptom

Trouble Area

Center Airbag Sensor Communication Stop Mode

Any of the following conditions are met:

  • Communication stop for "Airbag" is indicated on the "Communication Bus Check" screen of the Techstream.

    Click here

  • Communication stop history for "Airbag" is indicated on the "Communication Bus Check (Detail)" screen of the Techstream. (The Lost Communication Time value for "Airbag" is 6 or more.)

    Click here

  • Communication system DTCs (DTCs that start with U) that correspond to "Center Airbag Sensor Communication Stop Mode" in "DTC Combination Table" are output.

    Click here

  • Airbag ECU assembly main line or connector
  • Power source circuit of airbag ECU assembly
  • Airbag ECU assembly ground circuit
  • Airbag ECU assembly

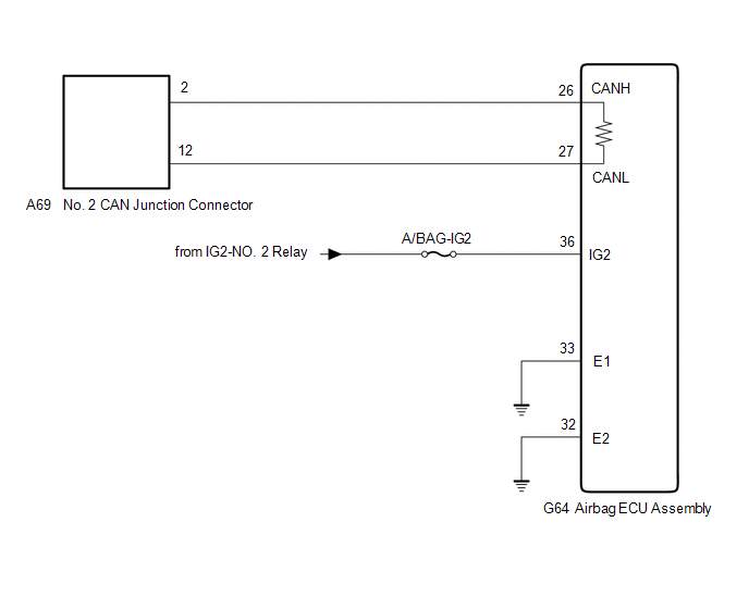
WIRING DIAGRAM

CAUTION / NOTICE / HINT

CAUTION:

When performing the confirmation driving pattern, obey all speed limits and traffic laws.

NOTICE:

  • Because the order of diagnosis is important to allow correct diagnosis, make sure to begin troubleshooting using How to Proceed with Troubleshooting when CAN communication system related DTCs are output.

    Click here

  • Before measuring the resistance of the CAN bus, turn the engine switch off and leave the vehicle for 1 minute or more without operating the key or any switches, or opening or closing the doors. After that, disconnect the cable from the negative (-) battery terminal and leave the vehicle for 1 minute or more before measuring the resistance.
  • After turning the engine switch off, waiting time may be required before disconnecting the cable from the negative (-) battery terminal. Therefore, make sure to read the disconnecting the cable from the negative (-) battery terminal notices before proceeding with work.

    Click here

  • After performing repairs, perform the DTC check procedure and confirm that the DTCs are not output again.

    DTC check procedure: Turn the engine switch on (IG) and wait for 1 minute or more. Then operate the suspected malfunctioning system and drive the vehicle at 60 km/h (37 mph) or more for 5 minutes or more.

  • After the repair, perform the CAN bus check and check that all the ECUs and sensors connected to the CAN communication system are displayed as normal.

    Click here

  • Inspect the fuses for circuits related to this system before performing the following procedure.

HINT:

  • Before disconnecting related connectors for inspection, push in on each connector body to check that the connector is not loose or disconnected.
  • When a connector is disconnected, check that the terminals and connector body are not cracked, deformed or corroded.

PROCEDURE

1.

CHECK FOR OPEN IN CAN BUS LINES (AIRBAG ECU ASSEMBLY MAIN LINE)

(a) Disconnect the cable from the negative (-) battery terminal.

(b) Disconnect the G64 airbag ECU assembly connector.

(c) Measure the resistance according to the value(s) in the table below.

Standard Resistance:

Tester Connection

Condition

Specified Condition

G64-26 (CANH) - G64-27 (CANL)

Cable disconnected from negative (-) battery terminal

108 to 132 Ω

*a

Front view of wire harness connector

(to Airbag ECU Assembly)

NG

REPAIR OR REPLACE CAN MAIN BUS LINES OR CONNECTOR (AIRBAG ECU ASSEMBLY)

OK

2.

CHECK HARNESS AND CONNECTOR (POWER SOURCE CIRCUIT)

(a) Measure the resistance according to the value(s) in the table below.

Standard Resistance:

Tester Connection

Condition

Specified Condition

G64-32 (E2) - Body ground

Cable disconnected from negative (-) battery terminal

Below 1 Ω

G64-33 (E1) - Body ground

Cable disconnected from negative (-) battery terminal

Below 1 Ω

*a

Front view of wire harness connector

(to Airbag ECU Assembly)

(b) Reconnect the cable to the negative (-) battery terminal.

(c) Measure the voltage according to the value(s) in the table below.

Standard Voltage:

Tester Connection

Condition

Specified Condition

G64-36 (IG2) - Body ground

Engine switch on (IG)

11 to 14 V

OK

REPLACE AIRBAG ECU ASSEMBLY

NG

REPAIR OR REPLACE HARNESS OR CONNECTOR (POWER SOURCE CIRCUIT)

READ NEXT:

 Certification ECU Communication Stop Mode

DESCRIPTION Detection Item Symptom Trouble Area Certification ECU Communication Stop Mode Any of the following conditions are met: Communication stop for "Certification (Smart)" is ind

 Combination Meter ECU Communication Stop Mode

DESCRIPTION Detection Item Symptom Trouble Area Combination Meter ECU Communication Stop Mode Any of the following conditions are met: Communication stop for "Combination Meter" is ind

 Main Body ECU Communication Stop Mode

DESCRIPTION Detection Item Symptom Trouble Area Main Body ECU Communication Stop Mode Any of the following conditions are met: Communication stop for "Main Body" is indicated on the "C

SEE MORE:

 Power Retractable Mirrors do not Operate with Power Retract Mirror Switch

DESCRIPTION The outer mirror switch assembly sends the retractable outer mirror switch signal to the main body ECU (multiplex network body ECU). The main body ECU (multiplex network body ECU) then sends the mirror retract/return signal to each outer mirror control ECU assembly via CAN communication.

 Pressure Control Solenoid "C" Circuit Short to Ground or Open (P079514)

DESCRIPTION Refer to DTC P079512. Click here DTC No. Detection Item DTC Detection Condition Trouble Area MIL Memory Note P079514 Pressure Control Solenoid "C" Circuit Short to Ground or Open While the vehicle is being driven so that gear changes occur, a short to ground or o

© 2016-2025 Copyright www.lexguide.net