Lexus ES manuals

Lexus ES: Main Body ECU Communication Stop Mode

DESCRIPTION

Detection Item

Symptom

Trouble Area

Main Body ECU Communication Stop Mode

Any of the following conditions are met:

  • Communication stop for "Main Body" is indicated on the "Communication Bus Check" screen of the Techstream.

    Click here

  • Communication stop history for "Main Body" is indicated on the "Communication Bus Check (Detail)" screen of the Techstream. (The Lost Communication Time value for "Main Body" is 6 or more.)

    Click here

  • Communication system DTCs (DTCs that start with U) that correspond to "Main Body ECU Communication Stop Mode" in "DTC Combination Table" are output.

    Click here

  • Main body ECU (multiplex network body ECU) branch line or connector
  • Power source circuit of main body ECU (multiplex network body ECU) or instrument panel junction block assembly
  • Main body ECU (multiplex network body ECU) or instrument panel junction block assembly ground circuit
  • Main body ECU (multiplex network body ECU) or instrument panel junction block assembly

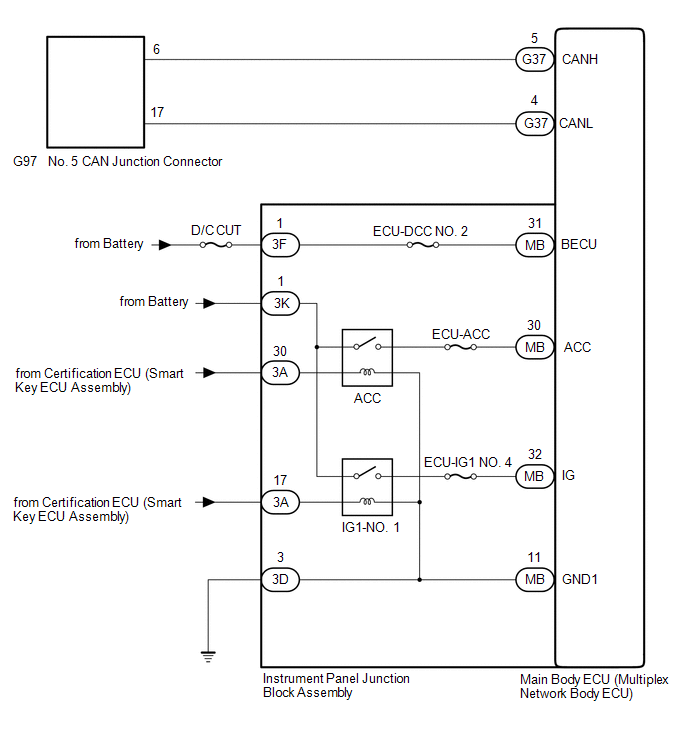
WIRING DIAGRAM

CAUTION / NOTICE / HINT

CAUTION:

When performing the confirmation driving pattern, obey all speed limits and traffic laws.

NOTICE:

  • Because the order of diagnosis is important to allow correct diagnosis, make sure to begin troubleshooting using How to Proceed with Troubleshooting when CAN communication system related DTCs are output.

    Click here

  • Before measuring the resistance of the CAN bus, turn the engine switch off and leave the vehicle for 1 minute or more without operating the key or any switches, or opening or closing the doors. After that, disconnect the cable from the negative (-) battery terminal and leave the vehicle for 1 minute or more before measuring the resistance.
  • After turning the engine switch off, waiting time may be required before disconnecting the cable from the negative (-) battery terminal. Therefore, make sure to read the disconnecting the cable from the negative (-) battery terminal notices before proceeding with work.

    Click here

  • After performing repairs, perform the DTC check procedure and confirm that the DTCs are not output again.

    DTC check procedure: Turn the engine switch on (IG) and wait for 1 minute or more. Then operate the suspected malfunctioning system and drive the vehicle at 60 km/h (37 mph) or more for 5 minutes or more.

  • After the repair, perform the CAN bus check and check that all the ECUs and sensors connected to the CAN communication system are displayed as normal.

    Click here

  • Inspect the fuses for circuits related to this system before performing the following procedure.
  • Before replacing the main body ECU (multiplex network body ECU), refer to Registration.

    Click here

HINT:

  • Before disconnecting related connectors for inspection, push in on each connector body to check that the connector is not loose or disconnected.
  • When a connector is disconnected, check that the terminals and connector body are not cracked, deformed or corroded.

PROCEDURE

1.

CHECK FOR OPEN IN CAN BUS LINES (MAIN BODY ECU (MULTIPLEX NETWORK BODY ECU) BRANCH LINE)

(a) Disconnect the cable from the negative (-) battery terminal.

(b) Disconnect the G37 main body ECU (multiplex network body ECU) connector.

(c) Measure the resistance according to the value(s) in the table below.

Standard Resistance:

Tester Connection

Condition

Specified Condition

G37-5 (CANH) - G37-4 (CANL)

Cable disconnected from negative (-) battery terminal

54 to 69 Ω

*a

Front view of wire harness connector

(to Main Body ECU (Multiplex Network Body ECU))

NG

REPAIR OR REPLACE CAN BRANCH LINES OR CONNECTOR (MAIN BODY ECU (MULTIPLEX NETWORK BODY ECU))

OK

2.

CHECK HARNESS AND CONNECTOR (POWER SOURCE CIRCUIT)

(a) Remove the main body ECU (multiplex network body ECU).

Click here

(b) Measure the resistance according to the value(s) in the table below.

Standard Resistance:

Tester Connection

Condition

Specified Condition

MB-11 (GND1) - Body ground

Cable disconnected from negative (-) battery terminal

Below 1 Ω

NOTICE:

Perform this inspection with the wire harness connected to the instrument panel junction block assembly.

*a

Front view of wire harness connector

(to Main Body ECU (Multiplex Network Body ECU))

(c) Reconnect the cable to the negative (-) battery terminal.

(d) Measure the voltage according to the value(s) in the table below.

Standard Voltage:

Tester Connection

Condition

Specified Condition

MB-30 (ACC) - Body ground

Engine switch on (ACC)

11 to 14 V

MB-31 (BECU) - Body ground

Always

11 to 14 V

MB-32 (IG) - Body ground

Engine switch on (IG)

11 to 14 V

NOTICE:

Perform this inspection with the wire harness connected to the instrument panel junction block assembly.

Result

Proceed to

OK

A

NG (BECU)

B

NG (ACC)

C

NG (IG)

D

NG (GND1)

E

A

REPLACE MAIN BODY ECU (MULTIPLEX NETWORK BODY ECU)

C

GO TO LIGHTING (INT) SYSTEM (ACC SIGNAL CIRCUIT)

D

GO TO LIGHTING (INT) SYSTEM (IG SIGNAL CIRCUIT)

E

GO TO STEP 4

B

3.

CHECK HARNESS AND CONNECTOR (BECU SIGNAL CIRCUIT)

(a) Disconnect the cable from the negative (-) battery terminal.

(b) Disconnect the 3F instrument panel junction block assembly connector.

(c) Reconnect the cable to the negative (-) battery terminal.

(d) Measure the voltage according to the value(s) in the table below.

Standard Voltage:

Tester Connection

Condition

Specified Condition

3F-1 - Body ground

Always

11 to 14 V

*a

Front view of wire harness connector

(to Instrument Panel Junction Block Assembly)

OK

REPLACE INSTRUMENT PANEL JUNCTION BLOCK ASSEMBLY

NG

REPAIR OR REPLACE HARNESS OR CONNECTOR (BECU SIGNAL CIRCUIT)

4.

CHECK HARNESS AND CONNECTOR (GROUND CIRCUIT)

(a) Disconnect the cable from the negative (-) battery terminal.

(b) Disconnect the 3D instrument panel junction block assembly connector.

(c) Measure the resistance according to the value(s) in the table below.

Standard Resistance:

Tester Connection

Condition

Specified Condition

3D-3 - Body ground

Cable disconnected from negative (-) battery terminal

Below 1 Ω

*a

Front view of wire harness connector

(to Instrument Panel Junction Block Assembly)

OK

REPLACE INSTRUMENT PANEL JUNCTION BLOCK ASSEMBLY

NG

REPAIR OR REPLACE HARNESS OR CONNECTOR (GROUND CIRCUIT)

READ NEXT:

 ECM Communication Stop Mode

DESCRIPTION Detection Item Symptom Trouble Area ECM Communication Stop Mode Any of the following conditions are met: Communication stop for "ECM (Engine)" is indicated on the "Communic

 Steering Angle Sensor Communication Stop Mode

DESCRIPTION Detection Item Symptom Trouble Area Steering Angle Sensor Communication Stop Mode Any of the following conditions are met: Communication stop for "Spiral cable (Steering An

 Power Steering ECU Communication Stop Mode

DESCRIPTION Detection Item Symptom Trouble Area Power Steering ECU Communication Stop Mode Any of the following conditions are met: Communication stop for "Power Steering (EPS)" is ind

SEE MORE:

 Brake System Control Module "A" System Voltage System Voltage Low (C137BA2)

DESCRIPTION If a malfunction is detected in the power supply circuit, the skid control ECU (brake actuator assembly) stores this DTC and the fail-safe function prohibits ABS operation. This DTC is stored when the +BS terminal voltage meets one of the DTC detection conditions due to a malfunction in

 Hybrid/EV Battery Negative Contactor Actuator Stuck Closed (P0AA373)

DTC SUMMARY MALFUNCTION DESCRIPTION The hybrid vehicle control ECU detects a stuck closed malfunction of a system main relay on the HV battery negative side. The cause of this malfunction may be one of the following: Inverter voltage sensor (VH) internal circuit malfunction Voltage sensor (VH) ma

© 2016-2025 Copyright www.lexguide.net