Lexus ES: Cannot Switch to Automatic ID Registration Mode
DESCRIPTION
When "Change Wheel Set" is selected on the multi-information display and the "OK" switch (steering pad switch assembly) is pushed and held, the system enters ID registration mode and the tire pressure warning light blinks 3 times.
The main body ECU (multiplex network body ECU) receives signals from the combination meter assembly via the CAN communication line.
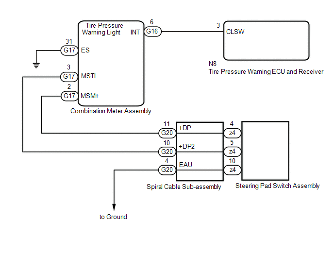
WIRING DIAGRAM
PROCEDURE
| 1. | CHECK TEST MODE (TIRE PRESSURE WARNING RESET SWITCH CHECK [DTC C2198]) |
(a) Perform Test Mode Procedure (Tire Pressure Warning Reset Switch Check (DTC C2198)).
Click here
| NEXT | | GO TO DTC C2198 |
READ NEXT:
PRECAUTION PRECAUTION FOR DISCONNECTING CABLE FROM NEGATIVE BATTERY TERMINAL NOTICE: When disconnecting the cable from the negative (-) battery terminal, initialize the following systems after the cab
PARTS LOCATION ILLUSTRATION *1 TIRE PRESSURE WARNING ECU AND RECEIVER *2 TIRE PRESSURE WARNING VALVE AND TRANSMITTER ILLUSTRATION *1 STEERING PAD SWITCH ASSEMBLY *2 COMBINATION
SEE MORE:
FREEZE FRAME DATA CHECK FREEZE FRAME DATA (a) Connect the Techstream to the DLC3. (b) Turn the engine switch on (IG). (c) Turn the Techstream on. (d) Enter the following menus: Body Electrical / Navigation System / Trouble Codes. Body Electrical > Navigation System > Trouble Codes (e) Select a
DESCRIPTION The electronic throttle control system is composed of the throttle actuator, throttle position sensor, accelerator pedal position sensor, and ECM. The ECM operates the throttle actuator to regulate the throttle valve in response to driver inputs. The throttle position sensor detects the
© 2016-2026 Copyright www.lexguide.net
