Lexus ES manuals

Lexus ES: Turn Signal Switch Circuit

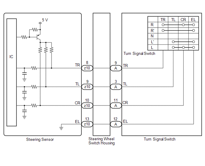
DESCRIPTION

The steering sensor receives the turn signal switch information and controls the turn signal lights.

WIRING DIAGRAM

PROCEDURE

1.

READ VALUE USING TECHSTREAM

(a) Connect the Techstream to the DLC3.

(b) Turn the engine switch on (IG).

(c) Turn the Techstream on.

(d) Enter the following menus: Chassis / Steering Angle Sensor / Data List.

(e) Read the Data List according to the display on the Techstream.

Chassis > Steering Angle Sensor > Data List

Tester Display

Measurement Item

Range

Normal Condition

Diagnostic Note

Turn Signal Switch (Right)

Turn signal switch (right turn position) signal

OFF or ON

OFF: Turn signal switch not in right turn position

ON: Turn signal switch in right turn position

-

Turn Signal Switch (Left)

Turn signal switch (left turn position) signal

OFF or ON

OFF: Turn signal switch not in left turn position

ON: Turn signal switch in left turn position

-

Cornering Light/Front Side Illuminate Light Switch

Turn signal switch (full turn) signal

OFF or ON

OFF: Turn signal switch not in left or right turn position

ON: Turn signal switch in left or right full turn position

-

Chassis > Steering Angle Sensor > Data List

Tester Display

Turn Signal Switch (Right)

Turn Signal Switch (Left)

Cornering Light/Front Side Illuminate Light Switch

OK:

Normal conditions listed above are displayed.

OK

PROCEED TO NEXT SUSPECTED AREA SHOWN IN PROBLEM SYMPTOMS TABLE

NG

2.

INSPECT TURN SIGNAL SWITCH

(a) Remove the turn signal switch.

Click here

(b) Inspect the turn signal switch.

Click here

NG

REPLACE TURN SIGNAL SWITCH

OK

3.

INSPECT STEERING WHEEL SWITCH HOUSING

(a) Remove the steering wheel switch housing.

Click here

(b) Inspect the steering wheel switch housing.

Click here

OK

REPLACE STEERING SENSOR

NG

REPLACE STEERING WHEEL SWITCH HOUSING

READ NEXT:

 Automatic High Beam Switch Indicator does not Come ON

DESCRIPTION When the automatic high beam system is on, the steering sensor illuminates the automatic high beam switch indicator. WIRING DIAGRAM PROCEDURE 1. READ VALUE USING TECHSTREAM (a) C

 Automatic High Beam System does not Operate or Operation Indicator does not Illuminate

DESCRIPTION The main body ECU (multiplex network body ECU) controls the automatic high beam system based on signals received from the forward recognition camera. WIRING DIAGRAM CAUTION / NOTICE / HIN

 Headlight Dimmer Switch Circuit

DESCRIPTION The steering sensor receives the following switch information: Light control switch in DRL OFF*1, off*2, tail, head or AUTO position Dimmer switch in high, low or high flash (pass) po

SEE MORE:

 Hybrid/EV Battery Precharge Contactor Actuator Stuck Closed (P0AE173)

DTC SUMMARY MALFUNCTION DESCRIPTION The hybrid vehicle control ECU detects a stuck closed malfunction of a precharge relay on the HV battery negative side. The cause of this malfunction may be one of the following: Inverter voltage sensor (VH) internal circuit malfunction Voltage sensor (VH) malf

 Lost Communication with ECM/PCM "A" Missing Message (U010087,U012587,U012687,U012987,U014087)

DESCRIPTION When a malfunction is detected between various ECUs and sensors, these DTCs are stored. DTC No. Detection Item DTC Detection Condition Trouble Area U010087 Lost Communication with ECM/PCM "A" Missing Message While the vehicle is being driven at 1 km/h or 1 mph or more, a

© 2016-2026 Copyright www.lexguide.net