Lexus ES manuals

Lexus ES: Transmitter ID1 Operation Stop (C2111-C2114)

DESCRIPTION

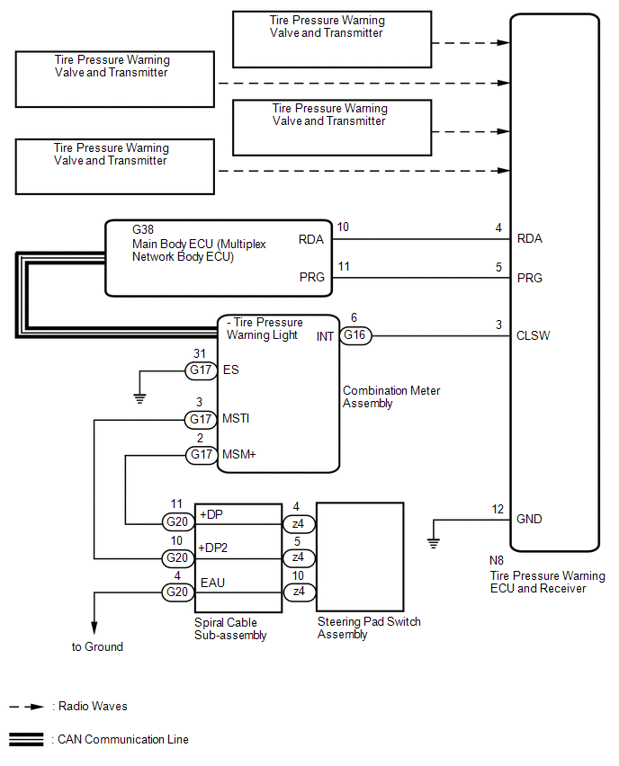
The tire pressure warning valve and transmitters that are installed in the tire and wheel assemblies measure the tire pressure of each wheel. The measured values are transmitted to the tire pressure warning ECU and receiver in the vehicle as radio waves. The ECU compares the measured tire pressure values with the tire pressure threshold. When the measured tire pressure value is less than this threshold, the warning light in the combination meter assembly illuminates. The tire pressure warning ECU and receiver stores a DTC when the tire pressure warning valve and transmitter stops transmitting signals. The signals can be forcibly transmitted by releasing the tire pressure rapidly. The stored DTCs are cleared when signal transmission resumes.

DTC No.

Detection Item

DTC Detection Condition

Trouble Area

Note

C2111

Transmitter ID1 Operation Stop

Tire pressure warning valve and transmitters stop transmitting signals

  • Tire pressure warning valve and transmitter
  • Tire pressure warning ECU and receiver

-

C2112

Transmitter ID2 Operation Stop

Tire pressure warning valve and transmitters stop transmitting signals

  • Tire pressure warning valve and transmitter
  • Tire pressure warning ECU and receiver

-

C2113

Transmitter ID3 Operation Stop

Tire pressure warning valve and transmitters stop transmitting signals

  • Tire pressure warning valve and transmitter
  • Tire pressure warning ECU and receiver

-

C2114

Transmitter ID4 Operation Stop

Tire pressure warning valve and transmitters stop transmitting signals

  • Tire pressure warning valve and transmitter
  • Tire pressure warning ECU and receiver

-

HINT:

It is necessary to perform the following procedure to identify the tire pressure warning valve and transmitter that is malfunctioning because it cannot be identified by the output DTC.

WIRING DIAGRAM

PROCEDURE

1.

PERFORM FORCED TRANSMISSION OF TRANSMITTER ID OF ALL WHEELS

(a) Set the tire pressure to the specified value.

Click here

(b) Turn the power switch off.

(c) Connect the Techstream to the DLC3.

(d) Turn the power switch on (IG).

(e) Turn the Techstream on.

(f) Enter the following menus: Chassis / Tire Pressure Monitor / Data List.

(g) Read the Data List according to the display on the Techstream.

Chassis > Tire Pressure Monitor > Data List

Tester Display

Measurement Item

Range

Normal Condition

Diagnostic Note

ID 1 Tire Inflation Pressure

ID1 tire inflation pressure

min.: Absolute pressure (abs) / 0 kPa (0 kgf/cm2, 0 psi), Relative pressure (Gauge) / 0 kPa (0 kgf/cm2, 0 psi)

max.: Absolute pressure (abs) / 480 kPa (4.9 kgf/cm2, 70 psi), Relative pressure (Gauge) / 380 kPa (3.9 kgf/cm2, 55 psi)

Actual tire inflation pressure

If N/A is displayed, data has not been received.*1

ID 2 Tire Inflation Pressure

ID2 tire inflation pressure

min.: Absolute pressure (abs) / 0 kPa (0 kgf/cm2, 0 psi), Relative pressure (Gauge) / 0 kPa (0 kgf/cm2, 0 psi)

max.: Absolute pressure (abs) / 480 kPa (4.9 kgf/cm2, 70 psi), Relative pressure (Gauge) / 380 kPa (3.9 kgf/cm2, 55 psi)

Actual tire inflation pressure

If N/A is displayed, data has not been received.*1

ID 3 Tire Inflation Pressure

ID3 tire inflation pressure

min.: Absolute pressure (abs) / 0 kPa (0 kgf/cm2, 0 psi), Relative pressure (Gauge) / 0 kPa (0 kgf/cm2, 0 psi)

max.: Absolute pressure (abs) / 480 kPa (4.9 kgf/cm2, 70 psi), Relative pressure (Gauge) / 380 kPa (3.9 kgf/cm2, 55 psi)

Actual tire inflation pressure

If N/A is displayed, data has not been received.*1

ID 4 Tire Inflation Pressure

ID4 tire inflation pressure

min.: Absolute pressure (abs) / 0 kPa (0 kgf/cm2, 0 psi), Relative pressure (Gauge) / 0 kPa (0 kgf/cm2, 0 psi)

max.: Absolute pressure (abs) / 480 kPa (4.9 kgf/cm2, 70 psi), Relative pressure (Gauge) / 380 kPa (3.9 kgf/cm2, 55 psi)

Actual tire inflation pressure

If N/A is displayed, data has not been received.*1

HINT:

*1: It may take a few minutes until the values are displayed. If the values are not displayed after a few minutes, perform troubleshooting according to the inspection procedure for DTCs C2121 to C2124.

Click here

Chassis > Tire Pressure Monitor > Data List

Tester Display

ID 1 Tire Inflation Pressure

ID 2 Tire Inflation Pressure

ID 3 Tire Inflation Pressure

ID 4 Tire Inflation Pressure

(h) Rapidly reduce the tire pressure for each wheel at least 40 kPa (0.4 kgf/cm2, 5.8 psi) within 30 seconds.

(1) Check that each "ID Tire Inflation Pressure" value displayed on the Techstream has changed.

OK:

Each "ID Tire Inflation Pressure" value displayed on the Techstream changed to the actual tire inflation pressure value.

NOTICE:

  • It may take a few minutes until the values are displayed.
  • When an "ID Tire Inflation Pressure" value has not changed, reset the tire pressure to the appropriate specified value and rotate the tire 90 to 270 degrees. Then rapidly release the tire pressure and recheck the value.

(2) After confirming that all of the tire "ID Tire Inflation Pressure" values displayed on the Techstream have changed, set the tire pressure to the appropriate specified values.

HINT:

If an "ID Tire Inflation Pressure" value displayed on the Techstream has not changed after rechecking, inspect for another problem.

Click here

OK

END

NG

GO TO TRANSMITTER AND RECEIVER INSPECTION PROCEDURE

READ NEXT:

 Transmitter ID 1 not Received (Main) (C2121-C2124,C2181-C2184)

DESCRIPTION The tire pressure warning valve and transmitters that are installed in the tire and wheel assemblies measure the tire pressure of each wheel. The measured values are transmitted to the tir

 Transmitter ID not Received (Main) (C2126)

DESCRIPTION If ID registration via the automatic ID registration function is canceled or the tire pressure warning ECU and receiver does not receive data from the tire pressure warning valve and trans

 Auto ID Under Registration (C2128)

DESCRIPTION When ID registration is being performed via the automatic ID registration function, the tire pressure warning ECU and receiver stores C2128 and the tire pressure warning light flashes for

SEE MORE:

 Installation

INSTALLATION CAUTION / NOTICE / HINT NOTICE: This procedure includes the installation of small-head bolts. Refer to Small-Head Bolts of Basic Repair Hint to identify the small-head bolts. Click here PROCEDURE 1. INSTALL FUEL INJECTOR SEAL (a) Apply engine conditioner to the area shown in the il

 Lost Communication With Hybrid Powertrain Control Module Missing Message (U029387)

MONITOR DESCRIPTION The ECM and hybrid vehicle control ECU assembly send and receive signals via CAN communication. If a communication error occurs between the ECM and hybrid vehicle control ECU assembly, the ECM illuminates the MIL and stores this DTC. DTC No. Detection Item DTC Detection Co

© 2016-2026 Copyright www.lexguide.net