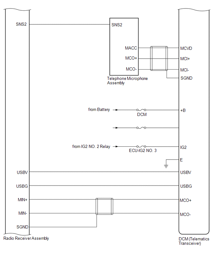
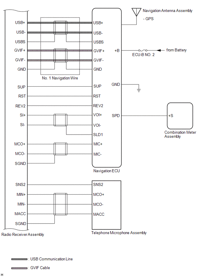
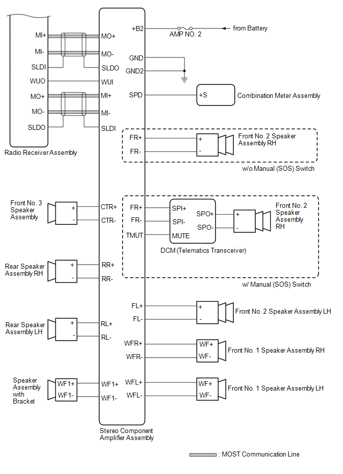
Lexus ES: System Diagram
SYSTEM DIAGRAM
.png)
w/ Parking Assist Monitor System
.png)
w/ Panoramic View Monitor System
.png)
w/o Manual (SOS) Switch
.png)
w/ Manual (SOS) Switch
.png)
w/ Manual (SOS) Switch
.png)
for 10 Speakers
.png)
for 17 Speakers
.png)
for 17 Speakers
.png)
READ NEXT:
TERMINALS OF ECU HINT: Check from the rear of the connector while it is connected to the components. RADIO RECEIVER ASSEMBLY Terminal No. (Symbol) Wiring Color Terminal Description Condition
DESCRIPTION These DTCs are stored when a malfunction occurs in the CAN communication circuit. DTC No. Detection Item DTC Detection Condition Trouble Area U0073 Sending Malfunction (Navi
DESCRIPTION When a USB device or "iPod" is connected to the USB jack of the No. 1 stereo jack adapter assembly, it must have playable files. The device must also communicate with and be recognized by
SEE MORE:
REMOVAL CAUTION / NOTICE / HINT The necessary procedures (adjustment, calibration, initialization, or registration) that must be performed after parts are replaced during millimeter wave radar sensor assembly removal/installation are shown below. Necessary Procedure After Parts Removed/Installed/Rep
REMOVAL CAUTION / NOTICE / HINT The necessary procedures (adjustment, calibration, initialization or registration) that must be performed after parts are removed and installed, or replaced during throttle body with motor assembly removal/installation are shown below. Necessary Procedures After Parts
© 2016-2026 Copyright www.lexguide.net
