Lexus ES: System Diagram
SYSTEM DIAGRAM

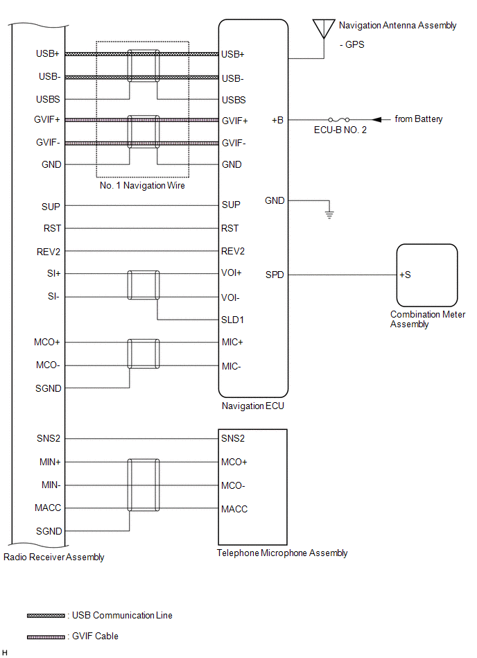
w/ Parking Assist Monitor System

w/ Panoramic View Monitor System

w/o Manual (SOS) Switch

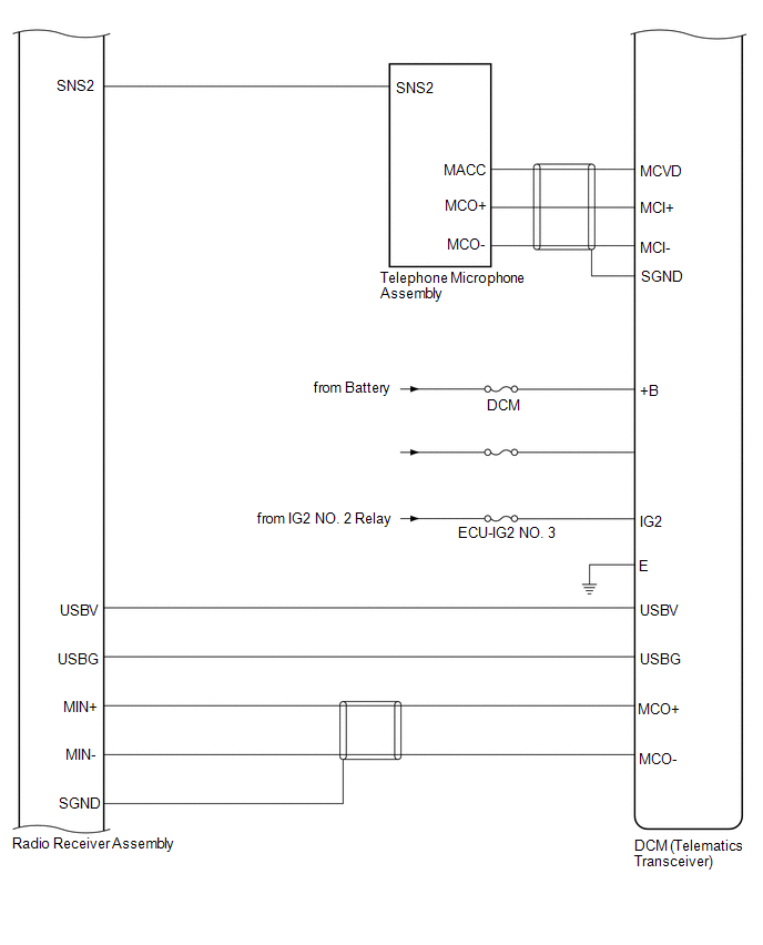
w/ Manual (SOS) Switch

w/ Manual (SOS) Switch

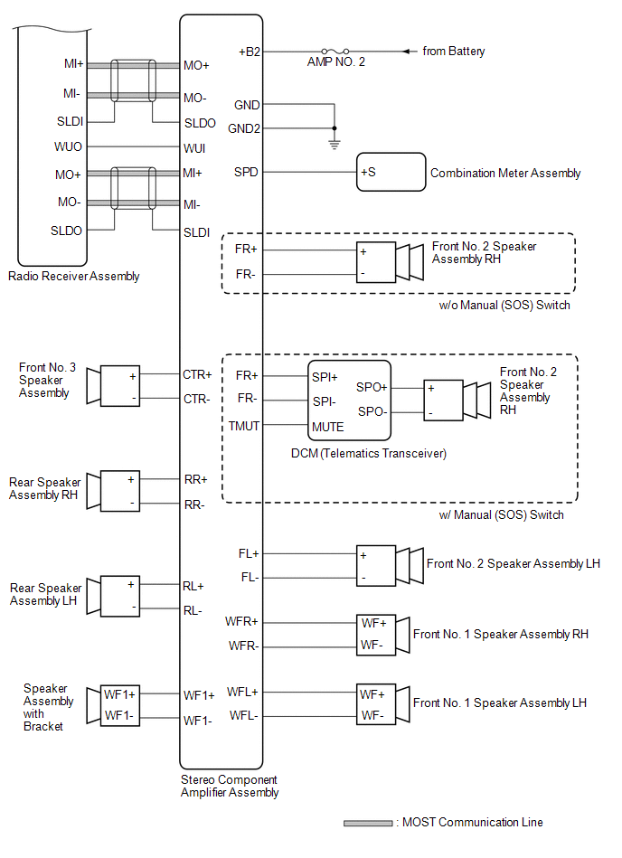
for 10 Speakers

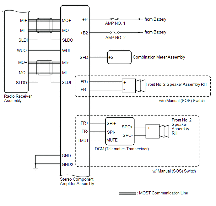
for 17 Speakers

for 17 Speakers

READ NEXT:
SYSTEM DIAGRAM w/ Parking Assist Monitor System w/ Panoramic View Monitor System w/o Manual (SOS) Switch w/ Manual (SOS) Switch w/ Manual (SOS) Switch for 10 Speakers for 17 Speakers for 17
TERMINALS OF ECU HINT: Check from the rear of the connector while it is connected to the components. RADIO RECEIVER ASSEMBLY Terminal No. (Symbol) Wiring Color Terminal Description Condition
DESCRIPTION These DTCs are stored when a malfunction occurs in the CAN communication circuit. DTC No. Detection Item DTC Detection Condition Trouble Area U0073 Sending Malfunction (Navi
SEE MORE:
INSTALLATION CAUTION / NOTICE / HINT NOTICE: This procedure includes the installation of small-head bolts. Refer to Small-Head Bolts of Basic Repair Hint to identify the small-head bolts. Click here PROCEDURE 1. INSTALL EGR VALVE ASSEMBLY HINT: Perform "Inspection After Repair" after replacing the
DESCRIPTION The shift lever position sensor sends 7 different switch signals to the hybrid vehicle control ECU. The hybrid vehicle control ECU uses these signals to detect the shift lever position (P, R, N or D). The hybrid vehicle control ECU also uses this information to determine the intended dir
© 2016-2026 Copyright www.lexguide.net
