Lexus ES: System Diagram
SYSTEM DIAGRAM
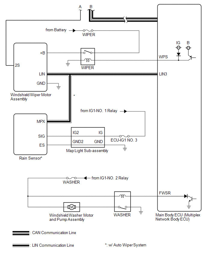
FRONT WIPER AND WASHER SYSTEM
WASHER FLUID LEVEL WARNING SYSTEM

READ NEXT:
CHECK FOR INTERMITTENT PROBLEMS NOTICE:
If the vehicle or vehicle controls are operated (for example, during initial inspection when the vehicle is brought in for repair) before operation history h
CAUTION / NOTICE / HINT HINT:
Use the following procedure to troubleshoot the wiper and washer system.
*: Use the Techstream.
PROCEDURE 1. VEHICLE BROUGHT TO WORKSHOP
NEXT
OPERATION CHECK CHECK DOOR OPEN LINKED WIPER SUSPEND FUNCTION (w/ Auto Wiper System) (a) Continuously apply water to the windshield glass in front of the rain sensor. (b) Turn the engine switch on (IG
SEE MORE:
PRECAUTION PRECAUTION FOR DISCONNECTING CABLE FROM NEGATIVE AUXILIARY BATTERY TERMINAL NOTICE: When disconnecting the cable from the negative (-) auxiliary battery terminal, initialize the following systems after the cable is reconnected. System Name See Procedure Lane Control System (for H
On-vehicle InspectionON-VEHICLE INSPECTION CAUTION / NOTICE / HINT CAUTION: Do not remove the radiator cap sub-assembly while the engine and radiator assembly are still hot. Pressurized, hot engine coolant and steam may be released and cause serious burns. PROCEDURE 1. INSPECT FOR COOLANT LEAK CAU
© 2016-2025 Copyright www.lexguide.net
