Lexus ES: System Diagram
SYSTEM DIAGRAM
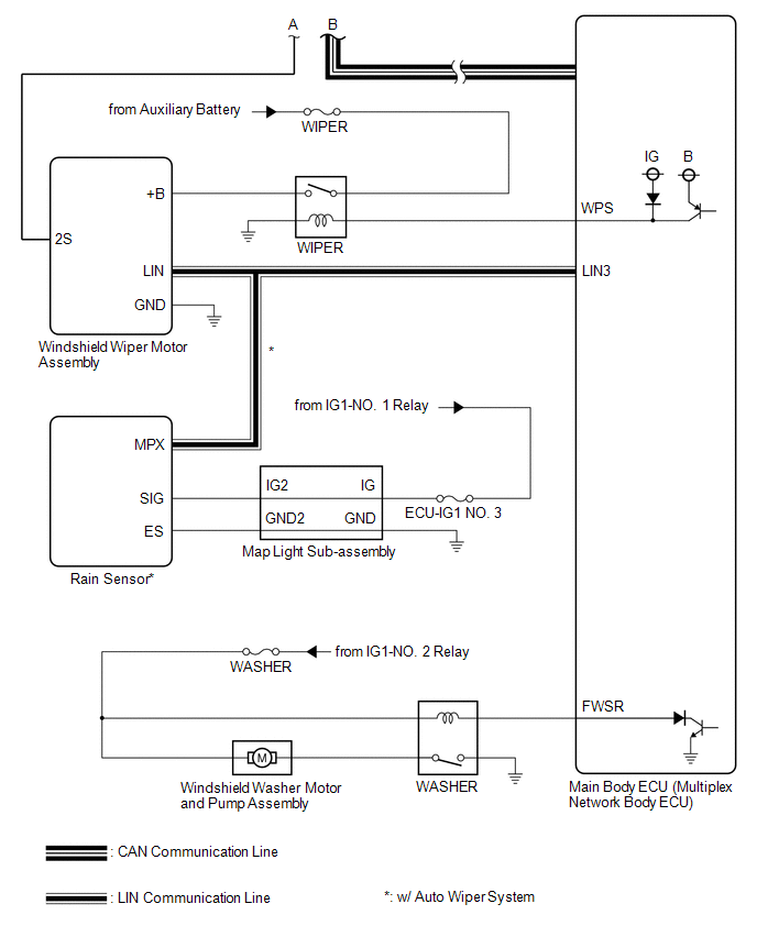
FRONT WIPER AND WASHER SYSTEM
WASHER FLUID LEVEL WARNING SYSTEM
.png)
READ NEXT:
SYSTEM DESCRIPTION FRONT WIPER AND WASHER CONTROL FUNCTION Control/Function Description Wiper speed regulation Maintains the default speed of the wipers even when the supply voltage or resi
CAUTION / NOTICE / HINT HINT:
Use the following procedure to troubleshoot the wiper and washer system.
*: Use the Techstream.
PROCEDURE 1. VEHICLE BROUGHT TO WORKSHOP
NEXT
CHECK FOR INTERMITTENT PROBLEMS NOTICE:
If the vehicle or vehicle controls are operated (for example, during initial inspection when the vehicle is brought in for repair) before operation history h
SEE MORE:
VEHICLE CONTROL HISTORY NOTICE: Make sure to record any output Vehicle Control History codes before clearing them and checking the Vehicle Control History again. CHECK VEHICLE CONTROL HISTORY (DYNAMIC RADAR CRUISE CONTROL SYSTEM) (a) Connect the Techstream to the DLC3. (b) Turn the engine switch on
INSTALLATION CAUTION / NOTICE / HINT NOTICE: This procedure includes the installation of small-head bolts. Refer to Small-Head Bolts of Basic Repair Hint to identify the small-head bolts. Click here PROCEDURE 1. INSTALL CYLINDER HEAD GASKET (a) Clean the cylinder block sub-assembly and cylinder he
© 2016-2026 Copyright www.lexguide.net
