Lexus ES: System Diagram
SYSTEM DIAGRAM
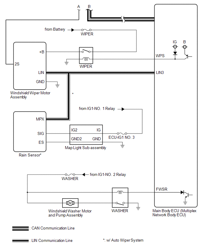
FRONT WIPER AND WASHER SYSTEM
WASHER FLUID LEVEL WARNING SYSTEM

READ NEXT:
CHECK FOR INTERMITTENT PROBLEMS NOTICE:
If the vehicle or vehicle controls are operated (for example, during initial inspection when the vehicle is brought in for repair) before operation history h
CAUTION / NOTICE / HINT HINT:
Use the following procedure to troubleshoot the wiper and washer system.
*: Use the Techstream.
PROCEDURE 1. VEHICLE BROUGHT TO WORKSHOP
NEXT
OPERATION CHECK CHECK DOOR OPEN LINKED WIPER SUSPEND FUNCTION (w/ Auto Wiper System) (a) Continuously apply water to the windshield glass in front of the rain sensor. (b) Turn the engine switch on (IG
SEE MORE:
DTC SUMMARY MALFUNCTION DESCRIPTION These DTCs are stored when the motor temperature sensor output is abnormal. The cause of this malfunction may be one of the following: Hybrid vehicle control ECU malfunction
Hybrid vehicle control ECU internal malfunction
Motor temperature sensor malfunctio
REASSEMBLY CAUTION / NOTICE / HINT HINT:
Use the same procedure for the RH side and LH side.
The following procedure is for the LH side.
PROCEDURE 1. PRECAUTION NOTICE: After turning the engine switch (for Gasoline Model) or power switch (for HV Model) off, waiting time may be required befor
© 2016-2025 Copyright www.lexguide.net
