Lexus ES: System Diagram
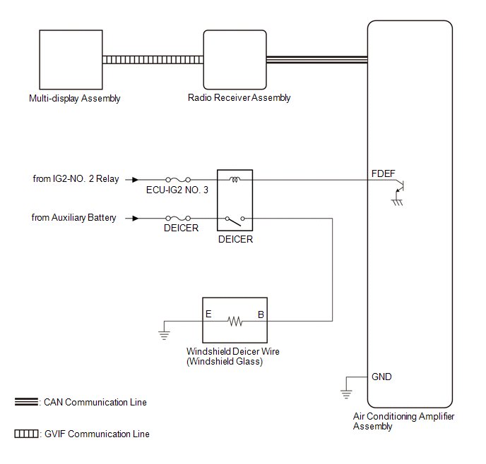
SYSTEM DIAGRAM
| Sender | Receiver | Signal | Communication Method |
| Radio Receiver Assembly | Air Conditioning Amplifier Assembly | Front wiper deicer switch signal | CAN |
READ NEXT:
SYSTEM DESCRIPTION GENERAL The windshield deicer system uses thin heater wires attached to the inside of the windshield glass to help deice the window surface more quickly. An indicator light illumina
CAUTION / NOTICE / HINT HINT:
Use the following procedure to troubleshoot the windshield deicer system.
*: Use the Techstream.
PROCEDURE 1. VEHICLE BROUGHT TO WORKSHOP
NEXT
OPERATION CHECK CHECK WINDSHIELD DEICER SYSTEM (a) Turn the power switch on (IG). (b) Check that the windshield deicer wire (windshield glass) becomes warm by operating the front wiper deicer switch.
SEE MORE:
DATA LIST / ACTIVE TEST DATA LIST HINT: Using the Techstream to read the Data List allows the values or states of switches, sensors, actuators and other items to be read without removing any parts. This non-intrusive inspection can be very useful because intermittent conditions or signals may be dis
DESCRIPTION When the brake pedal is depressed, the stop light switch assembly outputs a signal to the hybrid vehicle control ECU. The hybrid vehicle control ECU uses this signal to control cancellation of vehicle speed by the dynamic radar cruise control. When the hybrid vehicle control ECU determin
© 2016-2026 Copyright www.lexguide.net
