Lexus ES: System Diagram
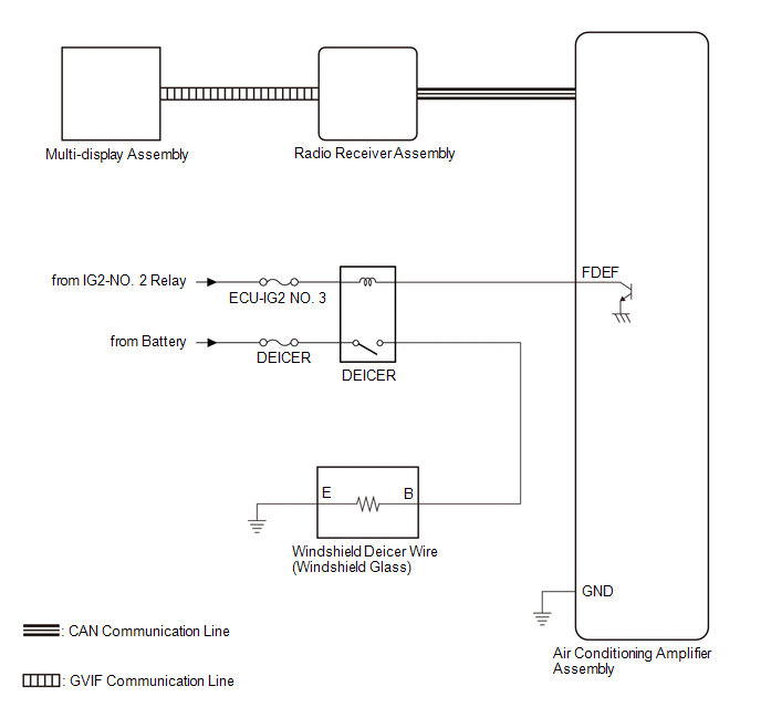
SYSTEM DIAGRAM
| Sender | Receiver | Signal | Communication Method |
| Radio Receiver Assembly | Air Conditioning Amplifier Assembly | Front wiper deicer switch signal | CAN |
READ NEXT:
SYSTEM DESCRIPTION GENERAL The windshield deicer system uses thin heater wires attached to the inside of the windshield glass to help deice the window surface more quickly. An indicator light illumina
CAUTION / NOTICE / HINT HINT:
Use the following procedure to troubleshoot the windshield deicer system.
*: Use the Techstream.
PROCEDURE 1. VEHICLE BROUGHT TO WORKSHOP
NEXT
OPERATION CHECK CHECK WINDSHIELD DEICER SYSTEM (a) Turn the engine switch on (IG). (b) Check that the windshield deicer wire (windshield glass) becomes warm by operating the front wiper deicer switch.
SEE MORE:
DESCRIPTION The skid control ECU (brake booster with master cylinder assembly) acquires the steering angle sensor zero point every time the power switch on (READY) and the vehicle is driven at 35 km/h (22 mph) or more for approximately 5 seconds. The skid control ECU (brake booster with master cylin
ADJUSTMENT CAUTION / NOTICE / HINT The necessary procedures (adjustment, calibration, initialization, or registration) that must be performed after completing the front wheel alignment procedure are shown below. Necessary Procedures After Procedure Performed Replaced Part or Performed Procedure
© 2016-2025 Copyright www.lexguide.net
