Lexus ES: System Diagram
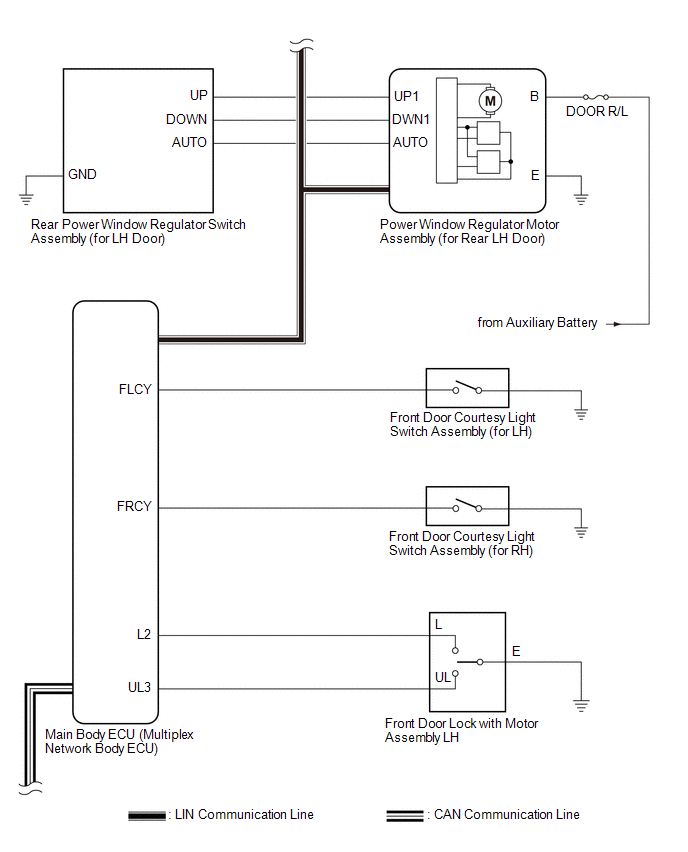
SYSTEM DIAGRAM
.png)
Communication Table
| Transmitting ECU | Receiving ECU | Signal | Communication Method |
| Multiplex Network Master Switch Assembly | Power Window Regulator Motor Assembly (for Driver Door) | Power window auto up and down signal | LIN |
-
Power Window Regulator Motor Assembly (for Front Passenger Door)
-
Power Window Regulator Motor Assembly (for Rear LH Door)
-
Power Window Regulator Motor Assembly (for Rear RH Door)
| Power window remote up and down signal | LIN |
| Main Body ECU (Multiplex Network Body ECU) | -
Power Window Regulator Motor Assembly (for Driver Door)
-
Power Window Regulator Motor Assembly (for Front Passenger Door)
-
Power Window Regulator Motor Assembly (for Rear LH Door)
-
Power Window Regulator Motor Assembly (for Rear RH Door)
| Power window operation permission signal | LIN |
| Certification ECU (Smart Key ECU Assembly) | Main Body ECU (Multiplex Network Body ECU) | Wireless power window operation signal | CAN |
| Main Body ECU (Multiplex Network Body ECU) | Combination Meter Assembly | Window open warning request signal | CAN |
READ NEXT:
CAUTION / NOTICE / HINT HINT:
Use the following procedure to troubleshoot the power window control system.
*: Use the Techstream.
PROCEDURE 1. VEHICLE BROUGHT TO WORKSHOP
NEXT
OPERATION CHECK CHECK WINDOW LOCK FUNCTION HINT: Before performing the window lock switch operation check, make sure that the window lock switch is off (the switch is not pushed in). (a) Turn the win
CUSTOMIZE PARAMETERS CUSTOMIZE POWER WINDOW CONTROL SYSTEM HINT: The following items can be customized. NOTICE:
When the customer requests a change in a function, first make sure that the function
SEE MORE:
FREEZE FRAME DATA FREEZE FRAME DATA (a) Whenever DTCs are detected, the blind spot monitor sensor stores the current vehicle (sensor) state as freeze frame data. CHECK FREEZE FRAME DATA (a) Connect the Techstream to the DLC3. (b) Turn the power switch on (IG). (c) Turn the blind spot monitor system
REMOVAL PROCEDURE 1. REMOVE COOL AIR INTAKE DUCT SEAL Click here 2. REMOVE INLET AIR CLEANER ASSEMBLY Click here 3. REMOVE AIR CLEANER ASSEMBLY WITH AIR CLEANER HOSE Click here 4. REMOVE VACUUM SWITCHING VALVE (for Active Control Engine Mount System) (a) Remove the bolt and disengage t
© 2016-2026 Copyright www.lexguide.net
