Lexus ES: System Diagram
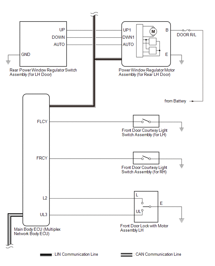
SYSTEM DIAGRAM

Communication Table
| Transmitting ECU | Receiving ECU | Signal | Communication Method |
| Multiplex Network Master Switch Assembly | Power Window Regulator Motor Assembly (for Driver Door) | Power window auto up and down signal | LIN |
-
Power Window Regulator Motor Assembly (for Front Passenger Door)
-
Power Window Regulator Motor Assembly (for Rear LH Door)
-
Power Window Regulator Motor Assembly (for Rear RH Door)
| Power window remote up and down signal | LIN |
| Main Body ECU (Multiplex Network Body ECU) | -
Power Window Regulator Motor Assembly (for Driver Door)
-
Power Window Regulator Motor Assembly (for Front Passenger Door)
-
Power Window Regulator Motor Assembly (for Rear LH Door)
-
Power Window Regulator Motor Assembly (for Rear RH Door)
| Power window operation permission signal | LIN |
| Certification ECU (Smart Key ECU Assembly) | Main Body ECU (Multiplex Network Body ECU) | Wireless power window operation signal | CAN |
| Main Body ECU (Multiplex Network Body ECU) | Combination Meter Assembly | Window open warning request signal | CAN |
READ NEXT:
SYSTEM DESCRIPTION POWER WINDOW CONTROL SYSTEM DESCRIPTION (a) The power window control system controls the power window operation using the power window regulator motor assemblies. The main controls
CAUTION / NOTICE / HINT HINT:
Use the following procedure to troubleshoot the power window control system.
*: Use the Techstream.
PROCEDURE 1. VEHICLE BROUGHT TO WORKSHOP
NEXT
OPERATION CHECK CHECK WINDOW LOCK FUNCTION HINT: Before performing the window lock switch operation check, make sure that the window lock switch is off (the switch is not pushed in). (a) Turn the win
SEE MORE:
REMOVAL CAUTION / NOTICE / HINT HINT:
Use the same procedure for the RH side and LH side.
The following procedure is for the LH side.
PROCEDURE 1. REMOVE NO. 2 DOOR TRIM PAD Click here 2. REMOVE MULTIPLEX NETWORK MASTER SWITCH ASSEMBLY WITH FRONT DOOR UPPER ARMREST BASE PANEL (for Driver
REASSEMBLY PROCEDURE 1. INSTALL STEERING LOCK ACTUATOR ASSEMBLY NOTICE: After replacing the steering lock actuator assembly, perform registration. (a) Secure the steering column assembly in a vise between aluminum plates. NOTICE: Do not overtighten the vise. (b) Temporarily install the steering lock
© 2016-2026 Copyright www.lexguide.net
