Lexus ES: System Diagram
SYSTEM DIAGRAM
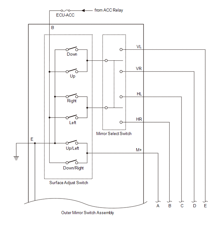
ELECTRICAL REMOTE CONTROL MIRROR FUNCTION
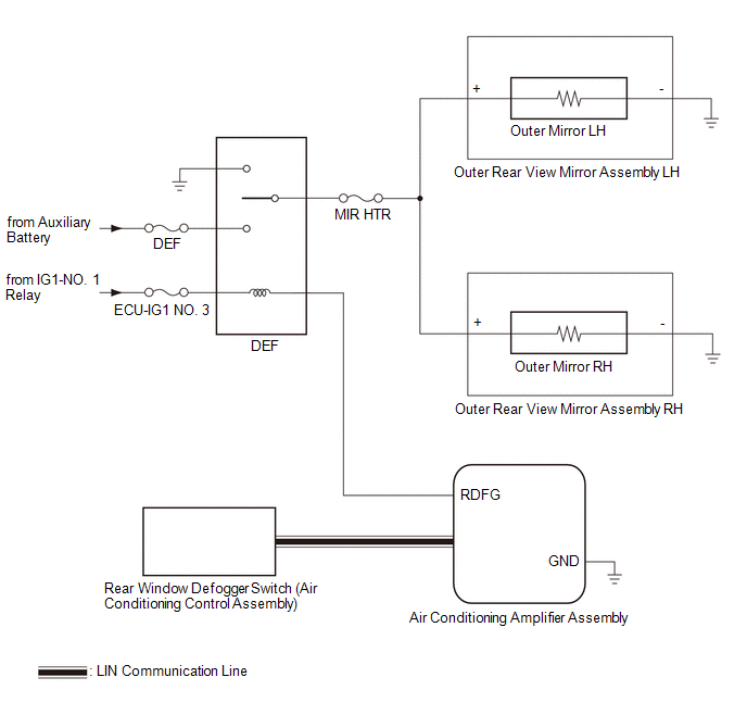
MIRROR HEATER FUNCTION
AUTOMATIC GLARE-RESISTANT EC MIRROR FUNCTION
.png)
Communication Table
| Sender | Receiver | Signal | Communication Method |
| Air Conditioning Control Assembly | Air Conditioning Amplifier Assembly | Mirror heater switch (rear window defogger switch) signal | LIN |
READ NEXT:
SYSTEM DESCRIPTION POWER MIRROR CONTROL SYSTEM (w/o Memory) DESCRIPTION (a) This system has the following functions: electrical remote control mirror function, power retract mirror function, mirror he
CAUTION / NOTICE / HINT HINT:
Use the following procedure to troubleshoot the power mirror control system (w/o Memory).
*: Use the Techstream.
PROCEDURE 1. VEHICLE BROUGHT TO WORKSHOP
OPERATION CHECK CHECK ELECTRICAL REMOTE CONTROL MIRROR FUNCTION (a) Turn the power switch on (IG). (b) With L on the mirror select switch selected, check that the outer rear view mirror assembly LH su
SEE MORE:
INSPECTION PROCEDURE 1. INSPECT FRONT NO. 2 SPEAKER ASSEMBLY (a) With the speaker installed, check that there is no looseness or other abnormalities. (b) Check that there is no foreign matter in the speaker, no tears on the speaker cone or other abnormalities. (c) When there is a possibility that ei
DIAGNOSIS SYSTEM DESCRIPTION (a) When troubleshooting a vehicle with the diagnostic system, the only difference from the usual troubleshooting procedure is connecting the Techstream to the vehicle and reading various data output from the multiplex tilt and telescopic ECU. The multiplex tilt and tele
© 2016-2026 Copyright www.lexguide.net
